GM Service Manual Online
For 1990-2009 cars only
Makes
🢒
Chevrolet
🢒
2007
🢒
HHR
🢒 OnStar
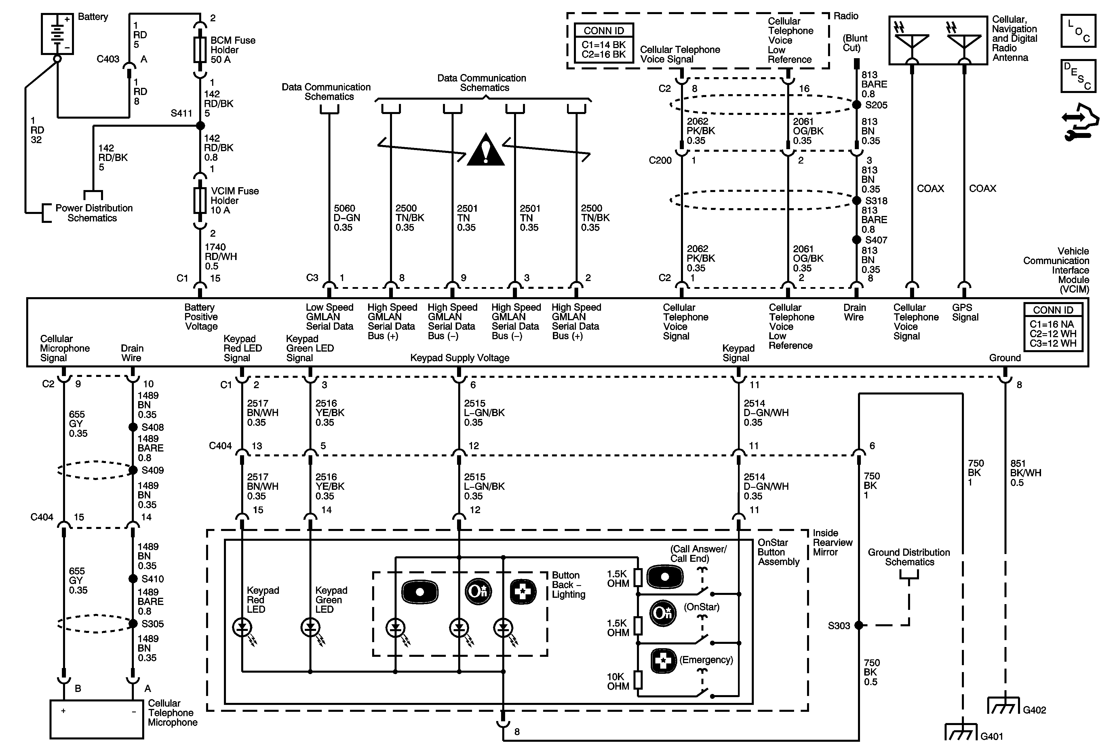
OnStar
Master Electrical Component List
OnStar Description and Operation
Control Module References
Underhood Fuse Block - B+ Bus
DLC Power, Ground, and Low Speed GMLAN
High Speed GMLAN
Entertainment/Communication Schematic Icons
G401, G403
G402