GM Service Manual Online
For 1990-2009 cars only
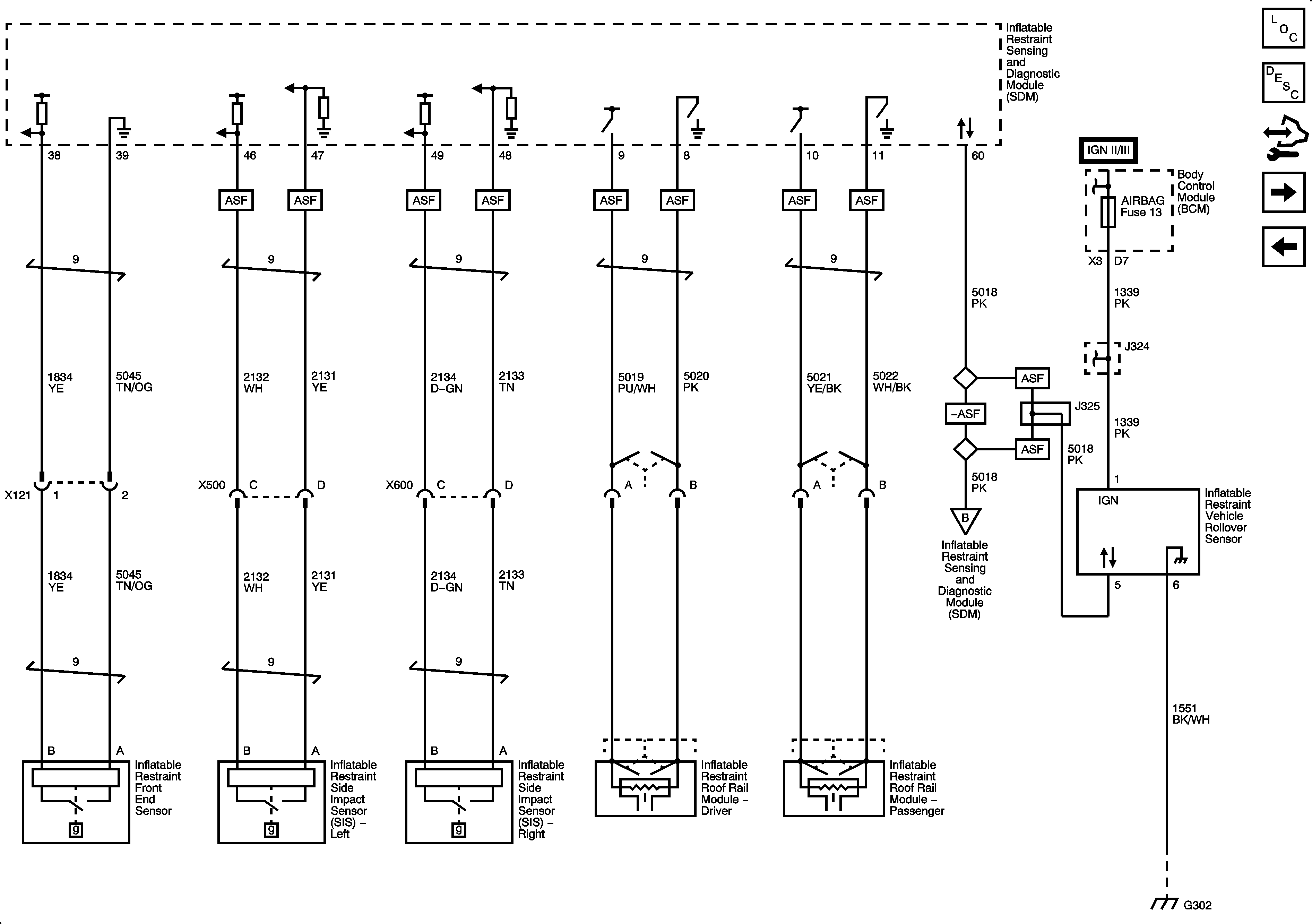
Figure 1:

Indicators, Power, Ground, Pretensioners, and Front Air Bag Modules


Object Number: 2085330  Size: FS
Master Electrical Component List
SIR System Description and Operation
Control Module References
Side Impact-(ASF), Roof Rail Modules, Front End Sensor
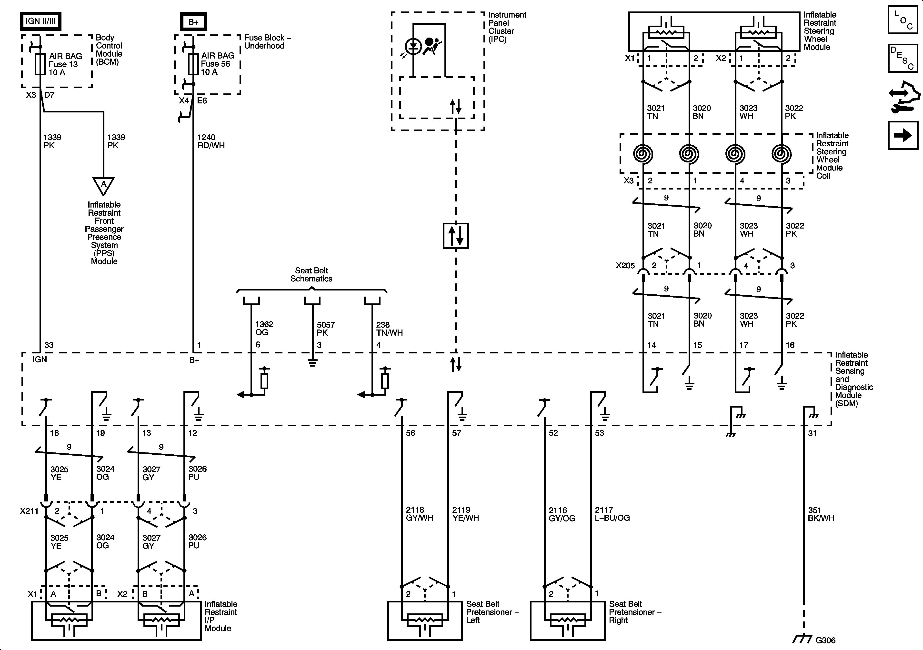
Figure 2:

Side Impact (ASF), Roof Rail Module, and Front End Sensor


Object Number: 2085332  Size: FS
Master Electrical Component List
SIR System Description and Operation
Control Module References
Indicators, Power, Ground, Pretensioners and Front Air Bag Modules
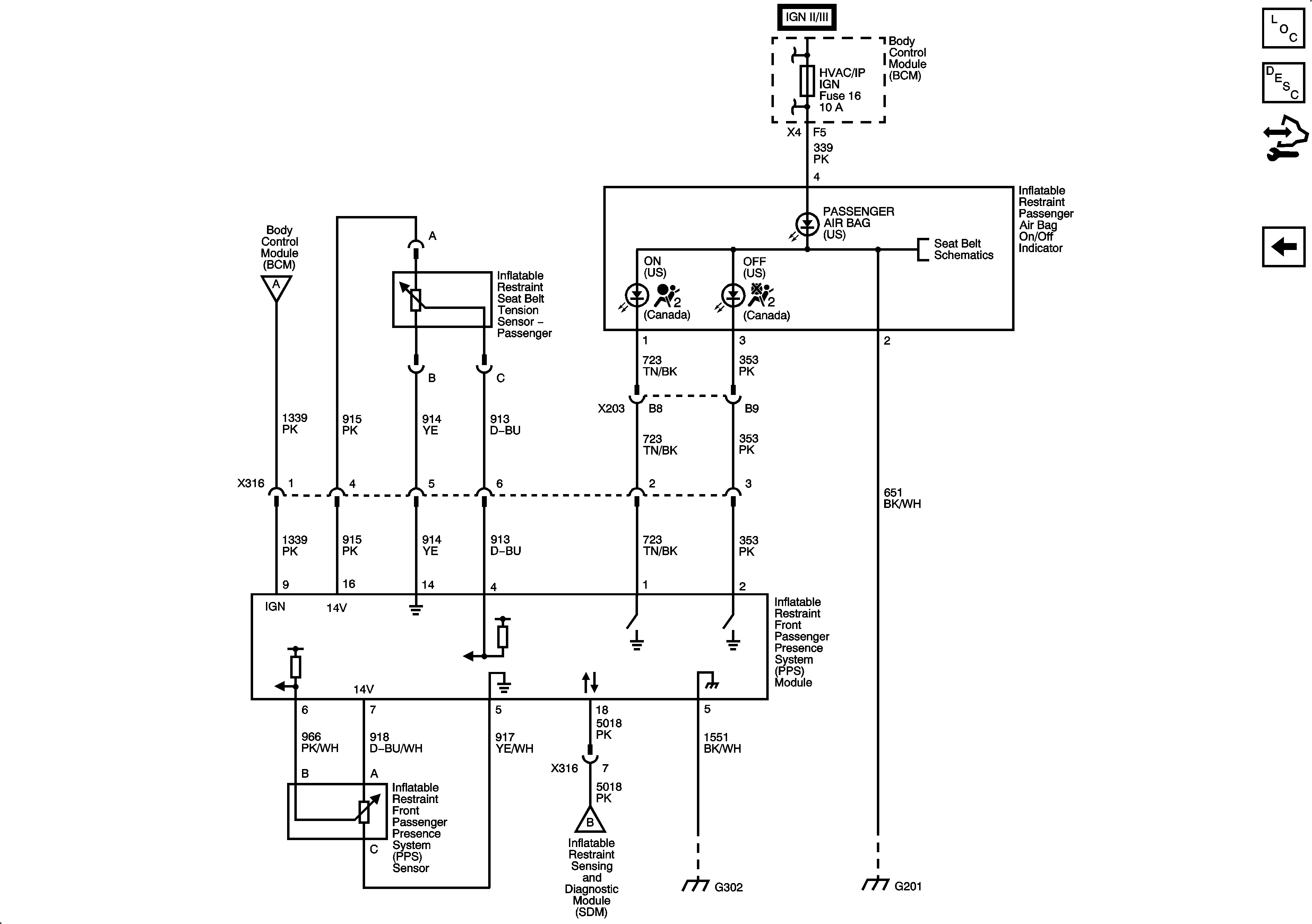
Passenger Presence System
Figure 3:

Passenger Presence System


Object Number: 2085335  Size: FS
Master Electrical Component List
SIR System Description and Operation
Control Module References
Side Impact-(ASF), Roof Rail Modules, Front End Sensor