GM Service Manual Online
For 1990-2009 cars only
Makes
🢒
Chevrolet
🢒
2005
🢒
Impala
🢒
Vehicle Control Systems
🢒
Computer/Integrating Systems
🢒 Retained Accessory Power (RAP) Schematics
Figure
1:
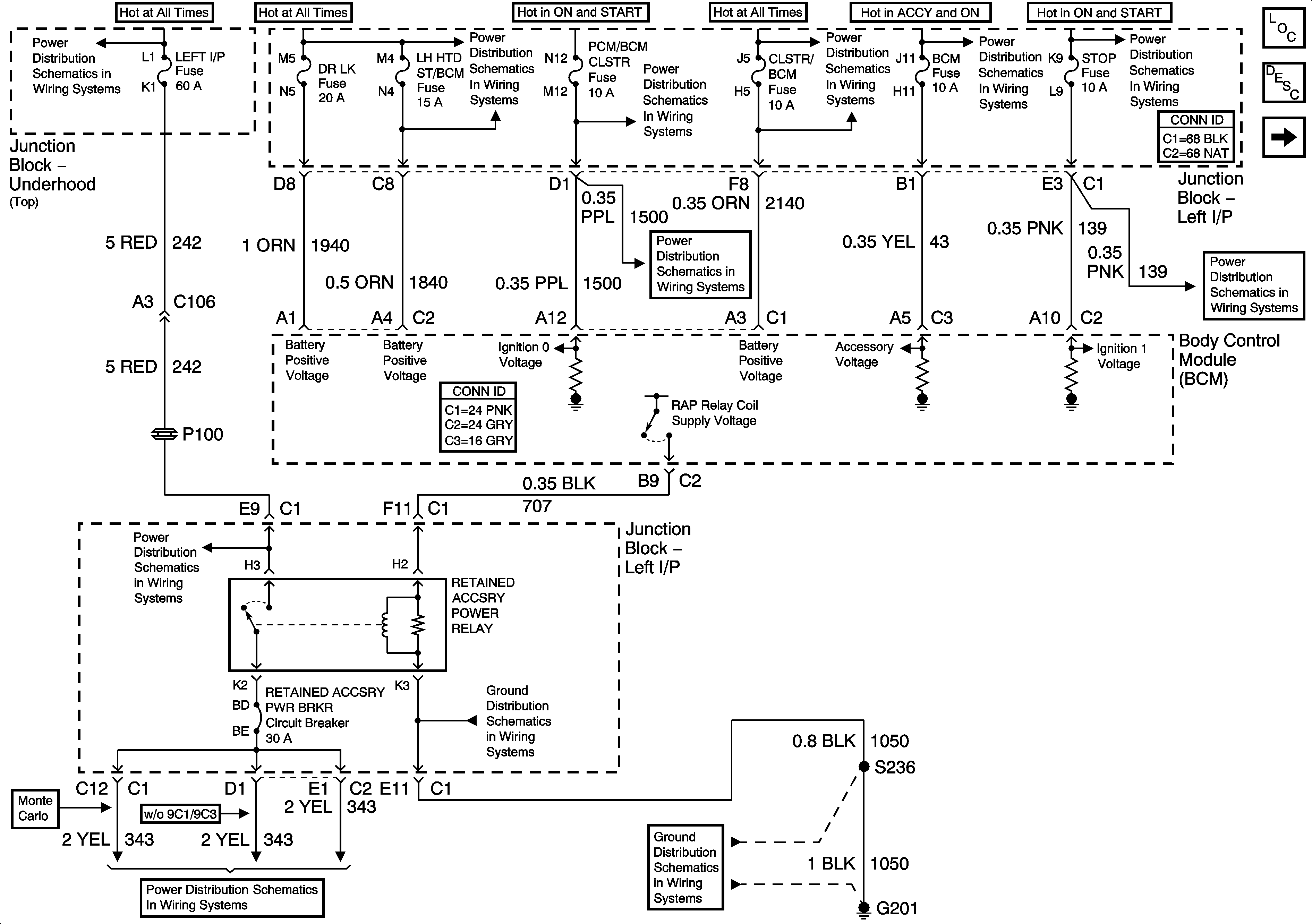
Ground, Power, and RAP Relay
Master Electrical Component List
Retained Accessory Power (RAP) Description and Operation
Data Link, Door Locks, and Door Lock Switches
Junction Block - Underhood (Top) Bussing
CLSTR/BCM, DR LK, LEFT IP, LH HTD ST/BCM and PWR MIR Fuses, RETAINED ACCSRY PWR BRKR Circuit Breaker, and RETAINED ACCSRY PWR Relay
A/C/CRUISE, CRUISE, PCM/BCM/CLSTR, and PCM (CRANK) Fuses
CLSTR/BCM, DR LK, LEFT IP, LH HTD ST/BCM and PWR MIR Fuses, RETAINED ACCSRY PWR BRKR Circuit Breaker, and RETAINED ACCSRY PWR Relay
A/C RLY (CMPR), BCM, CIG/AUS, EXT LTS, IGN SW, PCM, HVAC BLOWER, and WSW Fuses
ABS/PCM, SRS, STOP, and TURN SIGNAL Fuses
A/C/CRUISE, CRUISE, PCM/BCM/CLSTR, and PCM (CRANK) Fuses
ABS/PCM, SRS, STOP, and TURN SIGNAL Fuses
CLSTR/BCM, DR LK, LEFT IP, LH HTD ST/BCM and PWR MIR Fuses, RETAINED ACCSRY PWR BRKR Circuit Breaker, and RETAINED ACCSRY PWR Relay
G201 - 1 of 2
CLSTR/BCM, DR LK, LEFT IP, LH HTD ST/BCM and PWR MIR Fuses, RETAINED ACCSRY PWR BRKR Circuit Breaker, and RETAINED ACCSRY PWR Relay
G201 - 1 of 2
Figure
2:
Data Link, Door Locks, and Door Lock Switches
Master Electrical Component List
Retained Accessory Power (RAP) Description and Operation
Ground, Power, and RAP Relay
DLC
G203 - 2 of 3
G203 - 1 of 3