GM Service Manual Online
For 1990-2009 cars only
Makes
🢒
Chevrolet
🢒
2005
🢒
Impala
🢒
Body
🢒
Instrument Panel, Gages, and Console
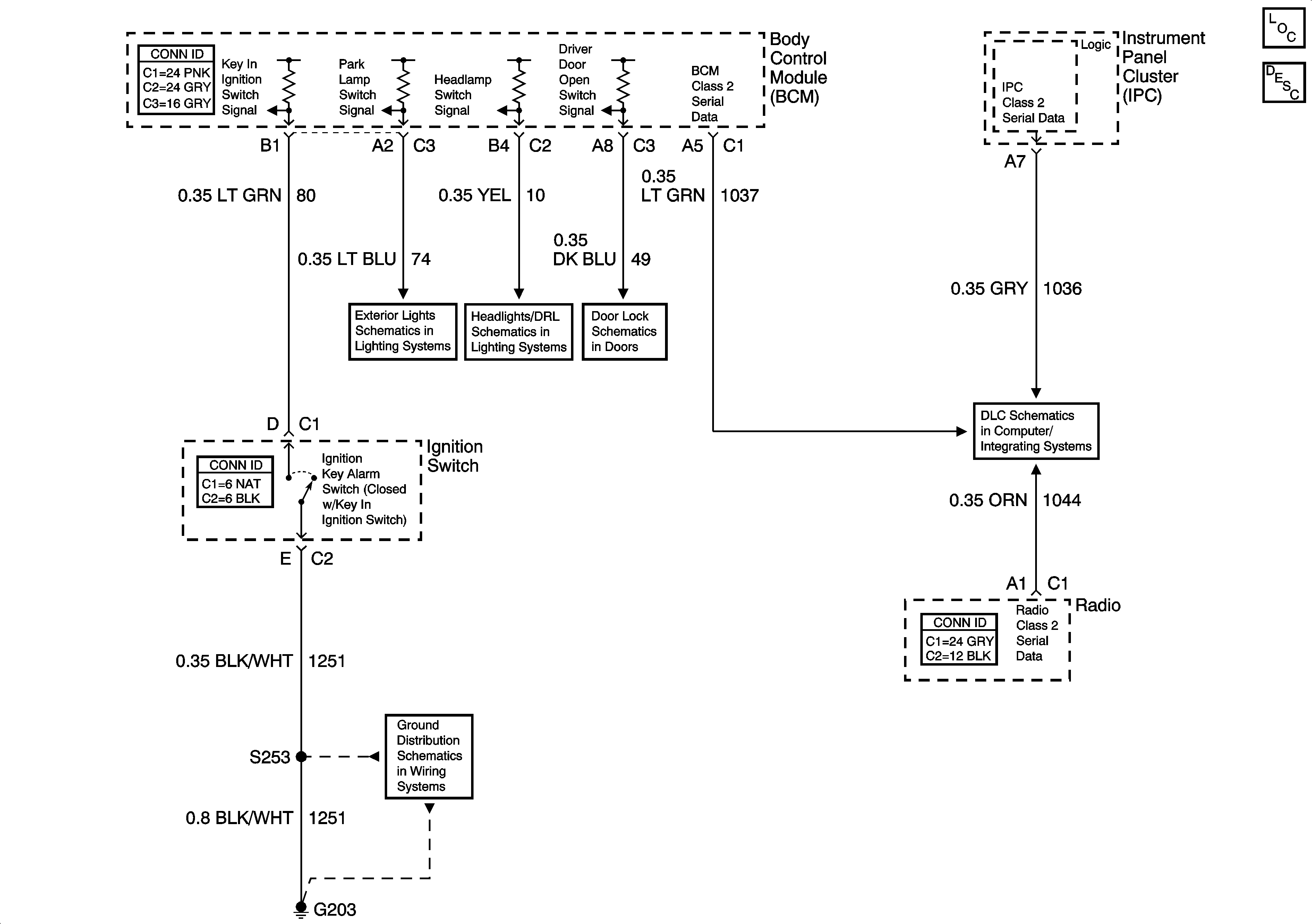
🢒 Audible Warnings Schematics
Master Electrical Component List
Audible Warnings Description and Operation
Park Lamps (Impala)
Indicators and Lamp Control
Door Open Switches - Left
DLC
G203 - 1 of 3