GM Service Manual Online
For 1990-2009 cars only
Makes
🢒
Chevrolet
🢒
2005
🢒
Impala
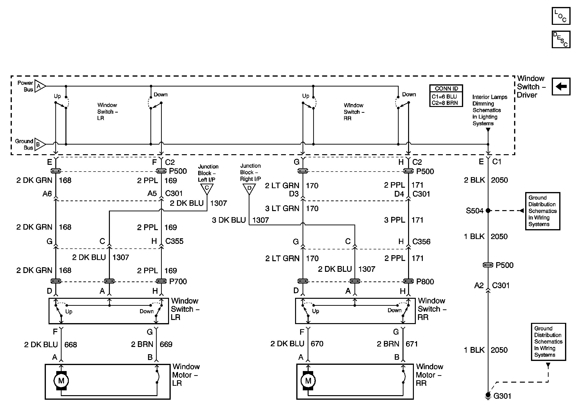
🢒 Impala - Rear Doors
Impala - Rear Doors
Impala - Rear Doors
Master Electrical Component List
Power Windows Description and Operation
Impala - Front Doors
Impala - Front Doors
Impala - Front Doors
Impala - Front Doors
Impala - Front Doors
Console and Driver Door
G301 - 2 of 2
G301 - 1 of 2