GM Service Manual Online
For 1990-2009 cars only
Makes
🢒
Chevrolet
🢒
2005
🢒
Impala
🢒 Impala - Front Doors
Impala - Front Doors
Impala - Front Doors
Master Electrical Component List
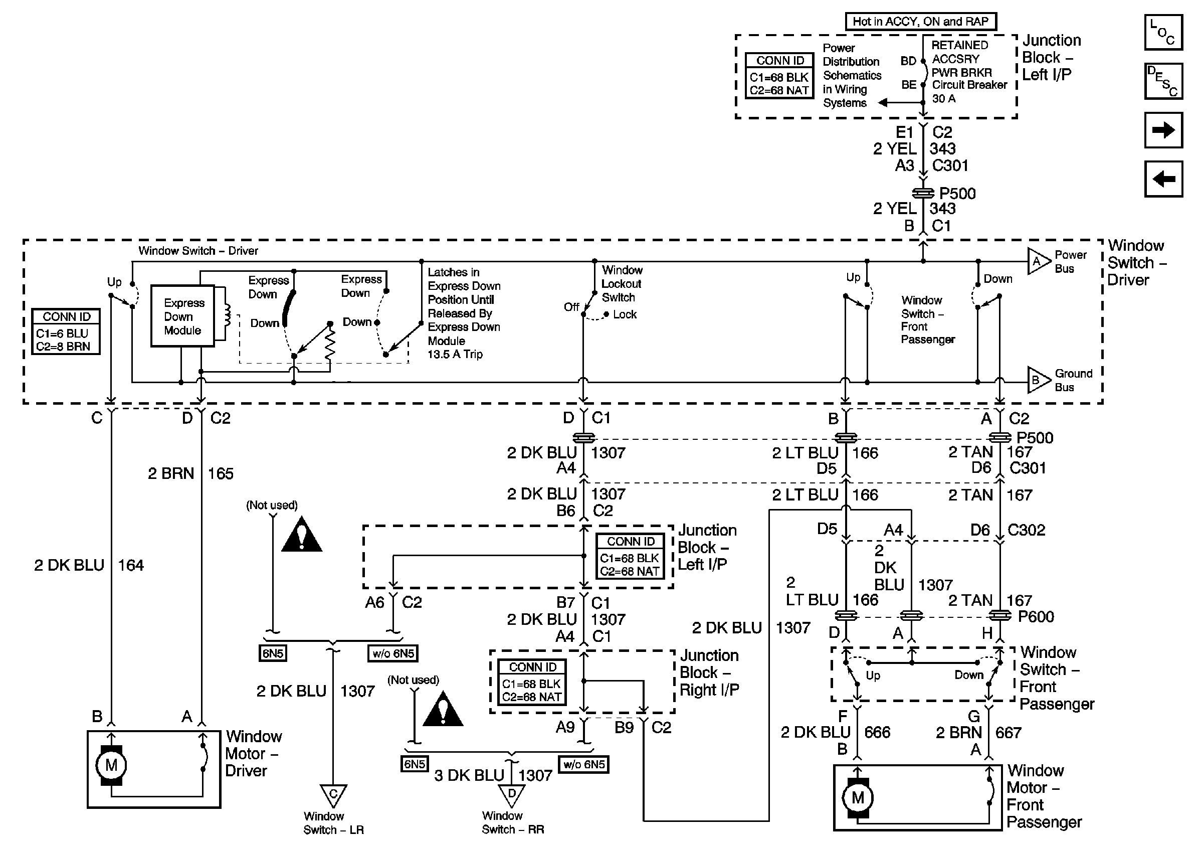
Power Windows Description and Operation
Impala - Rear Doors
Monte Carlo
CLSTR/BCM, DR LK, LEFT IP, LH HTD ST/BCM and PWR MIR Fuses, RETAINED ACCSRY PWR BRKR Circuit Breaker, and RETAINED ACCSRY PWR Relay
Impala - Rear Doors
Impala - Rear Doors
Impala - Rear Doors
Impala - Rear Doors
Power Door Systems Schematic Icons
Power Door Systems Schematic Icons