GM Service Manual Online
For 1990-2009 cars only
Figure 1:

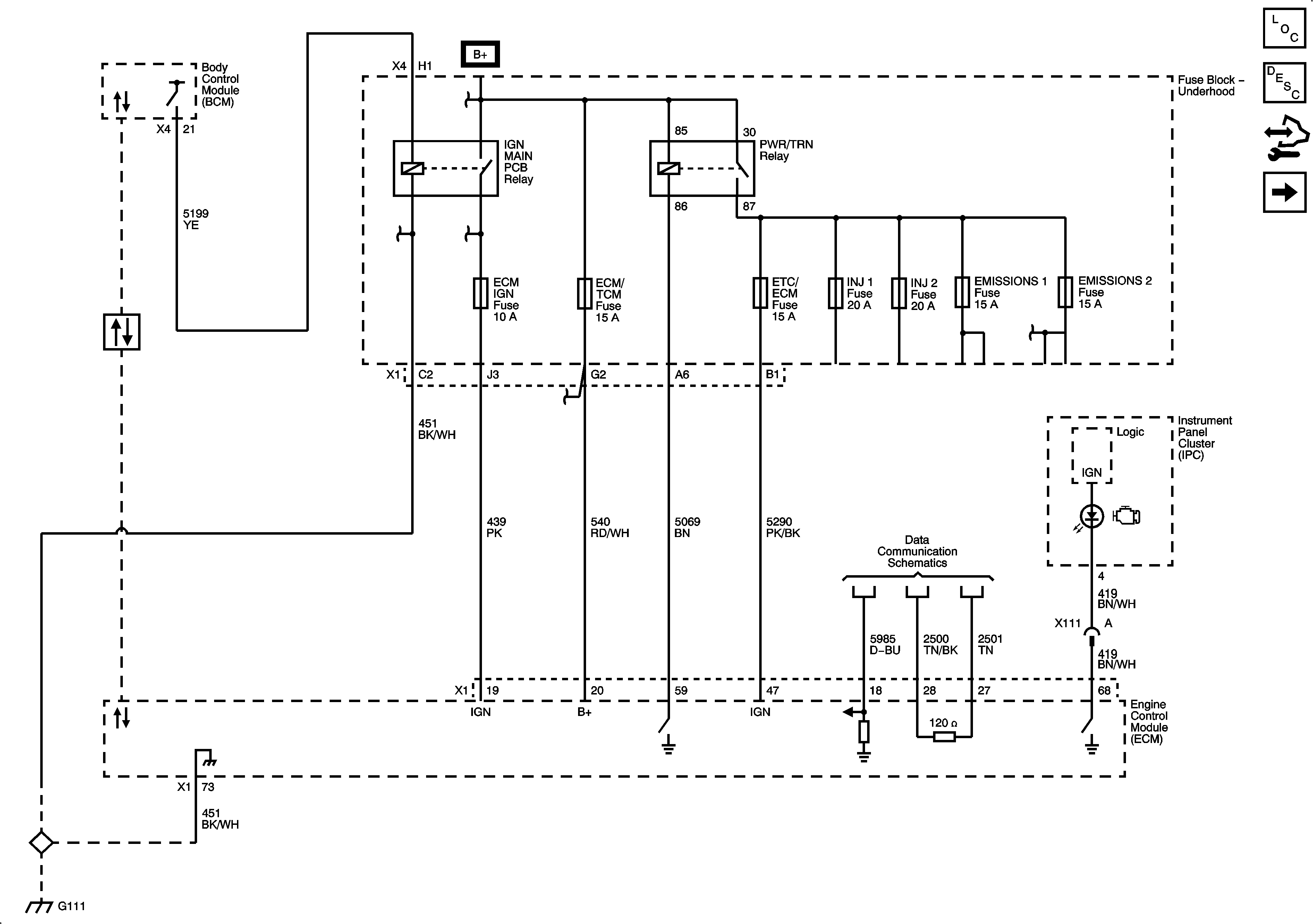
ECM Power, Ground, MIL, and Serial Data


Object Number: 1888272  Size: FS
Master Electrical Component List
Engine Control Module Description
Control Module References
5-Volt and Low Reference Bussing
Fuse Block - Underhood Bussing
ECM IGN, TRANS, PWR DROP/CRNK, AIRBAG/DISPLAY, STRTR, FUEL/PUMP, and HORN Fuses
ONSTAR, INT LTS/PNL DIM, LT T/SIG, RT T/SIG, CHMSL/BCK-UP, INT LIGHTS, RVC SEN, and ECM/TCM Fuses
EMISSIONS 1, EMISSIONS 2, A/C CMPRSR Fuses, and A/C CMPRSR, FAN 1, FAN 2, and FAN 3 Relays
High Speed GMLAN Serial Data
High Speed GMLAN Serial Data
G101, G102, and G111
G101, G102, and G111
Figure 2:

5-Volt and Low Reference Bussing


Object Number: 1888274  Size: FS
Master Electrical Component List
Engine Control Module Description
Control Module References
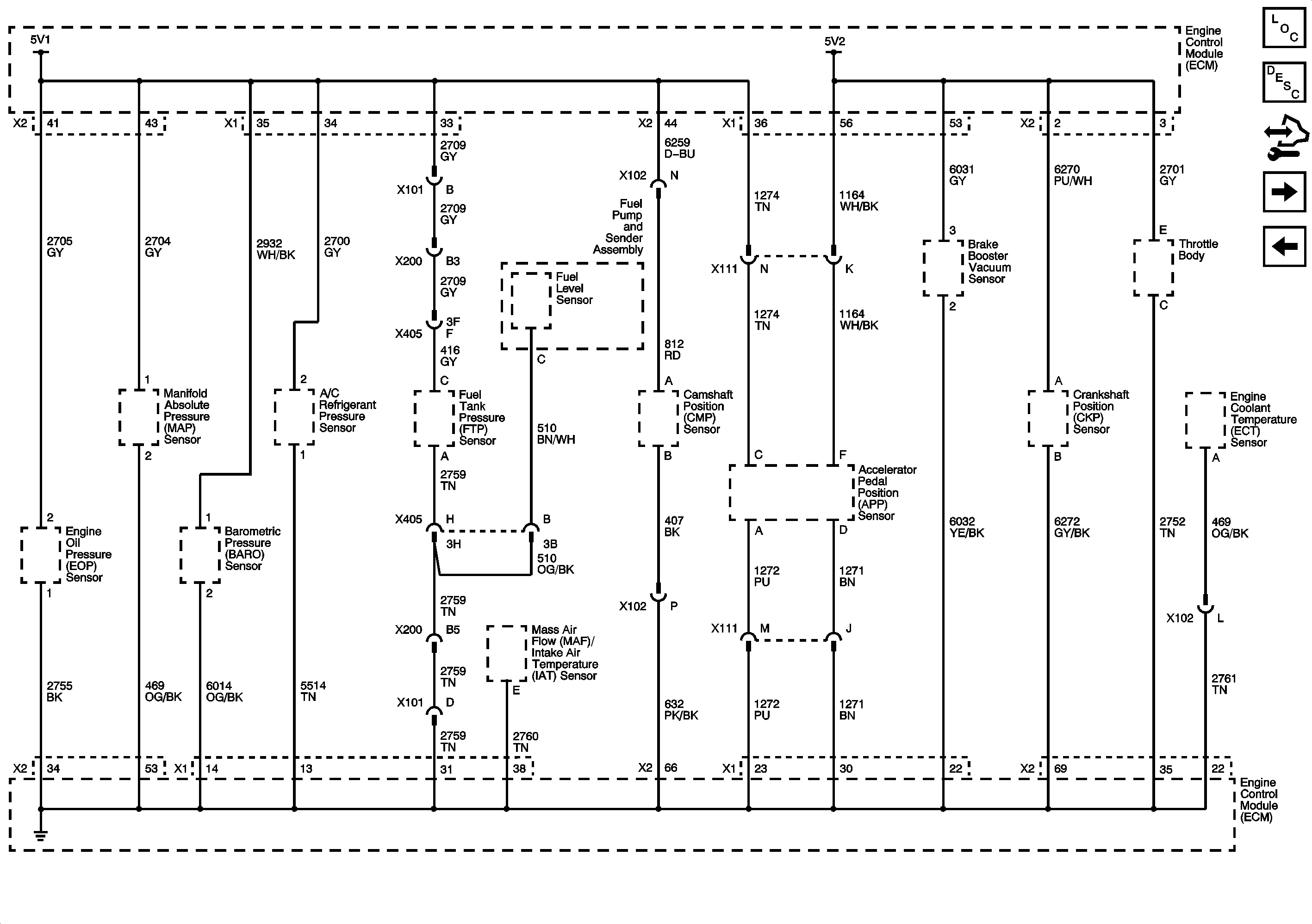
MAF/IAT, MAP, and ECT Sensors
ECM Power, Ground, MIL, and Serial Data
Figure 3:

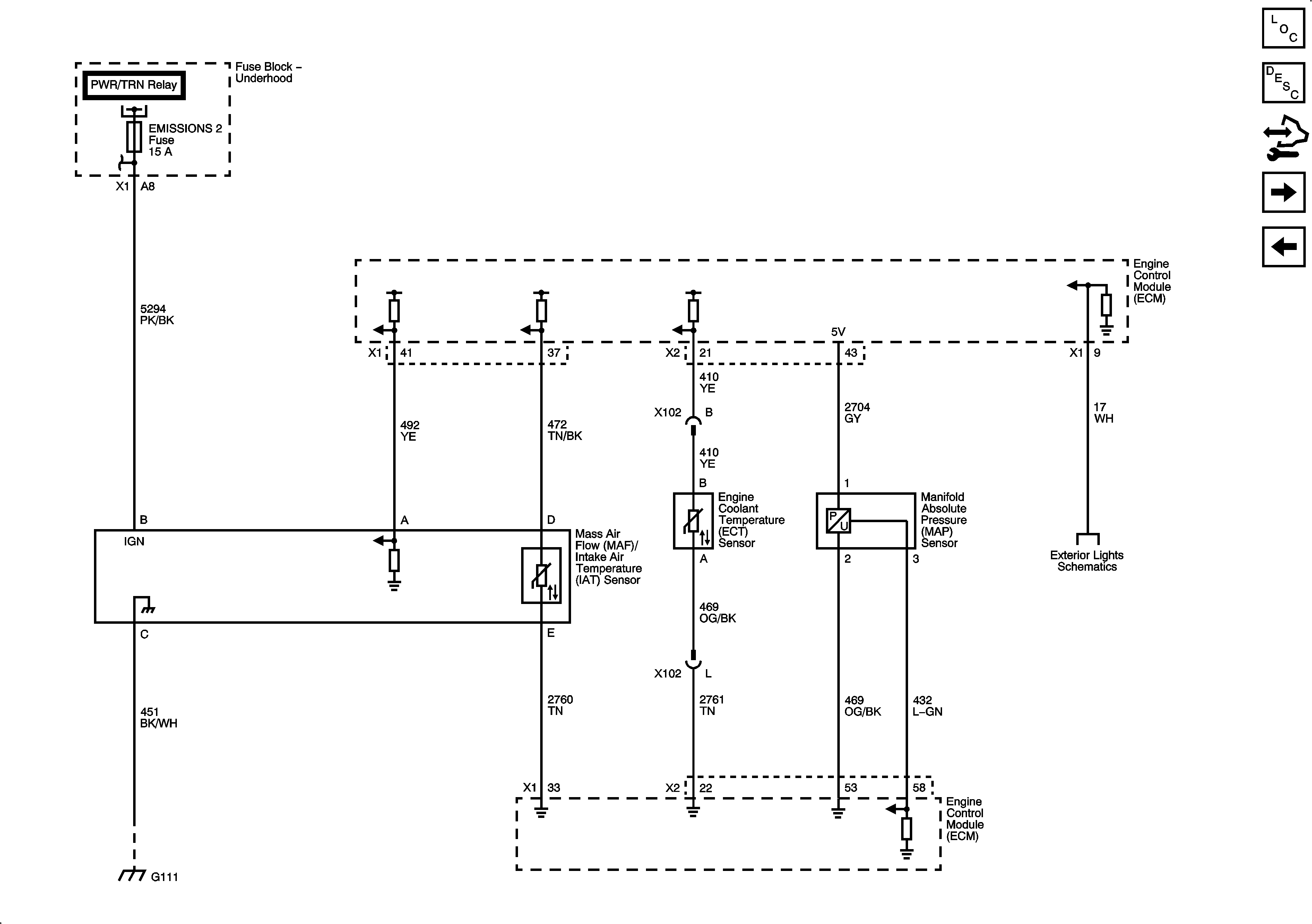
MAF/IAT, MAP, and ECT Sensors


Object Number: 1888275  Size: FS
Master Electrical Component List
Engine Control Module Description
Control Module References
Heated Oxygen Sensors
5-Volt and Low Reference Bussing
ECM Power, Ground, MIL, and Serial Data
EMISSIONS 1, EMISSIONS 2, A/C CMPRSR Fuses, and A/C CMPRSR, FAN 1, FAN 2, and FAN 3 Relays
Turn Signal, Hazard, and Stop Lamps Outputs
G101, G102, and G111
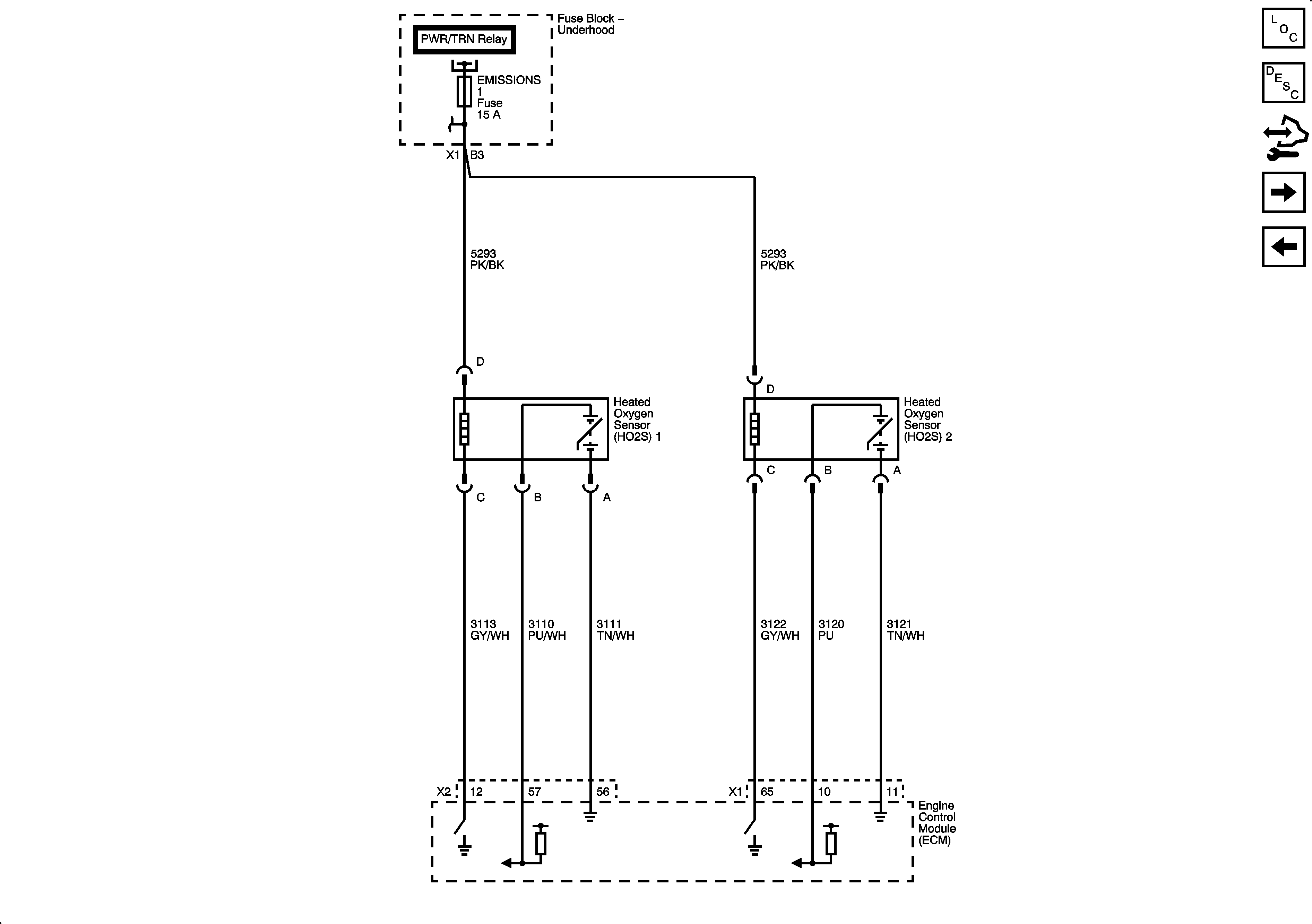
Figure 4:

Heated Oxygen Sensors


Object Number: 1888276  Size: FS
Master Electrical Component List
Engine Control Module Description
Control Module References
Electronic Throttle Controls
MAF/IAT, MAP, and ECT Sensors
ECM Power, Ground, MIL, and Serial Data
EMISSIONS 1, EMISSIONS 2, A/C CMPRSR Fuses, and A/C CMPRSR, FAN 1, FAN 2, and FAN 3 Relays
Figure 5:

Electronic Throttle Controls


Object Number: 1888278  Size: FS
Master Electrical Component List
Throttle Actuator Control (TAC) System Description
Control Module References
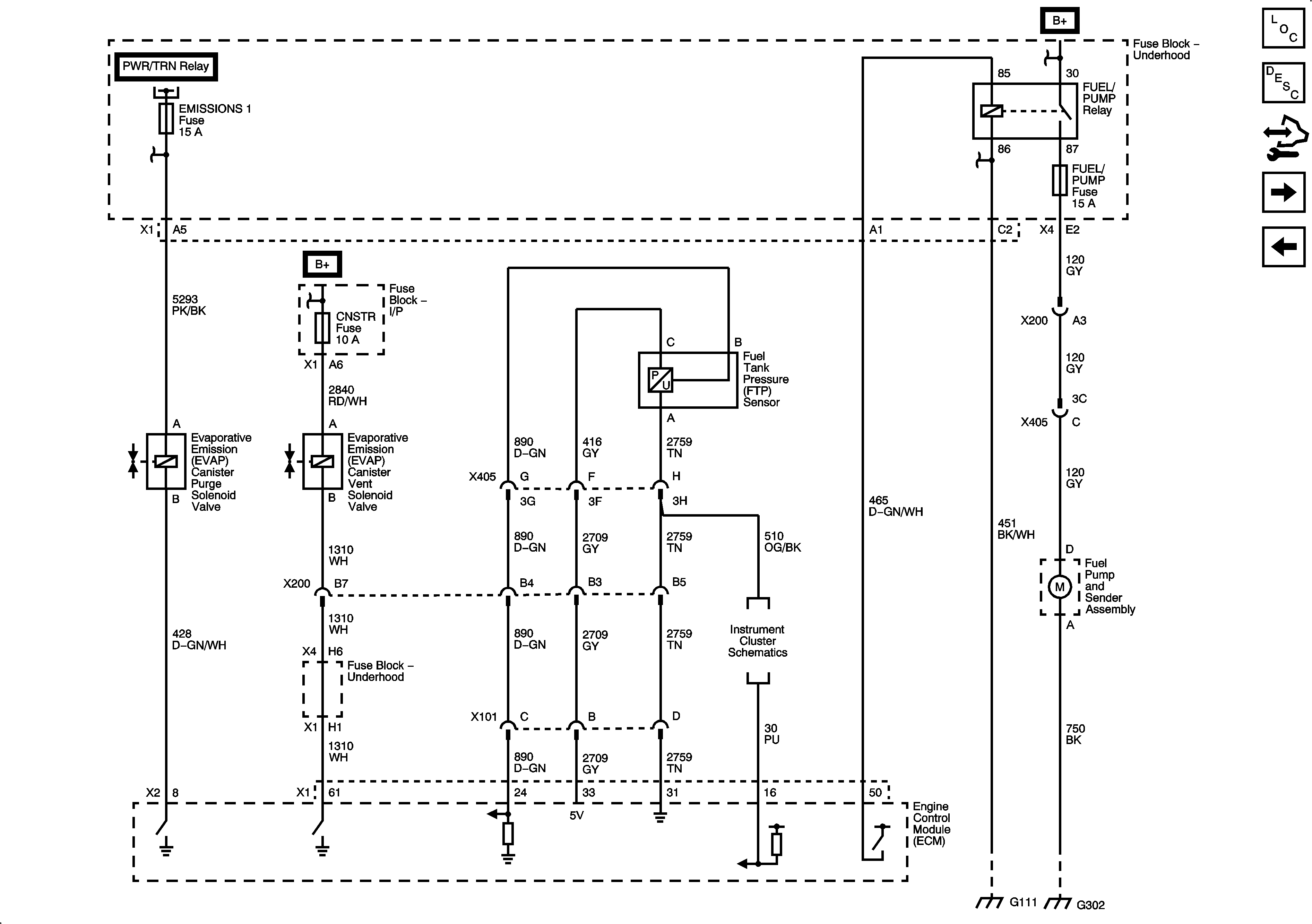
Fuel Injectors and Fuel Pump Controls
Heated Oxygen Sensors
Figure 6:

Fuel Injectors and Fuel Pump Controls


Object Number: 1888281  Size: FS
Master Electrical Component List
Fuel System Description
Control Module References
EVAP Solenoids, and FTP Sensor
Electronic Throttle Controls
ECM Power, Ground, MIL, and Serial Data
Fuse Block - Underhood Bussing
ECM IGN, TRANS, PWR DROP/CRNK, AIRBAG/DISPLAY, STRTR, FUEL/PUMP, and HORN Fuses
Power, Ground, and Gages
G101, G102, and G111
G101, G102, and G111
G302
Figure 7:

EVAP Solenoids, and FTP Sensor


Object Number: 1888284  Size: FS
Master Electrical Component List
Evaporative Emission Control System Description
Control Module References
Ignition Control Module
Fuel Injectors and Fuel Pump Controls
BATT 1, CNSTR, XM, TRUNK, AMP, AUX Fuses, and TRUNK Relay
ECM Power, Ground, MIL, and Serial Data
EMISSIONS 1, EMISSIONS 2, A/C CMPRSR Fuses, and A/C CMPRSR, FAN 1, FAN 2, and FAN 3 Relays
Power, Ground, and Gages
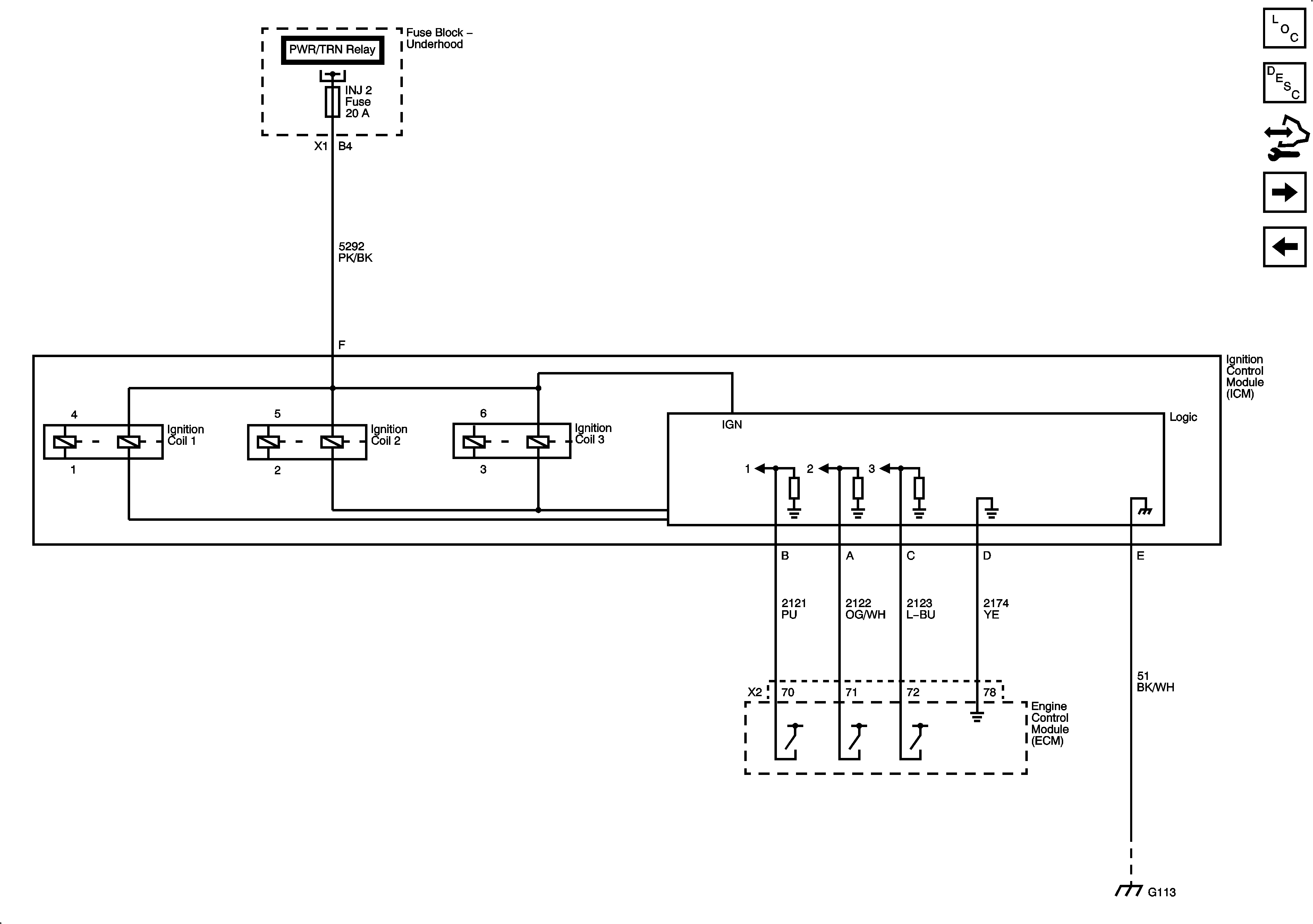
Figure 8:

Ignition Control Module


Object Number: 1888287  Size: FS
Master Electrical Component List
Electronic Ignition (EI) System Description
Control Module References
Camshaft, Crankshaft, Knock Sensors, and Camshaft Position Actuator Solenoid
EVAP Solenoids, and FTP Sensor
ECM Power, Ground, MIL, and Serial Data
G113, and G115
Figure 9:

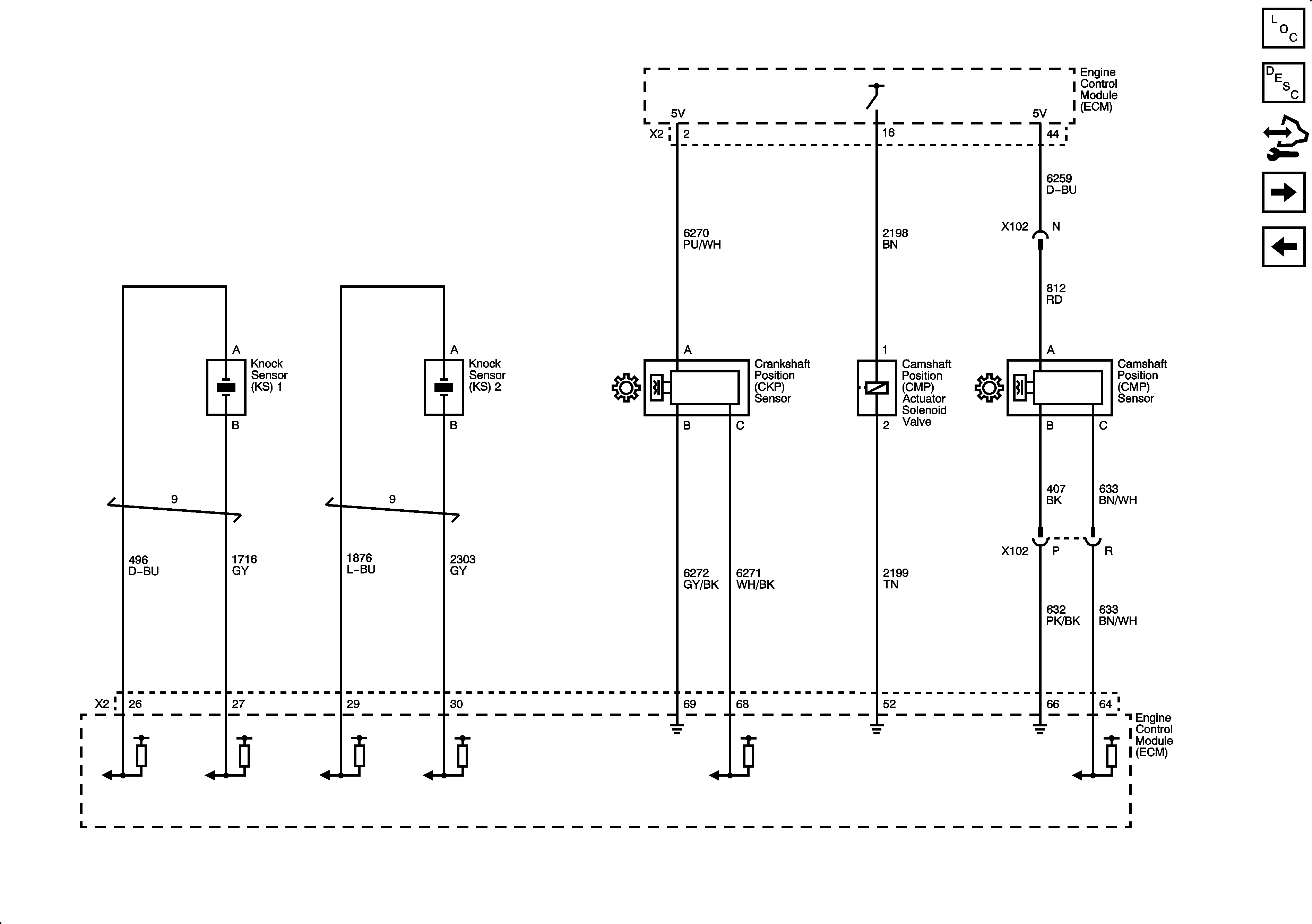
Camshaft, Crankshaft, Knock Sensors, and Camshaft Position Actuator Solenoid


Object Number: 1888289  Size: FS
Master Electrical Component List
Camshaft Actuator System Description
Control Module References
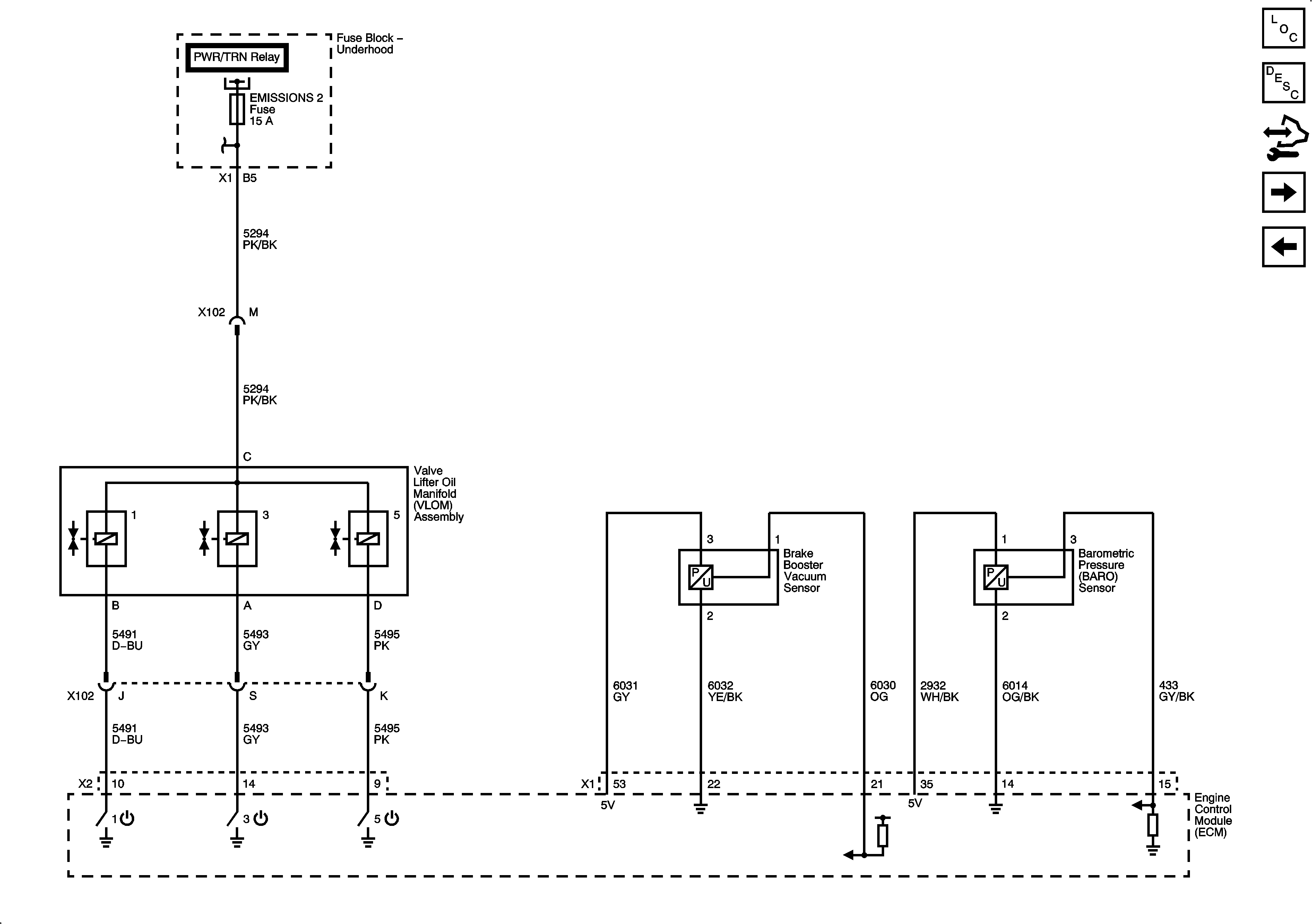
Brake Booster Vacuum Sensor, and Barometric Pressure (BARO) Sensor
Ignition Control Module
Figure 10:

Valve Lifter Oil Manifold (VLOM) Assembly, Brake Booster Vacuum Sensor, and Barometric Pressure (BARO) Sensor


Object Number: 1888294  Size: FS
Master Electrical Component List
Cylinder Deactivation (Active Fuel Management) System Description
Control Module References
Controlled/Monitored Subsystem References
Camshaft, Crankshaft, Knock Sensors, and Camshaft Position Actuator Solenoid
ECM Power, Ground, MIL, and Serial Data
EMISSIONS 1, EMISSIONS 2, A/C CMPRSR Fuses, and A/C CMPRSR, FAN 1, FAN 2, and FAN 3 Relays
Figure 11:

Controlled/Monitored Subsystem References


Object Number: 1888301  Size: FS
Master Electrical Component List
Engine Control Module Description
Control Module References
Brake Booster Vacuum Sensor, and Barometric Pressure (BARO) Sensor
A/C Compressor Controls
Engine Cooling Schematics
Starter
Indicators
PRNDL, and IMS Switch