| Figure 1: |
Power, Ground, and References
|
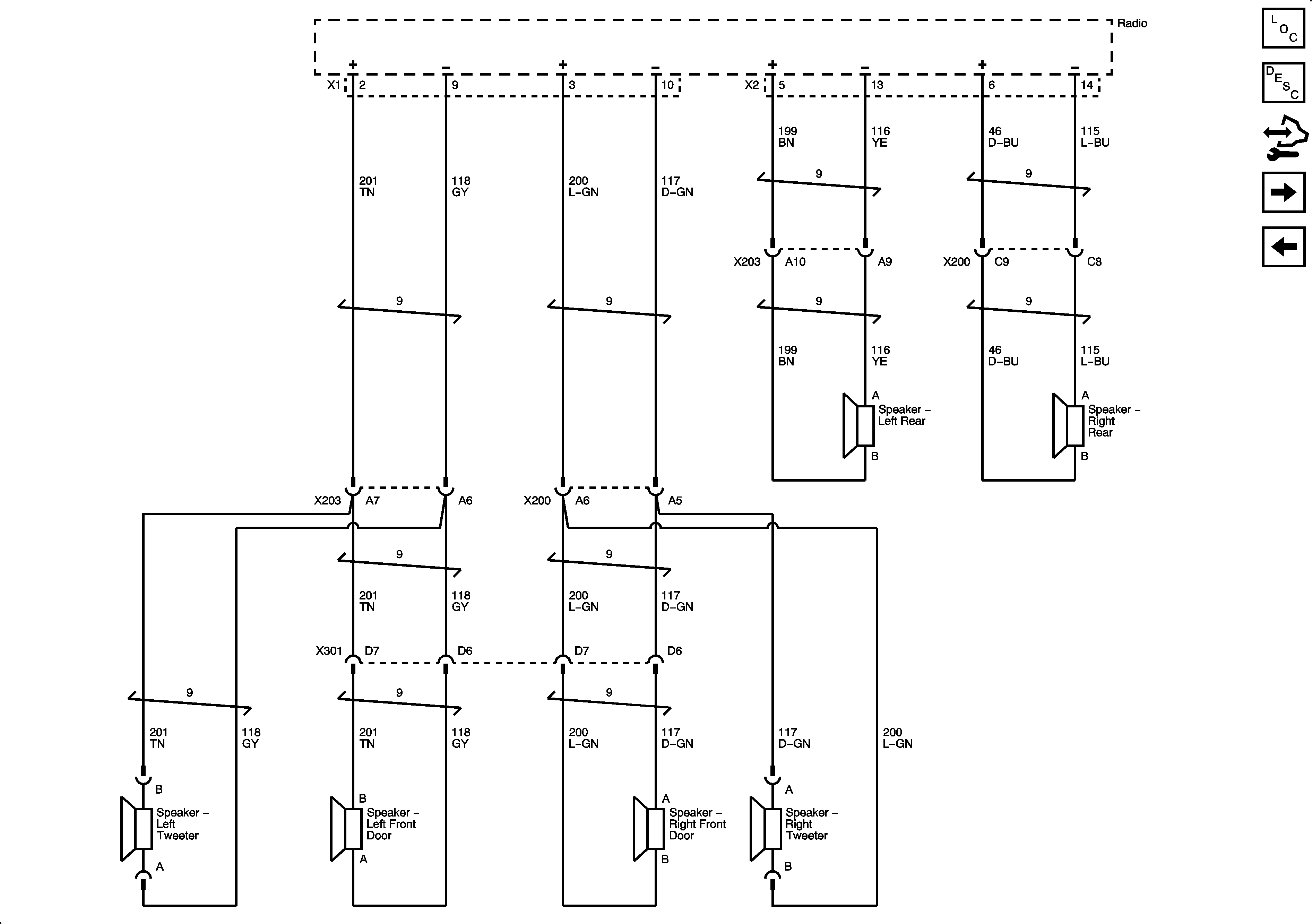
| Figure 2: |
Radio to Speakers - UW6
|
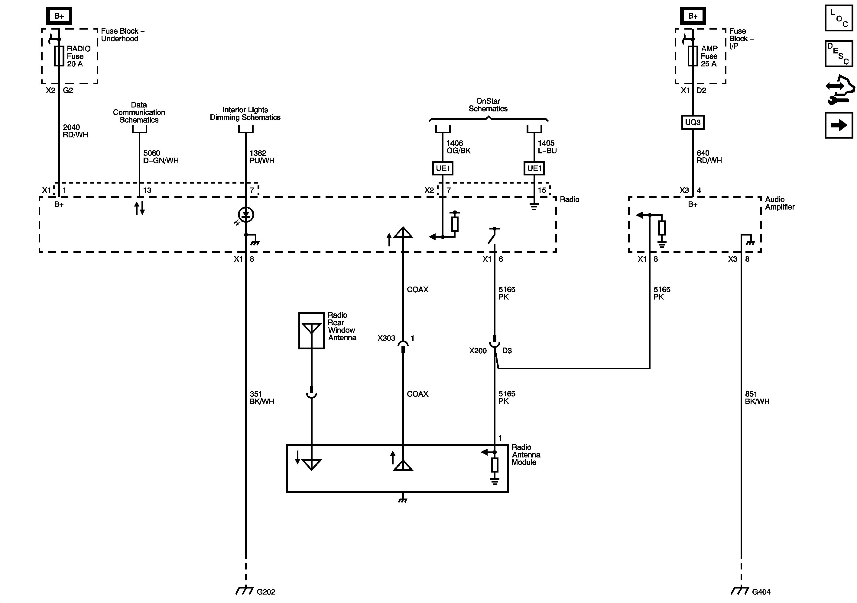
| Figure 3: |
Audio Signal Communications - UQ3
|
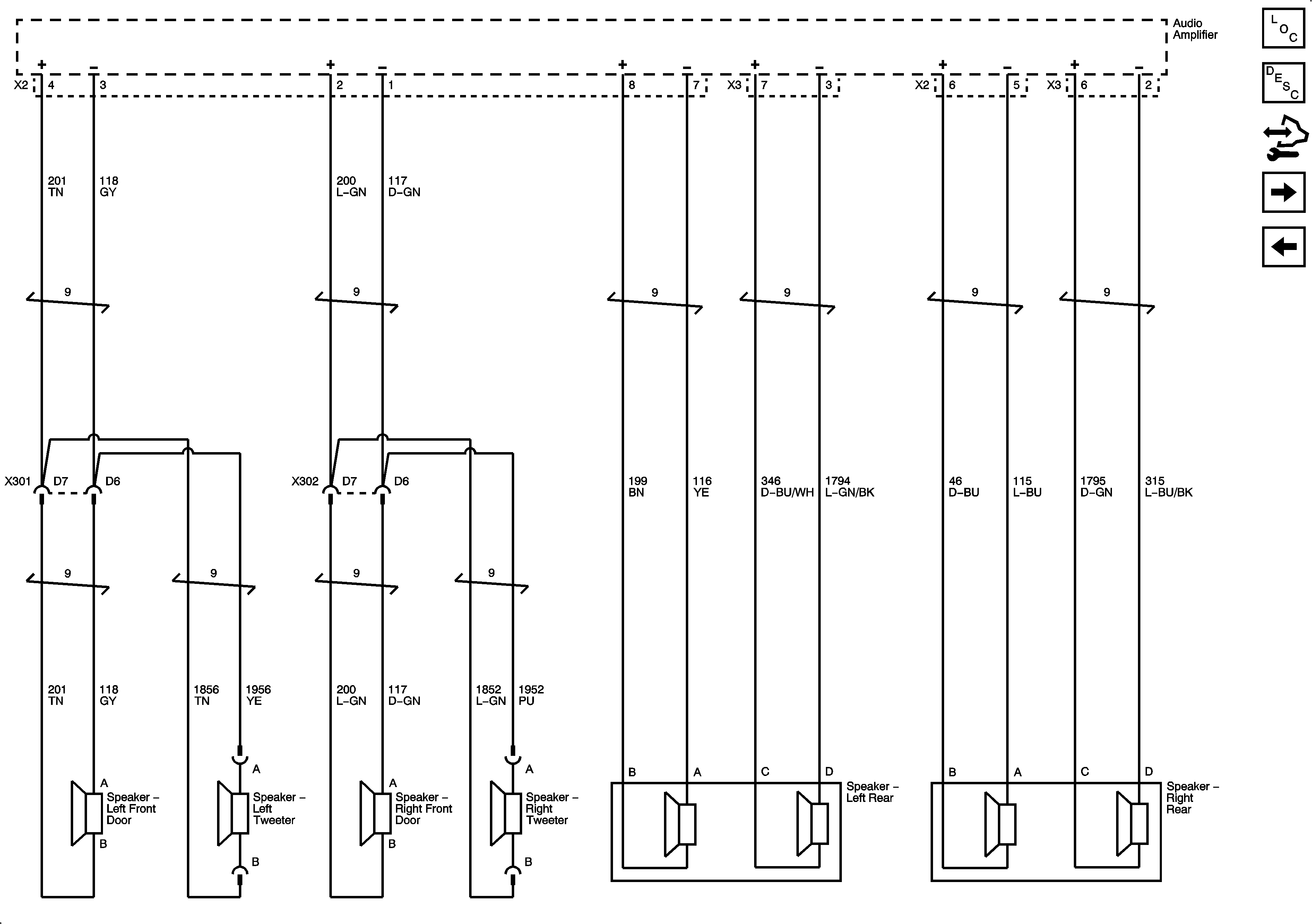
| Figure 4: |
Audio Amplifier to Speakers - UQ3
|
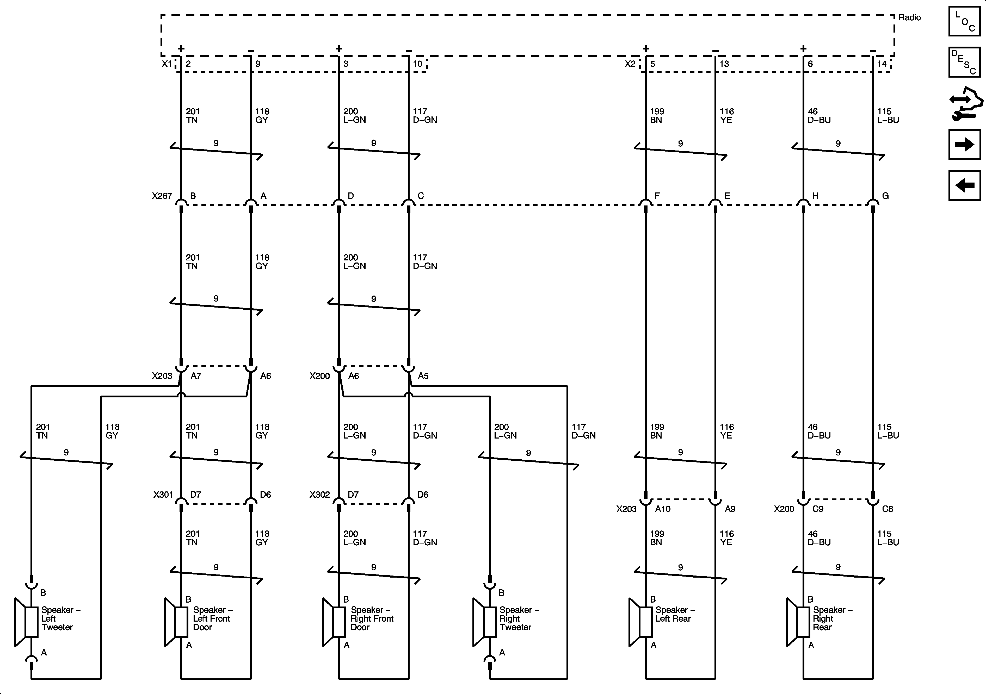
| Figure 5: |
Radio to Speakers - 9C1/9C3 w/o WX7
|
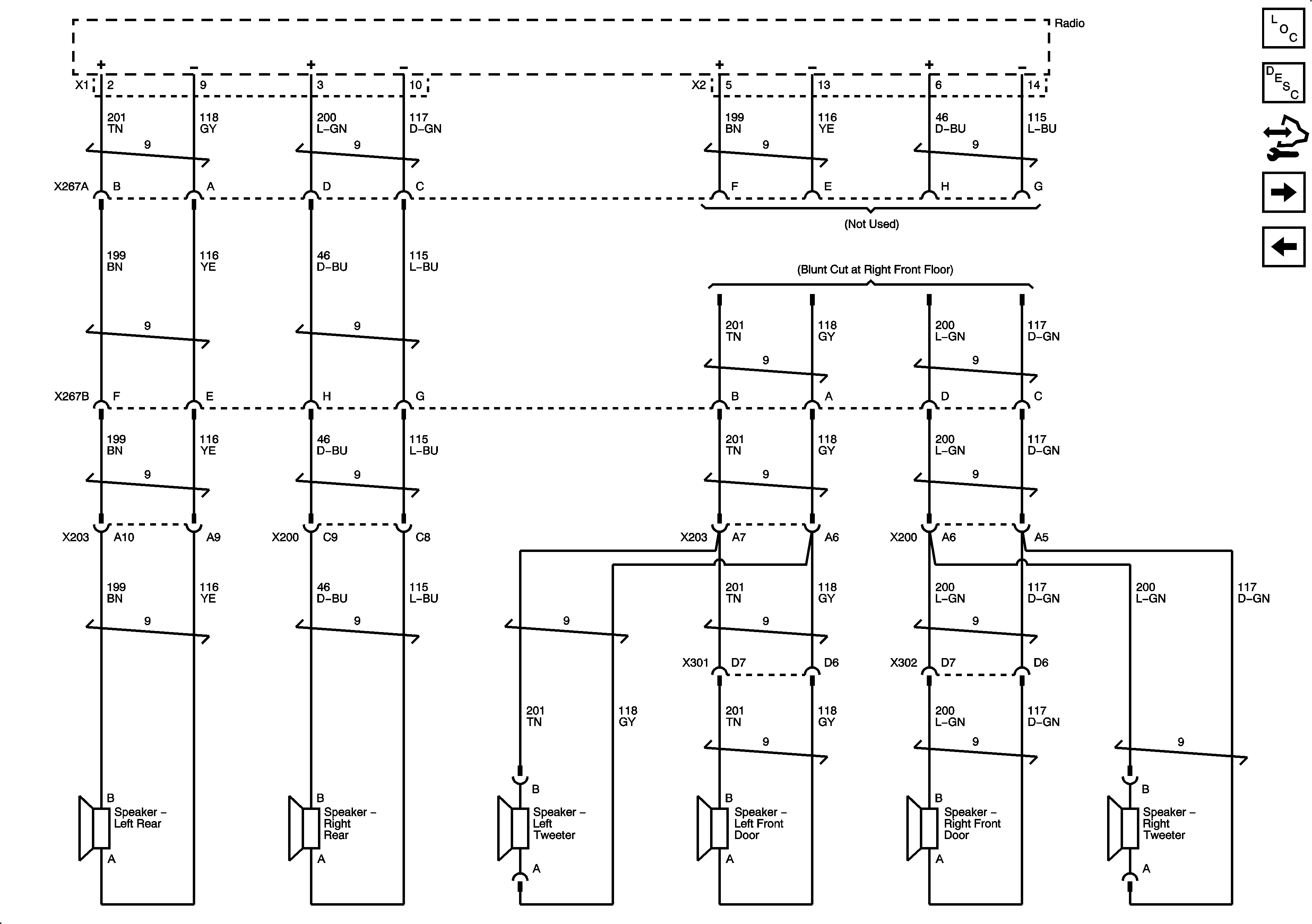
| Figure 6: |
Radio to Speakers - 9C1/9C3 and WX7
|
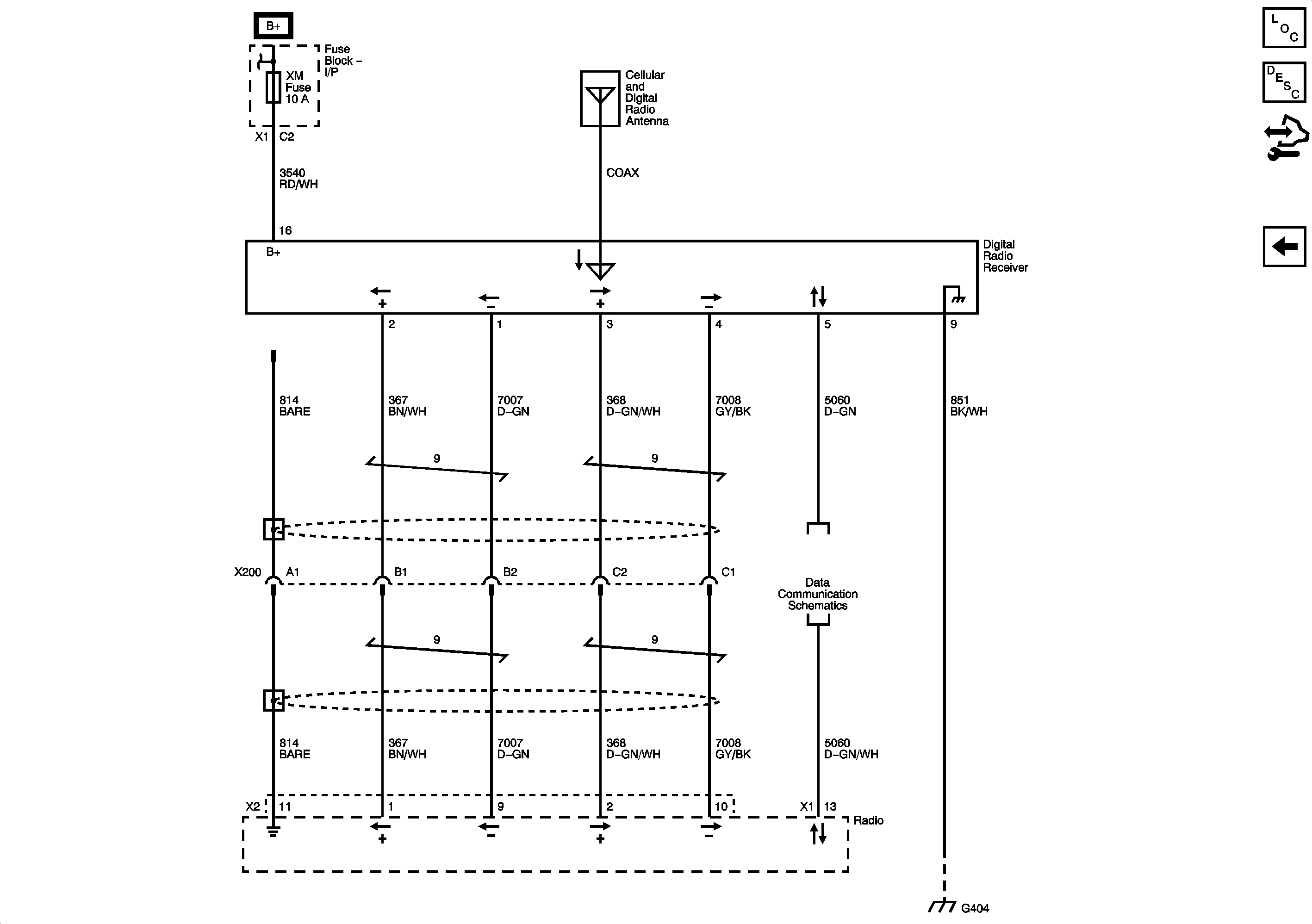
| Figure 7: |
Satellite Radio - U2K
|