GM Service Manual Online
For 1990-2009 cars only
Makes
🢒
Chevrolet
🢒
2008
🢒
Impala
🢒
Diagnostic Navigation
🢒
Vehicle Diagnostic Information
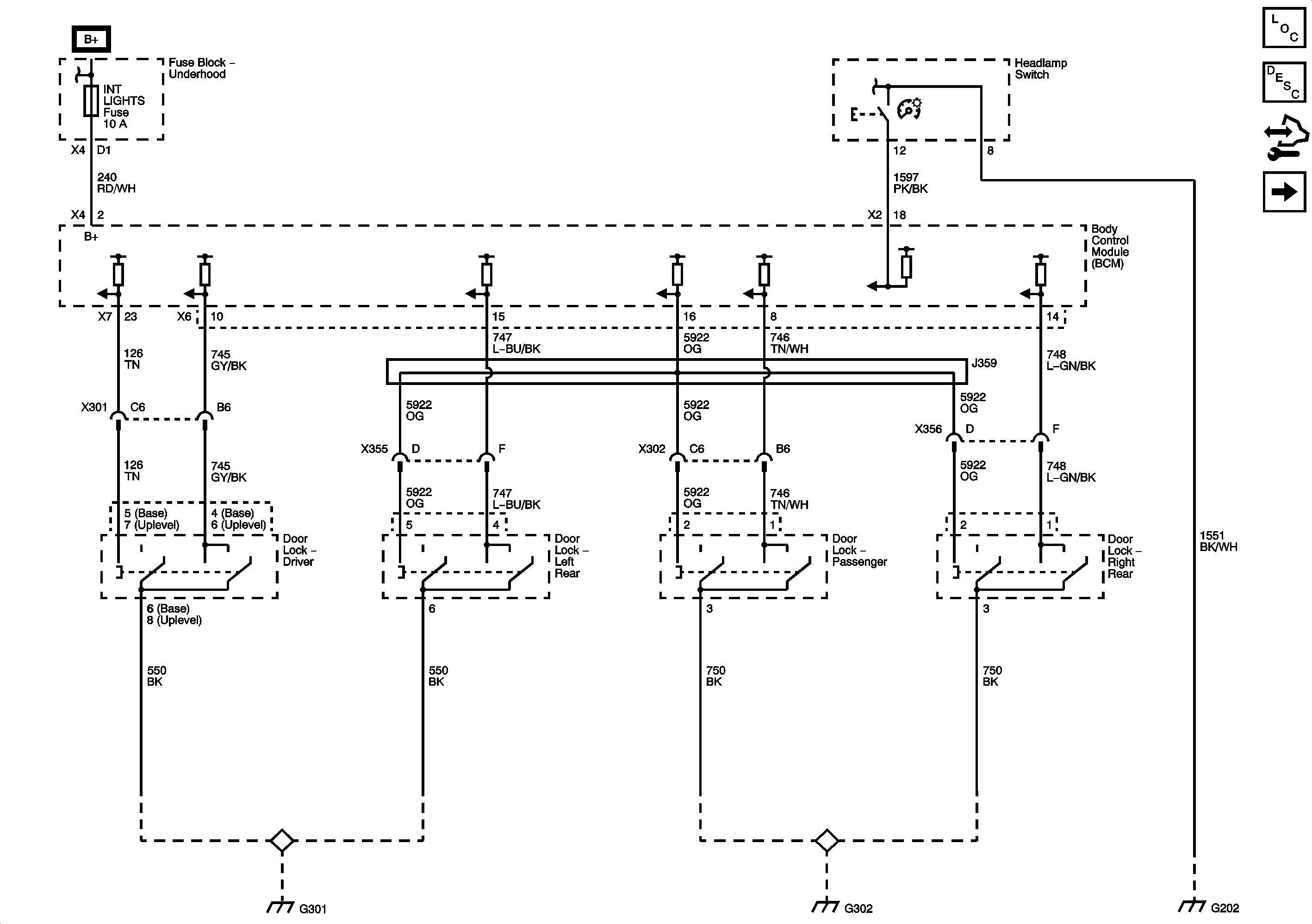
🢒 Interior Lights Schematics
Figure
1:
Switches
Master Electrical Component List
Interior Lighting Systems Description and Operation
Control Module References
Passenger Compartment Lights
Fuse Block - Underhood Bussing
ONSTAR, INT LTS/PNL DIM, LT T/SIG, RT T/SIG, CHMSL/BCK-UP, INT LIGHTS, RVC SEN, and ECM/TCM Fuses
G202, and G204
G301
G302
G202, and G204
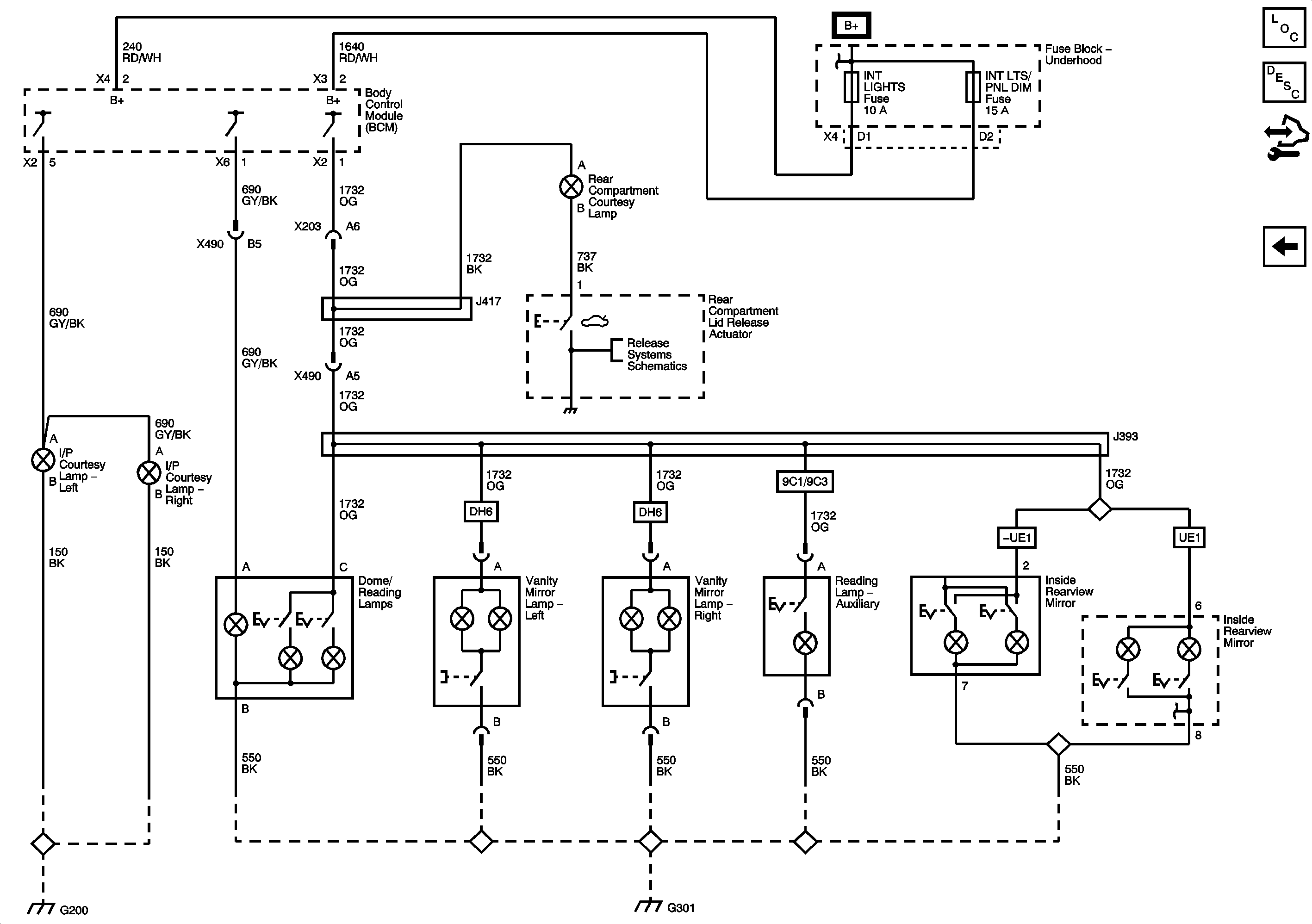
Figure
2:
Passenger Compartment Lights
Master Electrical Component List
Interior Lighting Systems Description and Operation
Control Module References
Switches
Fuse Block - Underhood Bussing
ONSTAR, INT LTS/PNL DIM, LT T/SIG, RT T/SIG, CHMSL/BCK-UP, INT LIGHTS, RVC SEN, and ECM/TCM Fuses
Release Systems Schematics
G200
G301
G301
Figure
3:
Rear Compartment Lights
Master Electrical Component List
Keyless Entry System Description and Operation (without Accessory 2 Way Remote)
Control Module References
Passenger Compartment Lights