GM Service Manual Online
For 1990-2009 cars only
Makes
🢒
Chevrolet
🢒
2008
🢒
Impala
🢒 Moveable Window Schematics
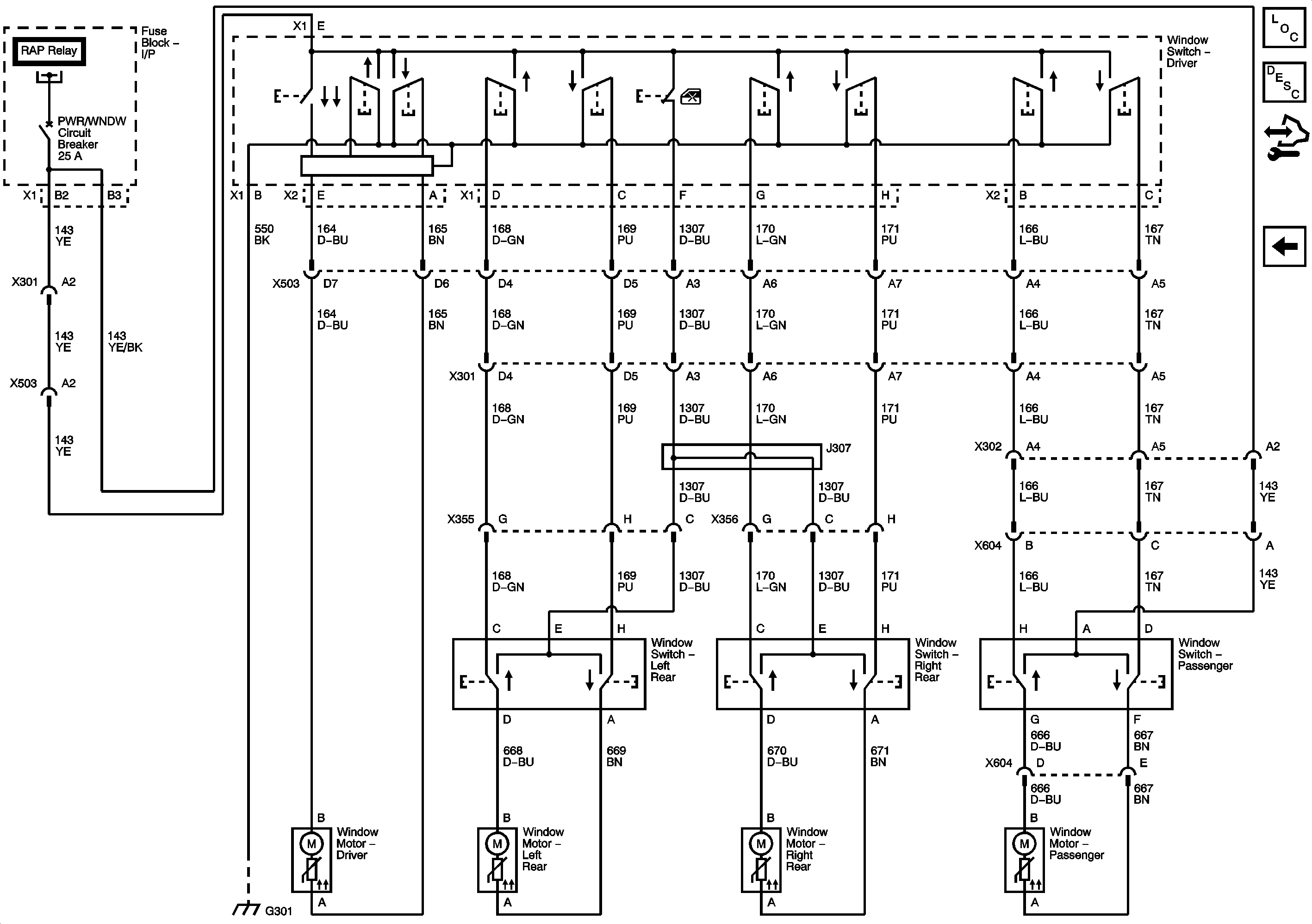
Moveable Window Schematics
Master Electrical Component List
Power Windows Description and Operation
Control Module References
S/ROOF, DR/LCK, RAP Fuses, and RAP Relay, DOOR UNLOCk PCB Relay - Driver, DOOR UNLOCK PCB Relay, and DOOR LOCK PCB Relay
G301