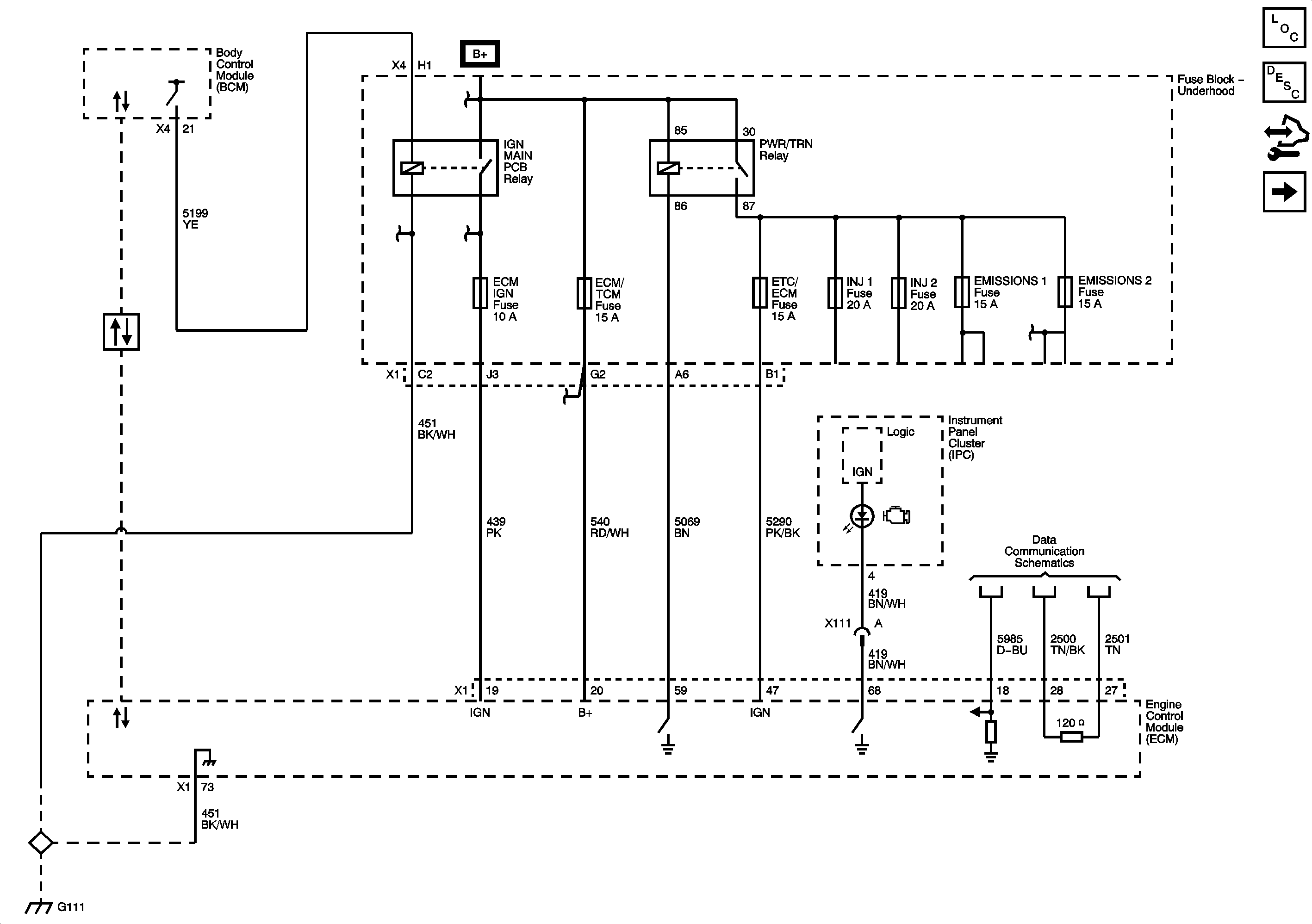
| Figure 1: |
ECM Power, Ground, MIL, and Serial Data
|
| Figure 2: |
5-Volt and Low Reference Bussing
|
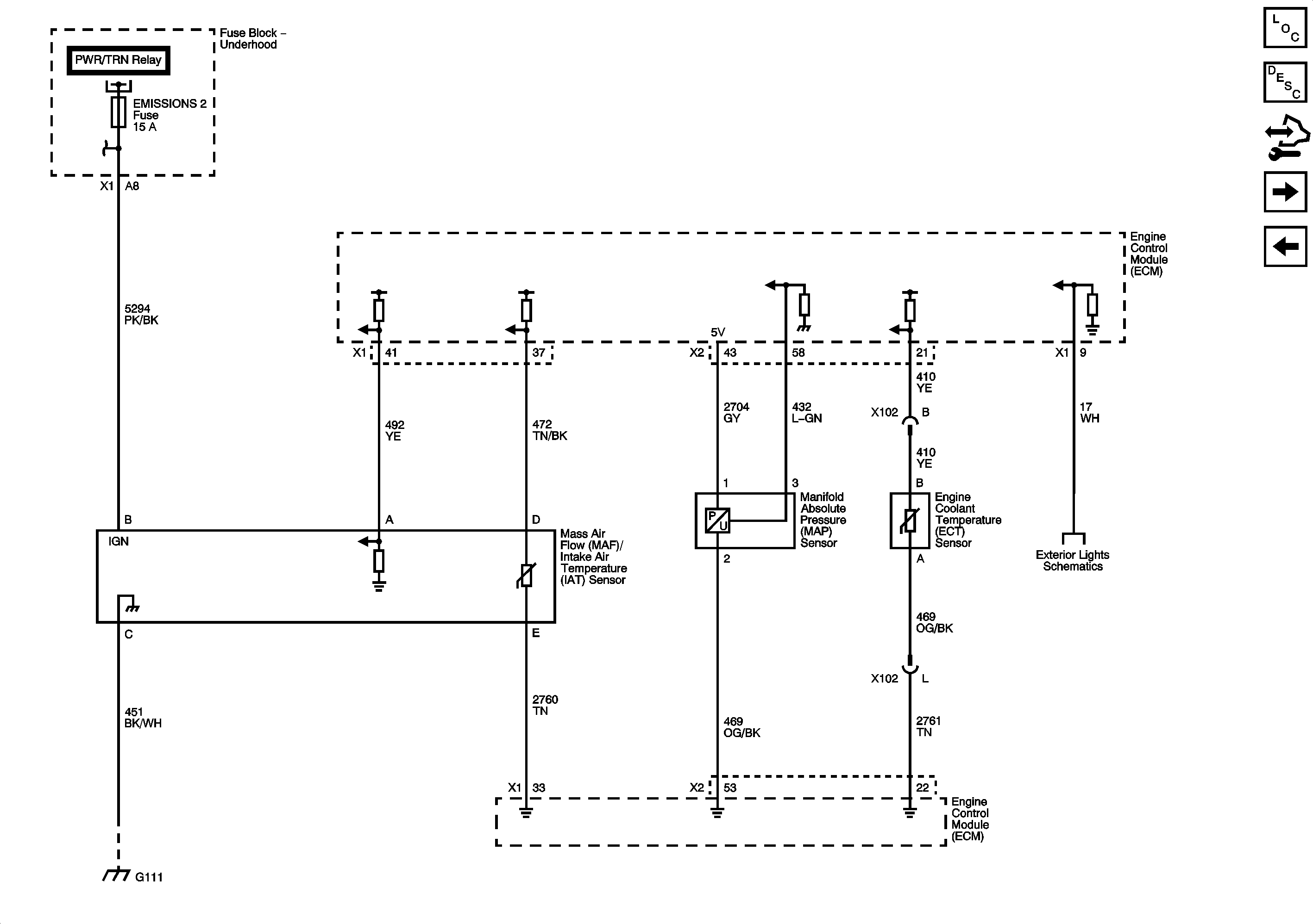
| Figure 3: |
MAF/IAT, MAP, and ECT Sensors
|
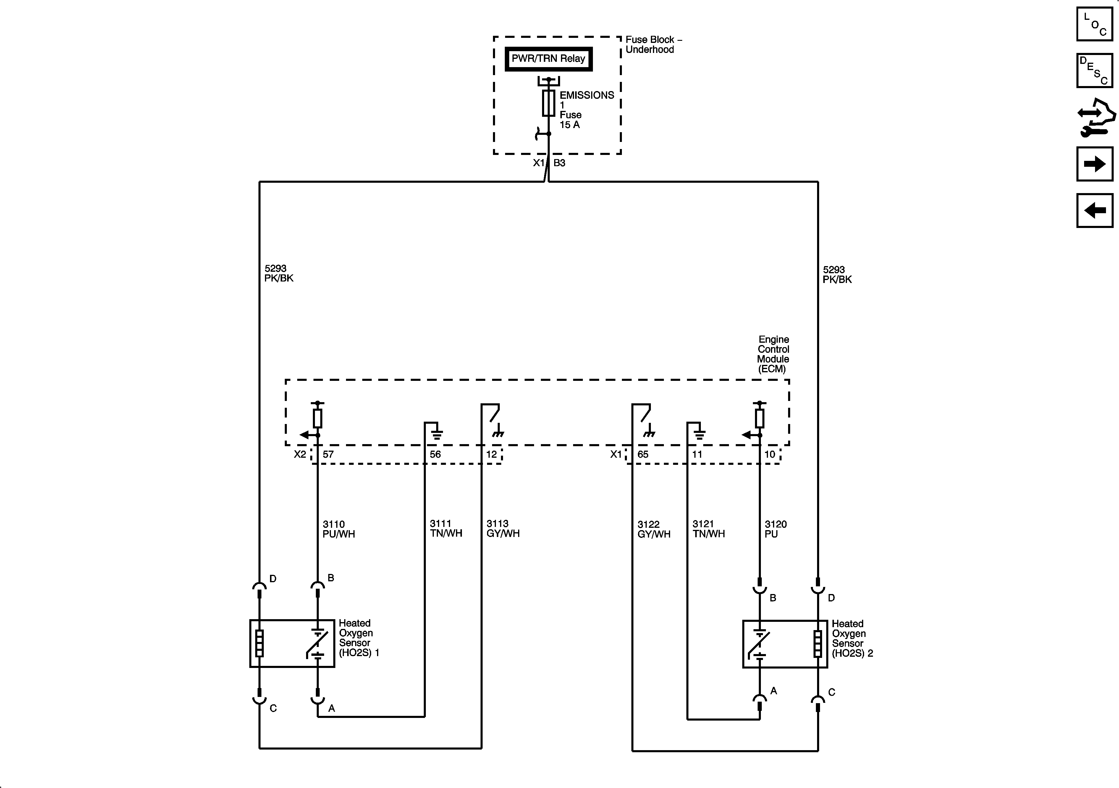
| Figure 4: |
Heated Oxygen Sensors
|
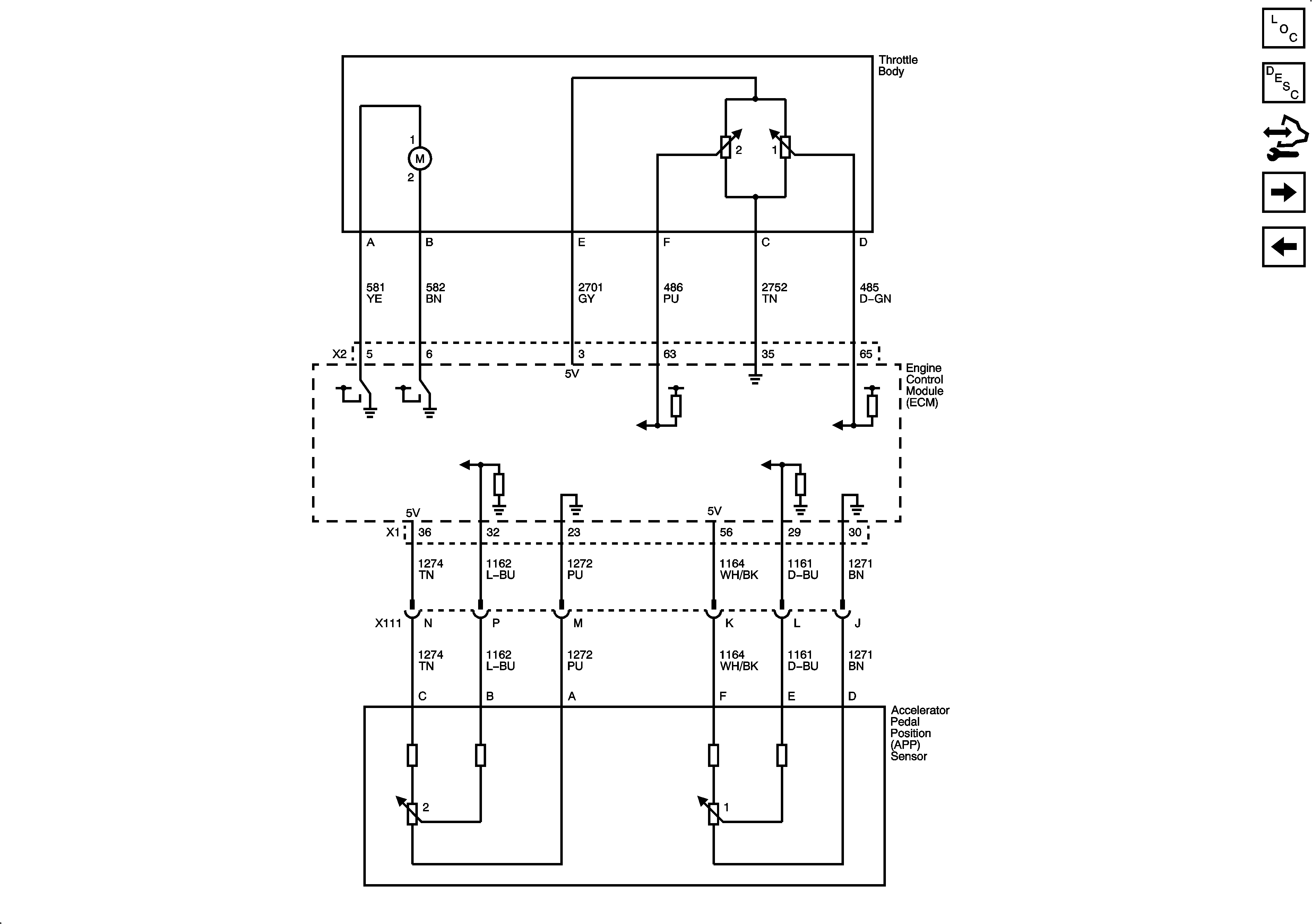
| Figure 5: |
Electronic Throttle Controls
|
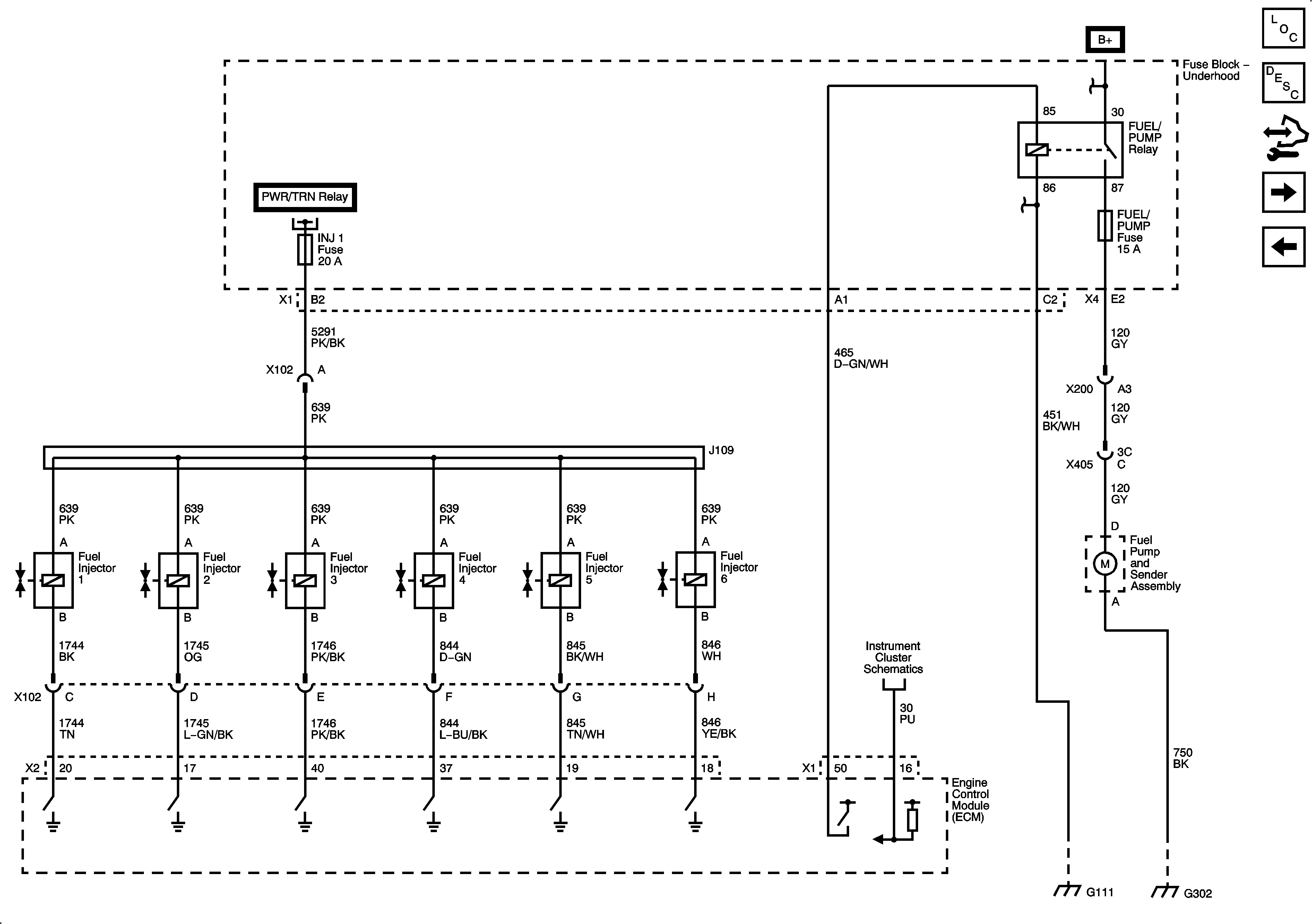
| Figure 6: |
Fuel Injectors
|
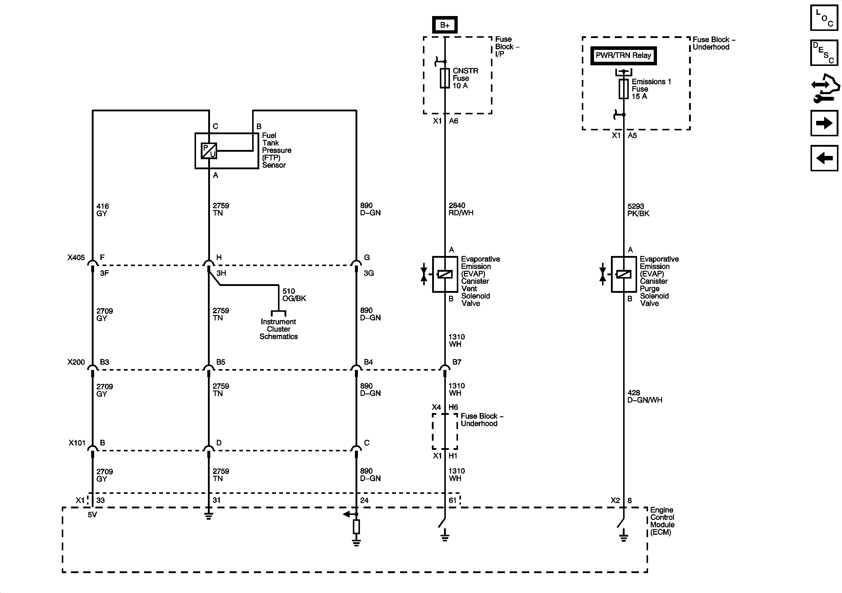
| Figure 7: |
EVAP Solenoids, FTP Sensor, and Fuel Pump Controls
|
| Figure 8: |
Ignition Control Module
|
| Figure 9: |
Camshaft, Crankshaft, Knock Sensors, and Camshaft Position Actuator Solenoid
|
| Figure 10: |
Controlled/Monitored Subsystem References
|