GM Service Manual Online
For 1990-2009 cars only
Makes
🢒
Chevrolet
🢒
2009
🢒
Impala
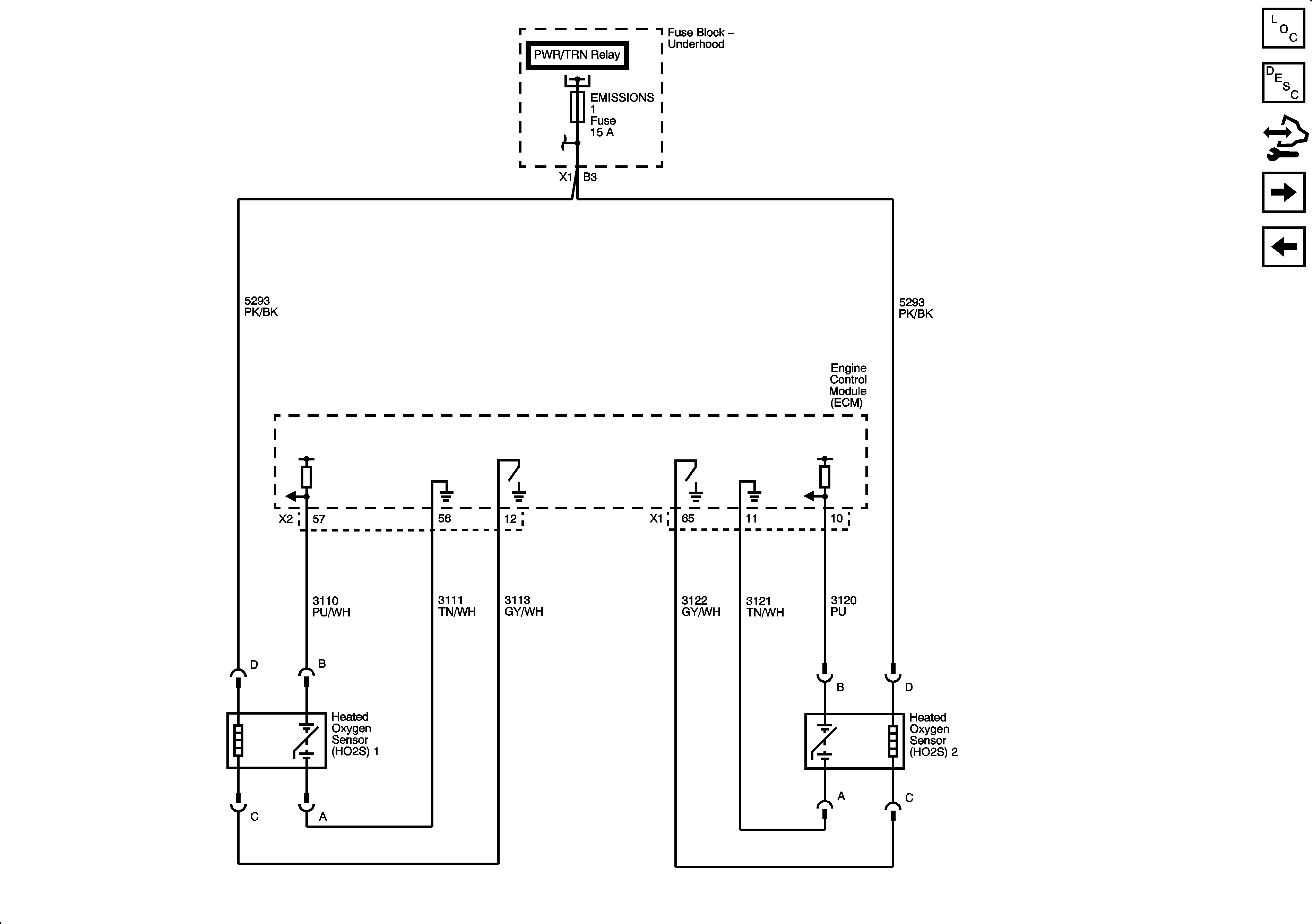
🢒 Heated Oxygen Sensors
Heated Oxygen Sensors
Heated Oxygen Sensors
Master Electrical Component List
Engine Control Module Description
Control Module References
Electronic Throttle Controls
MAF/IAT, MAP, and ECT Sensors
ECM Power, Ground, MIL, and Serial Data
EMISSIONS 1, EMISSIONS 2, A/C CMPRSR Fuses, and A/C CMPRSR, FAN 1, FAN 2, and FAN 3 Relays