GM Service Manual Online
For 1990-2009 cars only
Makes
🢒
Chevrolet
🢒
2009
🢒
Impala
🢒 Fuel Injectors and Fuel Pump Controls
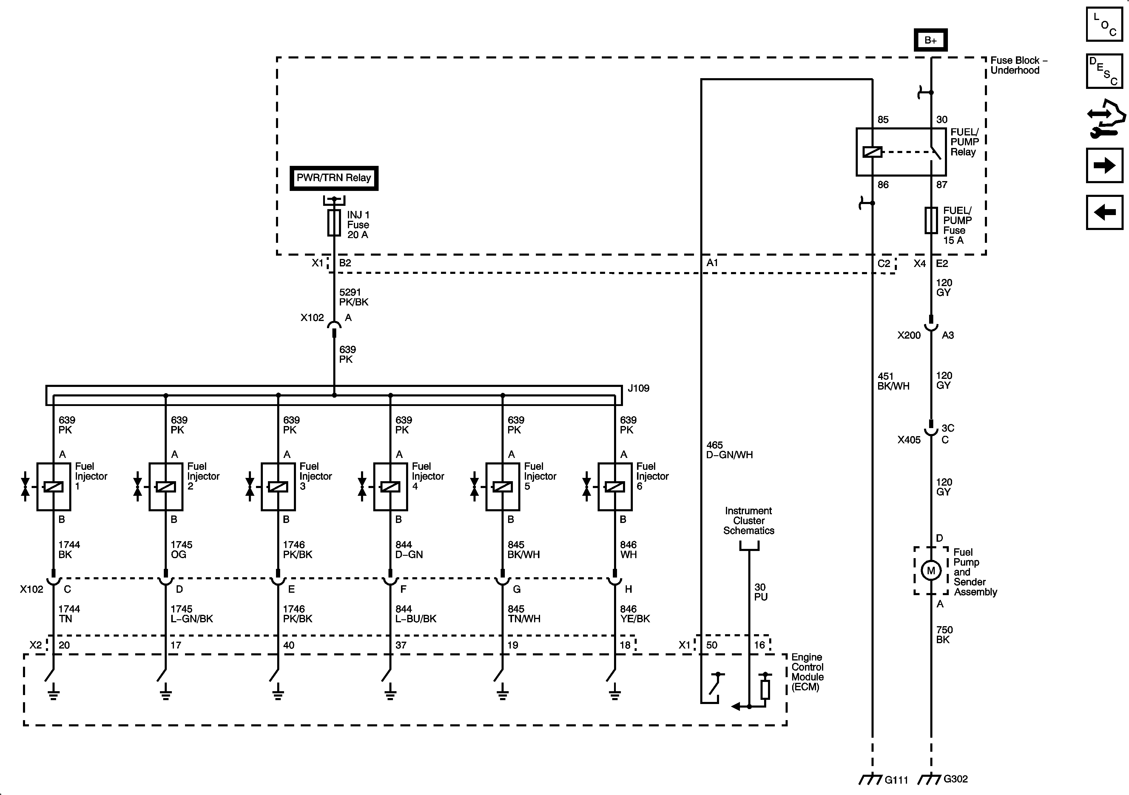
Fuel Injectors and Fuel Pump Controls
Fuel Injectors
Master Electrical Component List
Fuel System Description
Control Module References
EVAP Solenoids and FTP Sensor
Electronic Throttle Controls
ECM Power, Ground, MIL, and Serial Data
Fuse Block - Underhood Bussing
ECM IGN, TRANS, PWR DROP/CRNK, AIRBAG/DISPLAY, STRTR, FUEL/PUMP, and HORN Fuses
Power, Ground, and Gages
G101, G102, and G111
G101, G102, and G111
G302 (2 of 2)