GM Service Manual Online
For 1990-2009 cars only
Makes
🢒
Chevrolet
🢒
2009
🢒
Impala
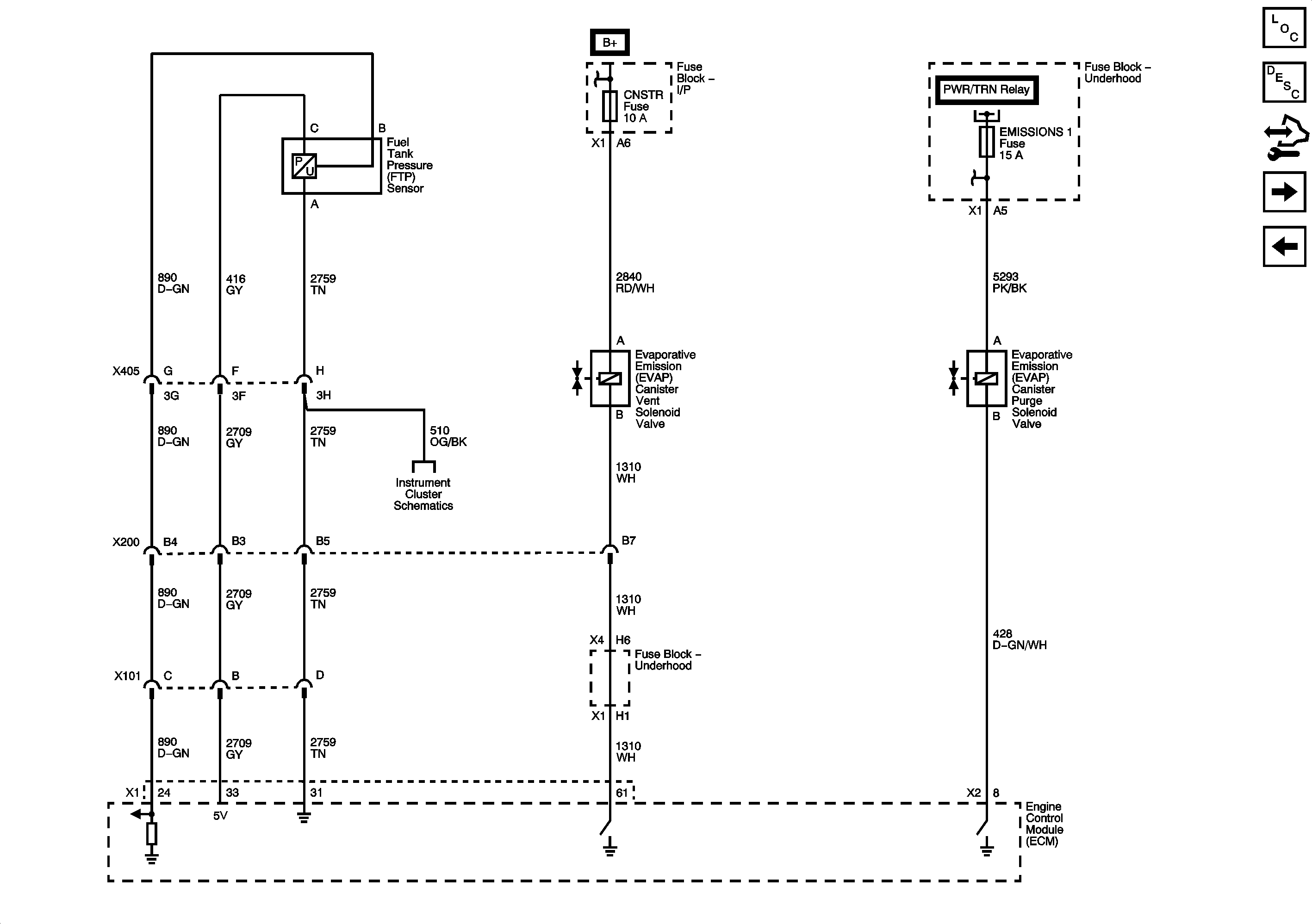
🢒 EVAP Solenoids and FTP Sensor
EVAP Solenoids and FTP Sensor
EVAP Solenoids, FTP Sensor, and Fuel Pump Controls
Master Electrical Component List
Evaporative Emission Control System Description
Control Module References
Ignition Control Module
Fuel Injectors and Fuel Pump Controls
BATT 1, CNSTR, XM, TRUNK, AMP, AUX Fuses, and TRUNK Relay
ECM Power, Ground, MIL, and Serial Data
EMISSIONS 1, EMISSIONS 2, A/C CMPRSR Fuses, and A/C CMPRSR, FAN 1, FAN 2, and FAN 3 Relays
Power, Ground, and Gages