GM Service Manual Online
For 1990-2009 cars only
Makes
🢒
Chevrolet
🢒
2009
🢒
Impala
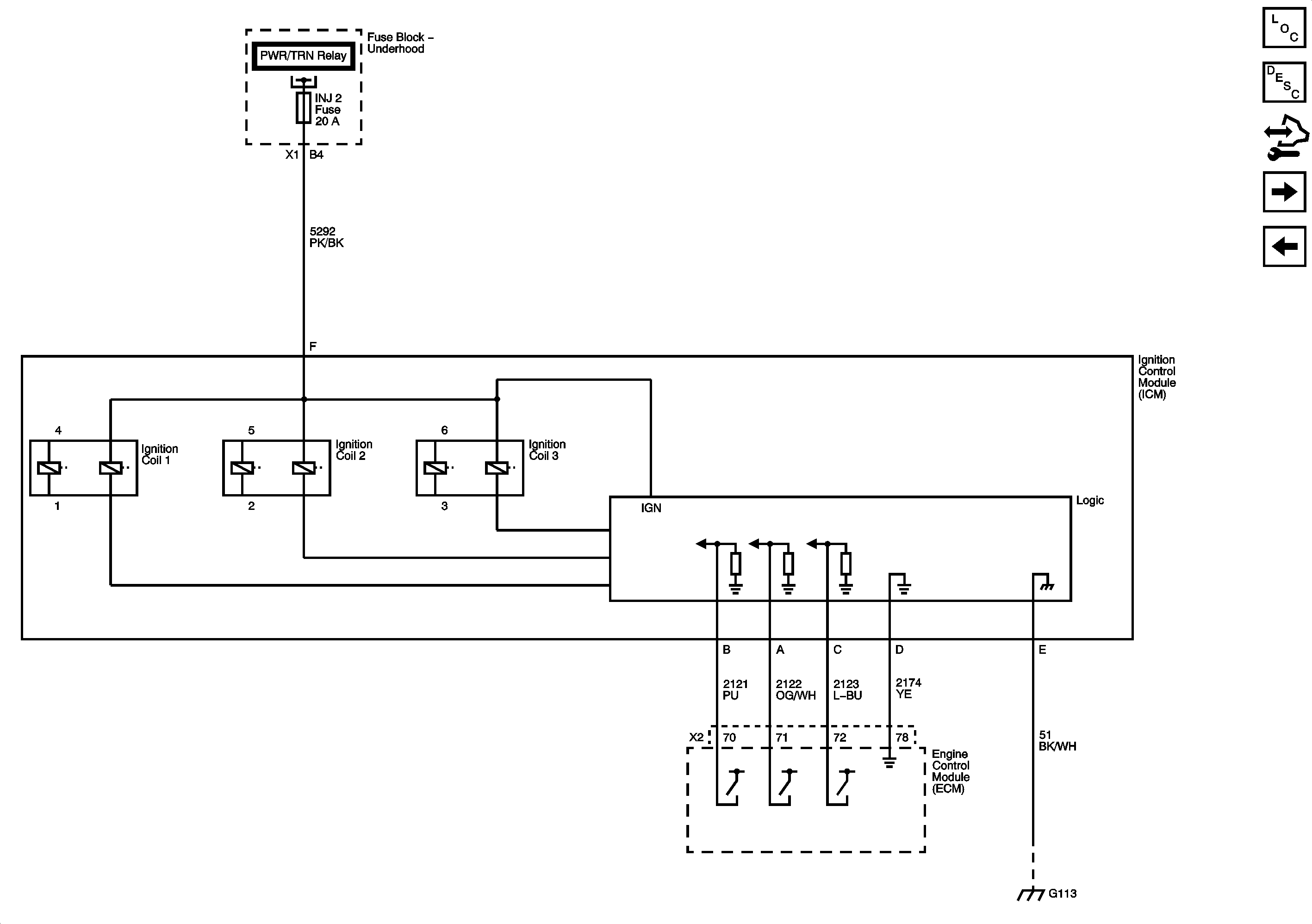
🢒 Ignition Control Module
Ignition Control Module
Ignition Control Module
Master Electrical Component List
Electronic Ignition (EI) System Description
Control Module References
Camshaft, Crankshaft, Knock Sensors, and Camshaft Position Actuator Solenoid
EVAP Solenoids and FTP Sensor
ECM Power, Ground, MIL, and Serial Data
G113, and G115