GM Service Manual Online
For 1990-2009 cars only
Makes
🢒
Chevrolet
🢒
2005
🢒
Kodiak C-Series Motorhome (Cutaway) C4/C5
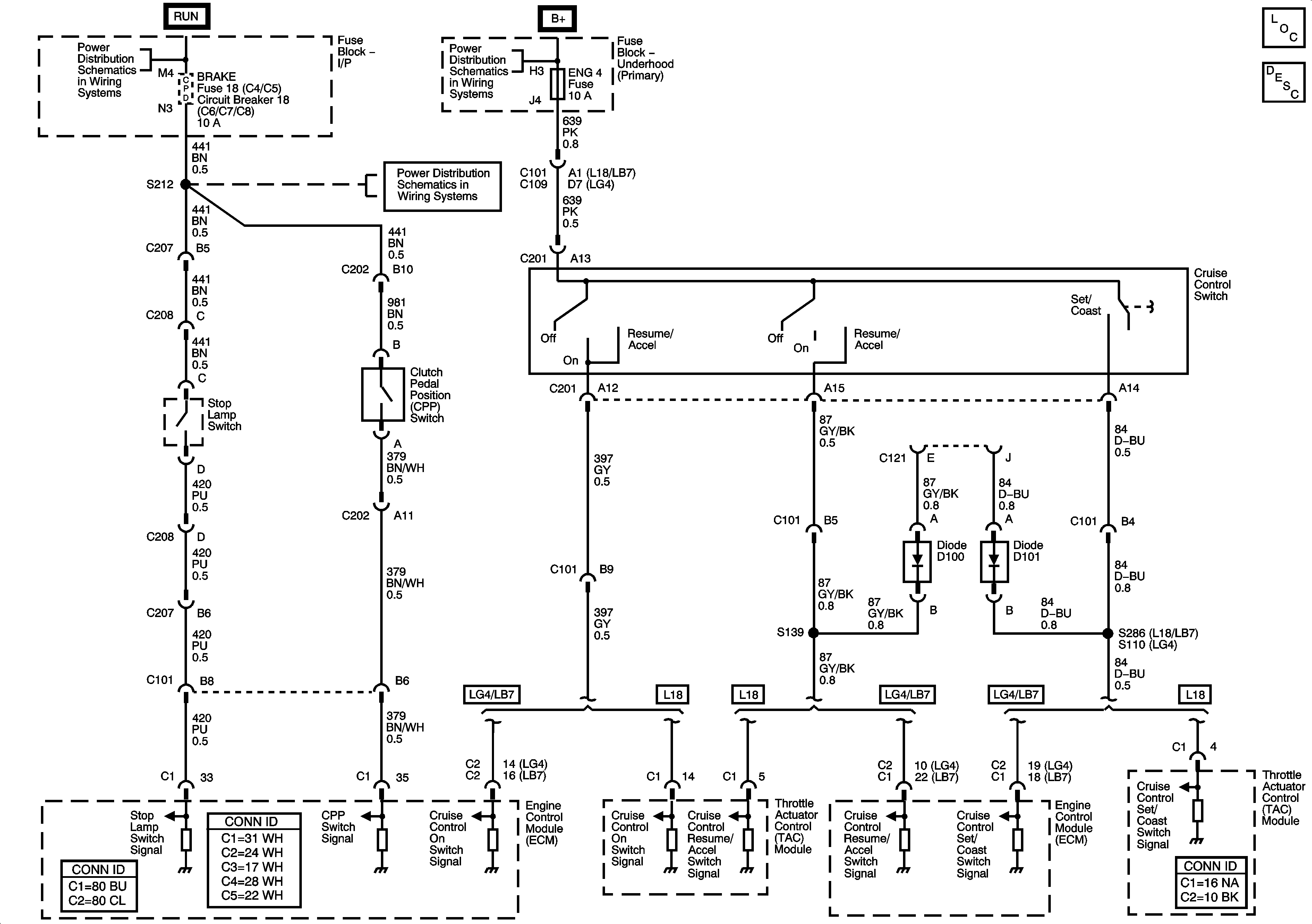
🢒 Cruise Control Switch (L18/LB7)
Cruise Control Switch (L18/LB7)
Cruise Control Switch - L18/LG4/LB7
Master Electrical Component List
Cruise Control Description and Operation (6.6L and 7.8L)
Ignition Switch, RUN and ACC/RUN Bus Bars
BRAKE, CHASSIS, HTR/AC, and AXLE/4WD Fuses/Circuit Breakers
Underhood Fuse Block, ENG4 and ENG1 Fuses (LG4/LG5)