GM Service Manual Online
For 1990-2009 cars only
Makes
🢒
Chevrolet
🢒
2005
🢒
Kodiak C-Series Motorhome (Cutaway) C4/C5
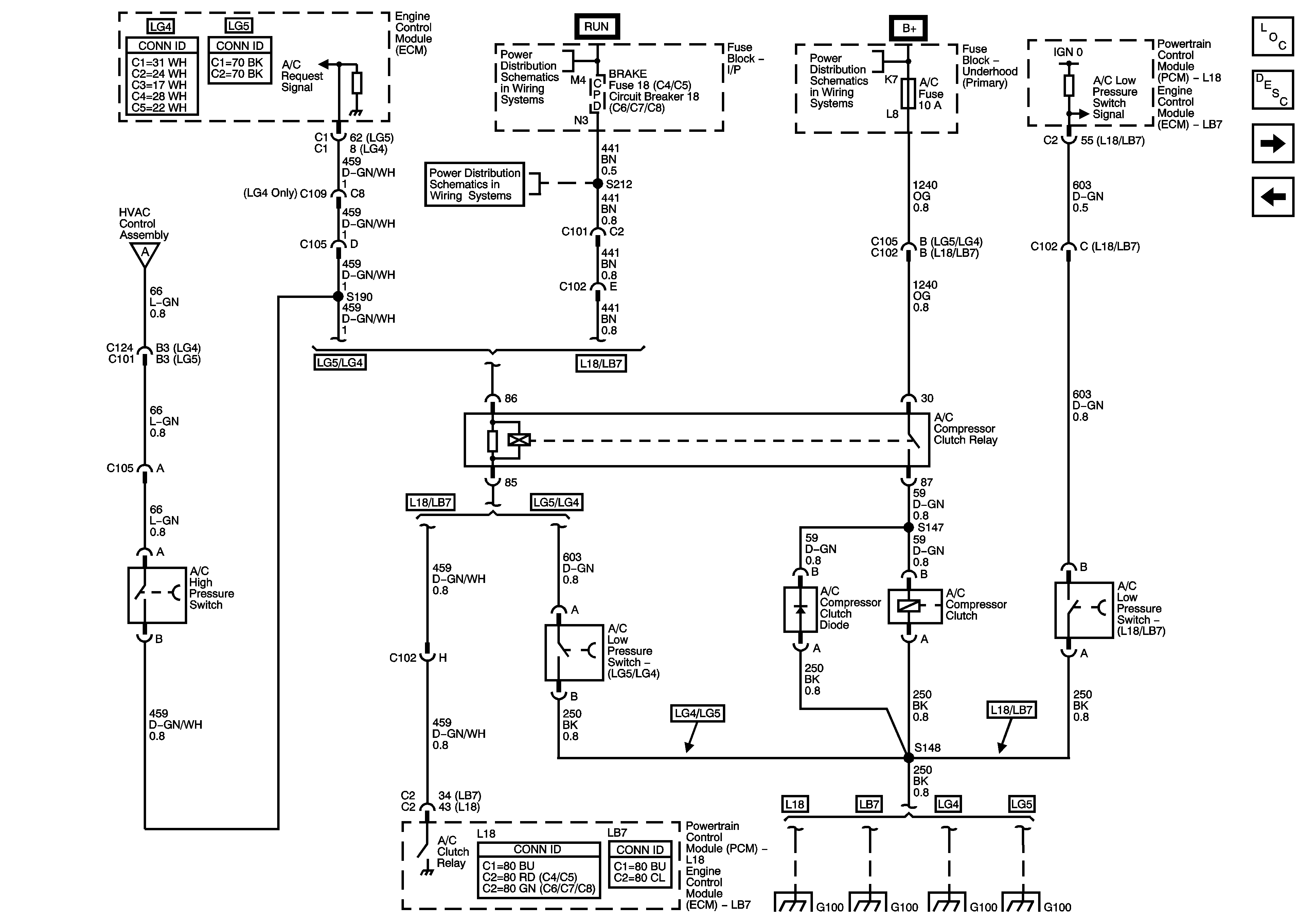
🢒 A/C Compressor Controls (C60)
A/C Compressor Controls (C60)
A/C Compressor Controls (C60)
Master Electrical Component List
Air Delivery Description and Operation
Auxiliary Controls (C36)
Blower Controls (C60)
Ignition Switch, RUN and ACC/RUN Bus Bars
B+ Bus Bar
BRAKE, CHASSIS, HTR/AC, and AXLE/4WD Fuses/Circuit Breakers
Blower Controls (C60)
G100 (L18)
G100 (LB7)
G100 (LG4)
G100 (LG5)