GM Service Manual Online
For 1990-2009 cars only
Makes
🢒
Chevrolet
🢒
2005
🢒
Kodiak C-Series Motorhome (Cutaway) C4/C5
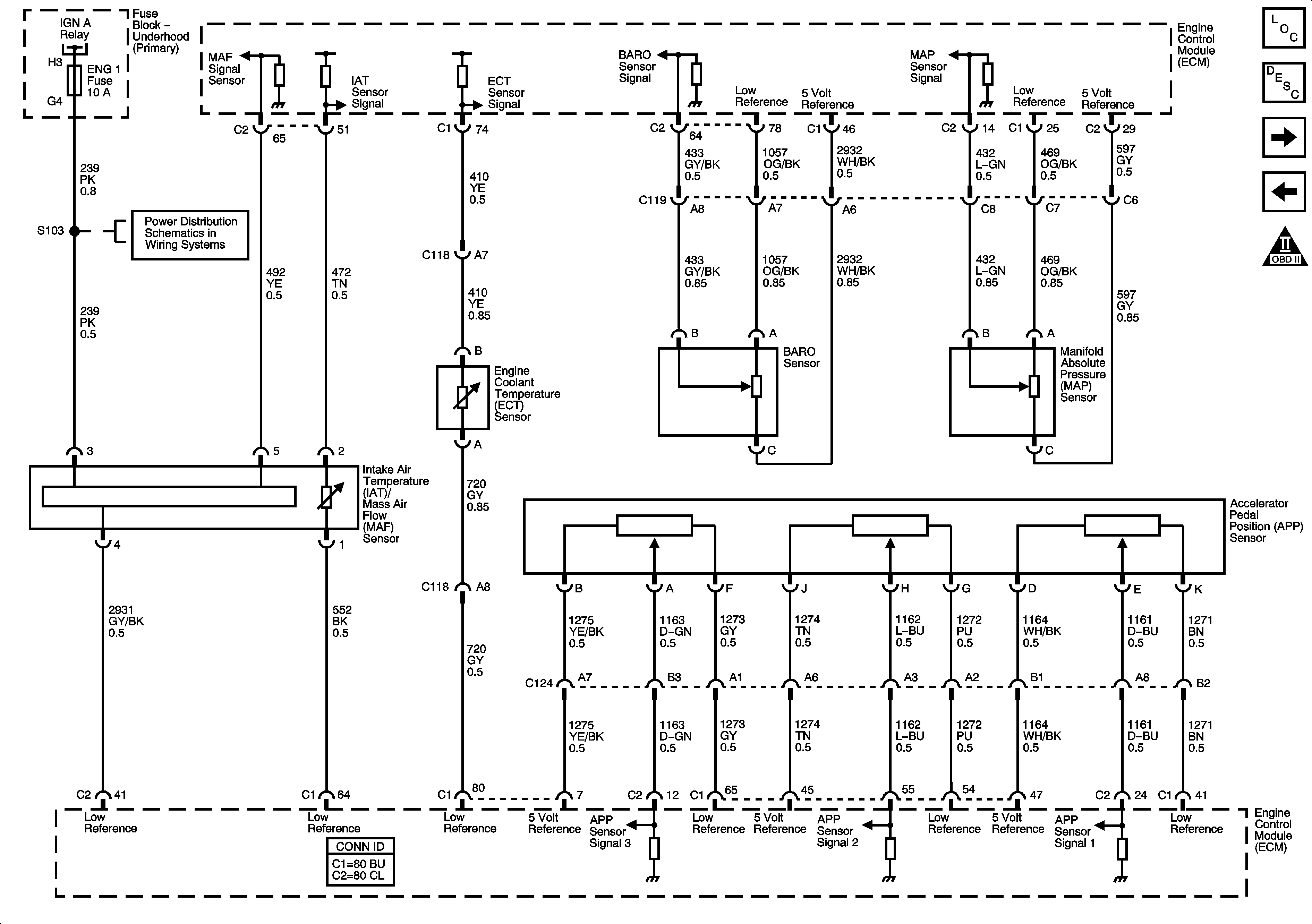
🢒 Engine Data Sensors - Pressure and Temperature
Engine Data Sensors - Pressure and Temperature
Engine Data Sensors - Pressure and Temperature
Master Electrical Component List
Engine Control Module Description
Engine Data Sensors - VSS
Engine Data Sensors - 5 Volt and Low Reference
Engine Controls Schematic Icons
Fuse Block - Underhood Ignition A and B Relays
Underhood Fuse Block, ENG 4 and ENG 1 Fuses (L18/LB7)