GM Service Manual Online
For 1990-2009 cars only
Makes
🢒
Chevrolet
🢒
2005
🢒
Kodiak C-Series Motorhome (Cutaway) C4/C5
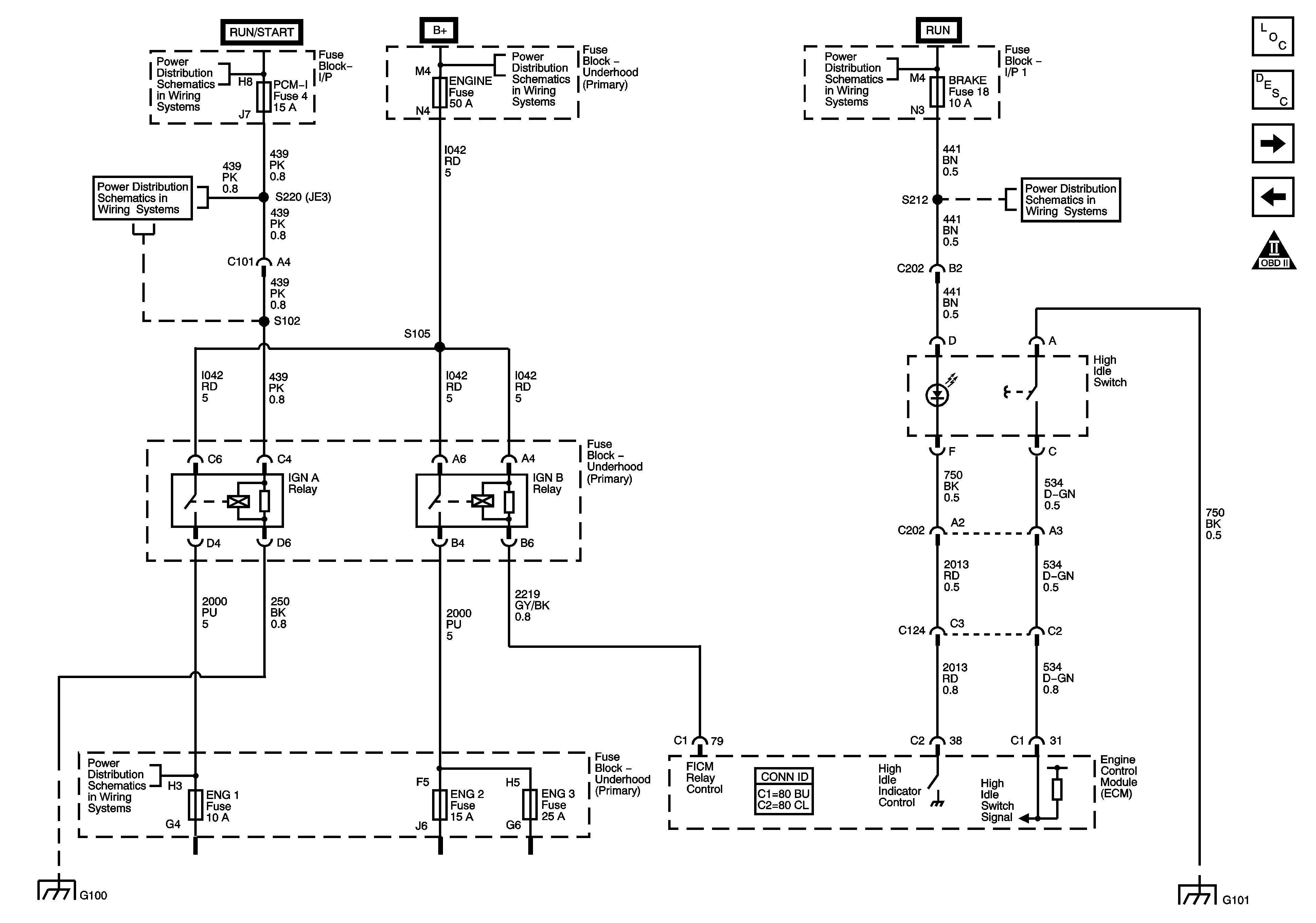
🢒 Fuse Block - Underhood Ignition A and B Relays
Fuse Block - Underhood Ignition A and B Relays
Fuse Block - Underhood Ignition A and B Relays
Master Electrical Component List
Engine Control Module Description
Engine Data Sensors - 5 Volt and Low Reference
Module Power, Ground, Serial Data, and MIL
Engine Controls Schematic Icons
Ignition Switch, OFF/RUN/START, RUN/START, and START Bus Bars
Underhood Fuse Block, ENGINE Fuse and I/P Fuse Block, PCM-I Fuse/Circuit Breaker
Ignition Switch, RUN and ACC/RUN Bus Bars
Underhood Fuse Block, ENGINE Fuse and I/P Fuse Block, PCM-I Fuse/Circuit Breaker
BRAKE, CHASSIS, HTR/AC, and AXLE/4WD Fuses/Circuit Breakers
Underhood Fuse Block, ENG 4 and ENG 1 Fuses (L18/LB7)
G100 (L18)
G101 - 1 of 2