GM Service Manual Online
For 1990-2009 cars only
Makes
🢒
Chevrolet
🢒
2005
🢒
Kodiak C-Series Motorhome (Cutaway) C4/C5
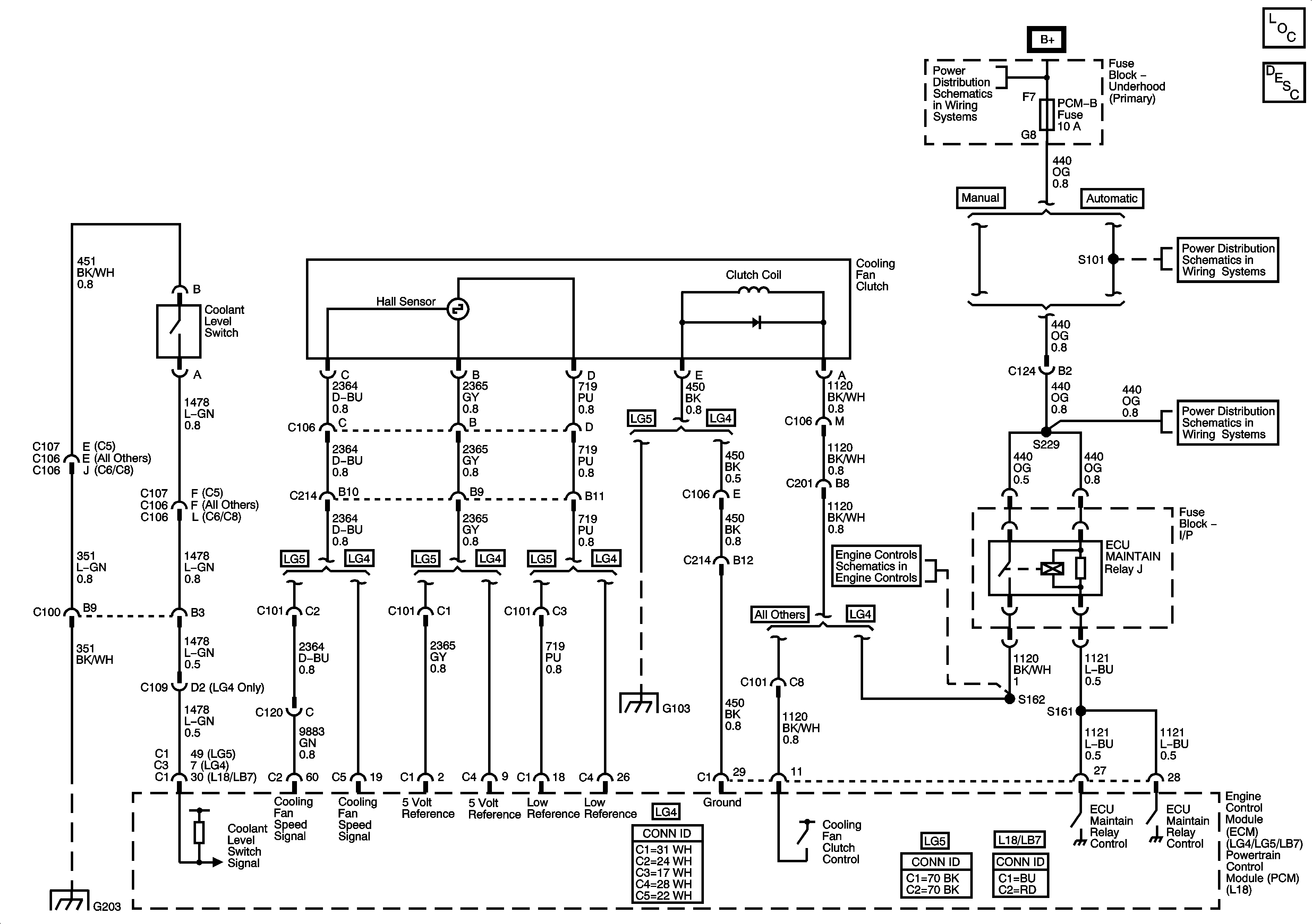
🢒 Electronic Fan Controls, Coolant Level Switch
Electronic Fan Controls, Coolant Level Switch
Electronic Fan Motor, Coolant Level Switch
Master Electrical Component List
Cooling System Description and Operation
B+ Bus Bar
Underhood Fuse Block, PCM-B, HTD FUEL, A/C COMP, and RR DEFOG Fuses
Underhood Fuse Block, PCM-B, HTD FUEL, A/C COMP, and RR DEFOG Fuses
Module Power, Ground, Serial Data, and MIL
G203 - 2 of 4
G103 - 1 of 2, G105, and G106