GM Service Manual Online
For 1990-2009 cars only
Makes
🢒
Chevrolet
🢒
2005
🢒
Kodiak C-Series Motorhome (Cutaway) C4/C5
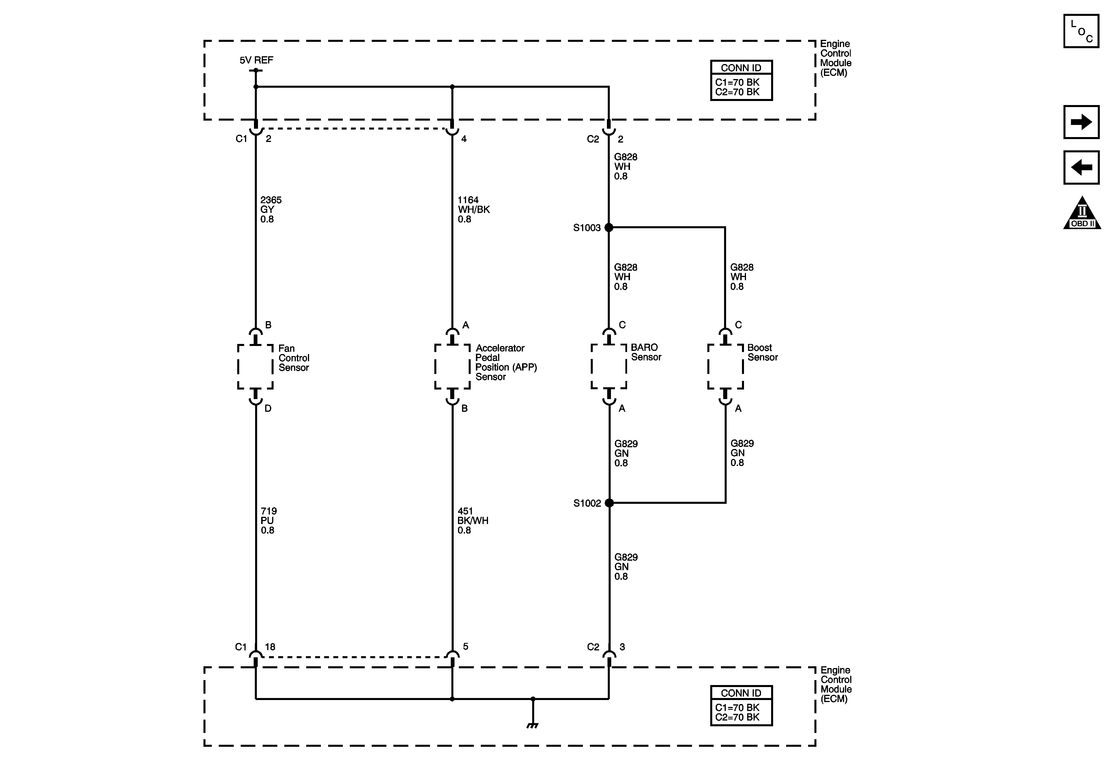
🢒 Engine Data Sensors - 5 Volt and Low Reference
Engine Data Sensors - 5 Volt and Low Reference
Engine Data Sensors - 5-Volt and Low Reference
Master Electrical Component List
Engine Data Sensors - Pressure and Temperature
Module Power, Ground, Serial Data, and MIL
Engine Controls Schematic Icons