GM Service Manual Online
For 1990-2009 cars only
Figure 1:

Starter Control (LG4/LG5)


Object Number: 1737347  Size: FS
Master Electrical Component List
Starting System Description and Operation
Starter and Charging System (LG4/LG5)
START and TRANS Fuses/Circuit Breakers
B+ Bus Bar
Ignition Switch - OFF/RUN/START, RUN/START and START Bus Bars
G100 (LG4)
G100 (LG5)
Starter and Charging System (LG4/LG5)
Figure 2:

Starter and Charging System (LG4/LG5)


Object Number: 1737348  Size: FS
Master Electrical Component List
Charging System Description and Operation
Starting System (L18/LB7/LLY)
Starter Control (LG4/LG5)
Starter Control (LG4/LG5)
B+ Bus Bar
Ignition Switch - OFF/RUN/START, RUN/START and START Bus Bars
GAUGES, L-RR TRUCK, R-RR TRUCK, and SIR Fuses/Circuit Breakers
Driver Information Center (DIC)
Starter Control (LG4/LG5)
G200, G202, and G203 - 1 of 4
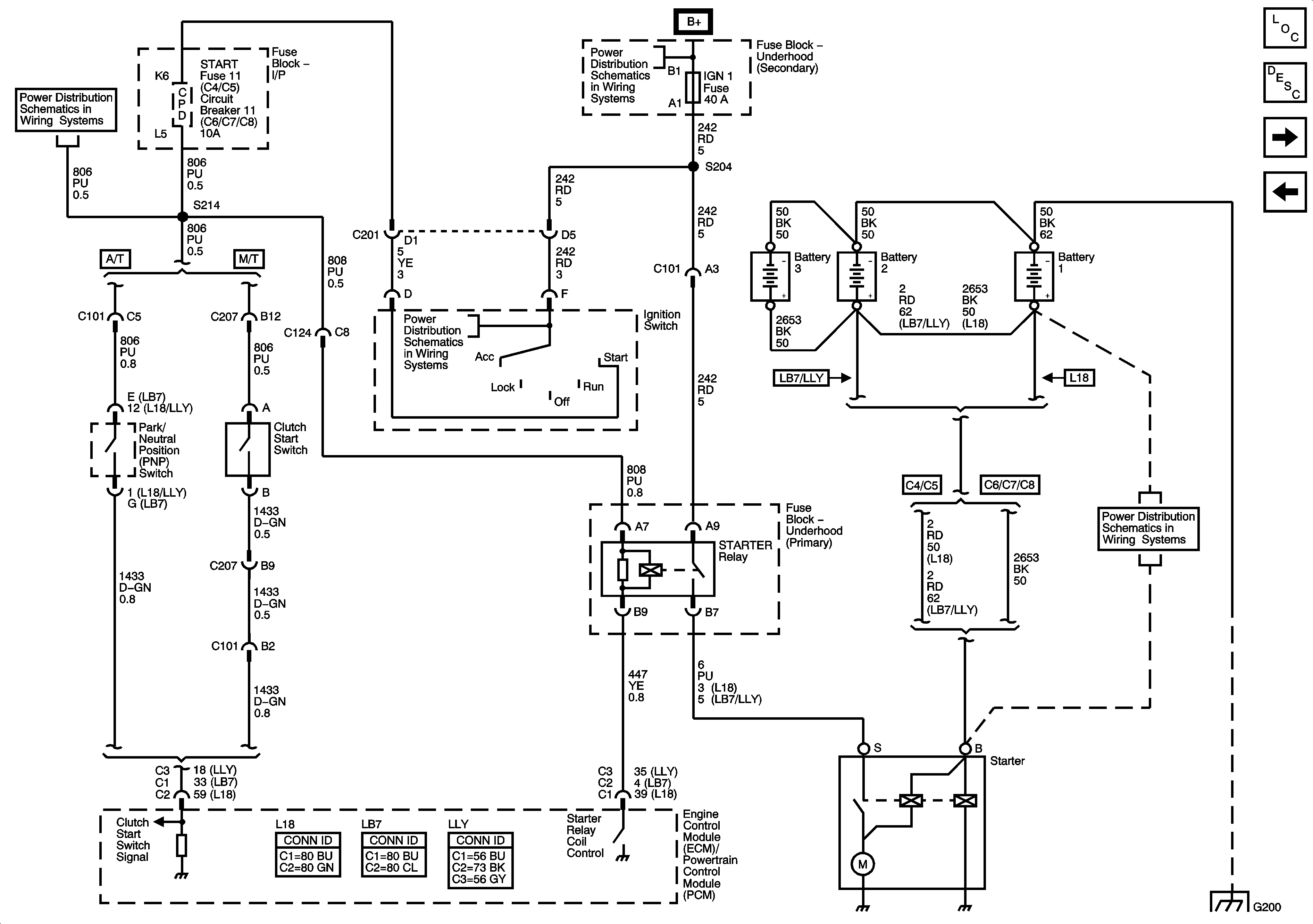
Figure 3:

Starting System (L18/LB7/LLY)


Object Number: 1477791  Size: FS
Master Electrical Component List
Starting System Description and Operation
Charging System (L18/LB7/LLY)
Starter and Charging System (LG4/LG5)
START and TRANS Fuses/Circuit Breakers
B+ Bus Bar
Ignition Switch - OFF/RUN/START, RUN/START and START Bus Bars
B+ Bus Bar
G200, G202, and G203 - 1 of 4
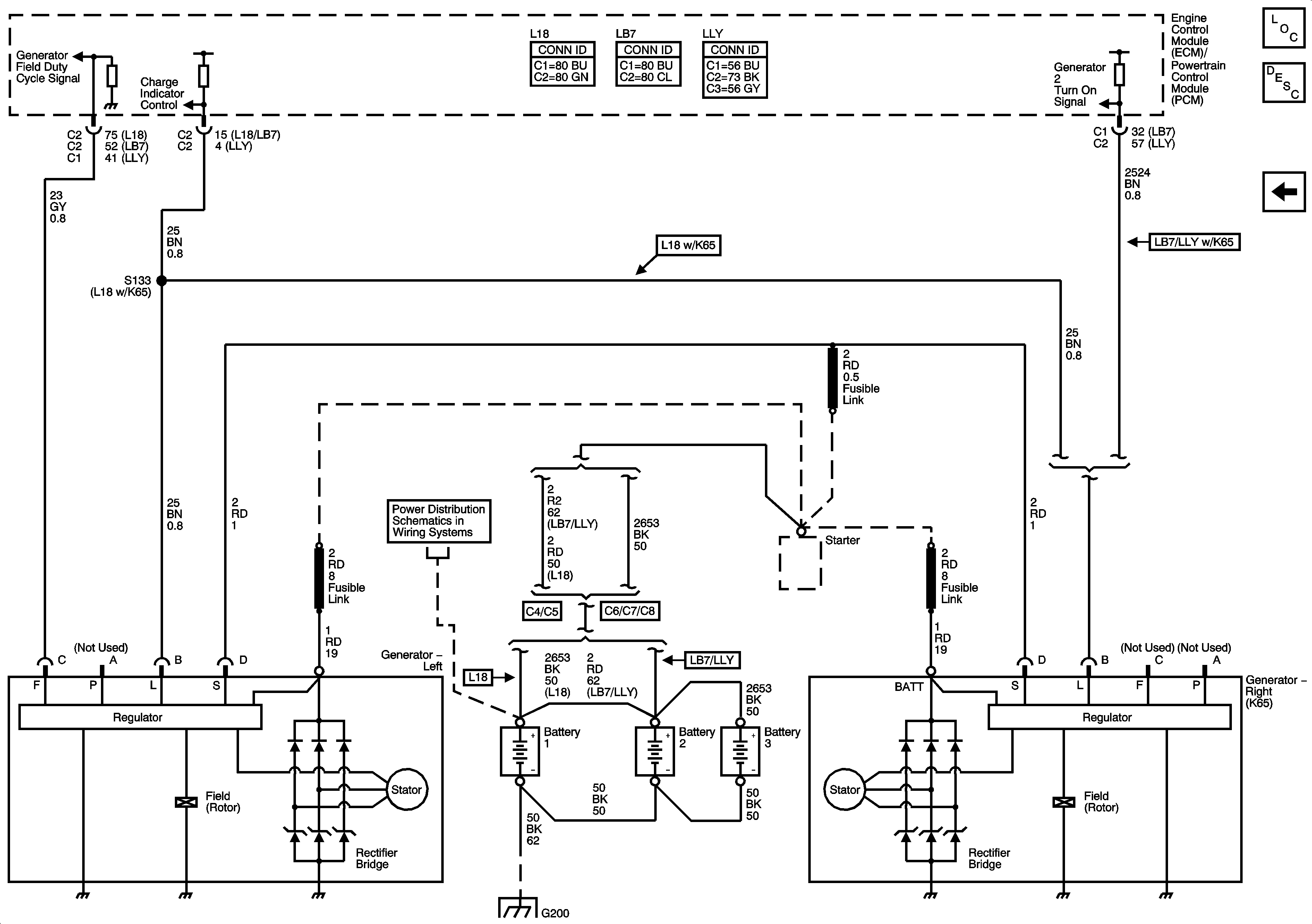
Figure 4:

Charging System (L18/LB7/LLY)


Object Number: 1477800  Size: FS
Master Electrical Component List
Charging System Description and Operation
Starting System (L18/LB7/LLY)
B+ Bus Bar
G200, G202, and G203 - 1 of 4