GM Service Manual Online
For 1990-2009 cars only
Figure 1:

Module Power, Ground, Serial Data, and MIL


Object Number: 808232  Size: FS
Master Electrical Component List
Engine Control Module Description
Fuse Block - Underhood Ignition A and B Relays
Engine Controls Schematic Icons
B+ Bus Bar
Ignition Switch - OFF/RUN/START, RUN/START and START Bus Bars
Ignition Switch - OFF/RUN/START, RUN/START and START Bus Bars
A/C COMP, HTD FUEL, PCM-B, and RR DEFOG Fuses
START and TRANS Fuses/Circuit Breakers
ENGINE and PCM-I Fuses/Circuit Breakers
GAUGES, L-RR TRUCK, R-RR TRUCK, and SIR Fuses/Circuit Breakers
Power and Indicators
START and TRANS Fuses/Circuit Breakers
ENGINE and PCM-I Fuses/Circuit Breakers
J1939 Serial Data (L65/L18/LG4/LC8) - 2 of 2
Splice Pack SP203 (L18/LB7/LG4/LLY)
G203 - 2 of 4
Figure 2:

Fuse Block - Underhood Ignition A and B Relays


Object Number: 808277  Size: FS
Master Electrical Component List
Engine Control Module Description
Engine Data Sensors - 5 volt and Low Reference
Module Power, Ground, Serial Data, and MIL
Engine Controls Schematic Icons
Ignition Switch - OFF/RUN/START, RUN/START and START Bus Bars
B+ Bus Bar
Ignition Switch - RUN and ACC/RUN Bus Bars
ENGINE and PCM-I Fuses/Circuit Breakers
AXLE/4WD, BRAKE, CHASSIS, and HTR/AC Fuses/Circuit Breakers
ENG 1 and ENG 4 Fuses (L18/LB7)
G100 (LB7)
G101 - 1 of 2
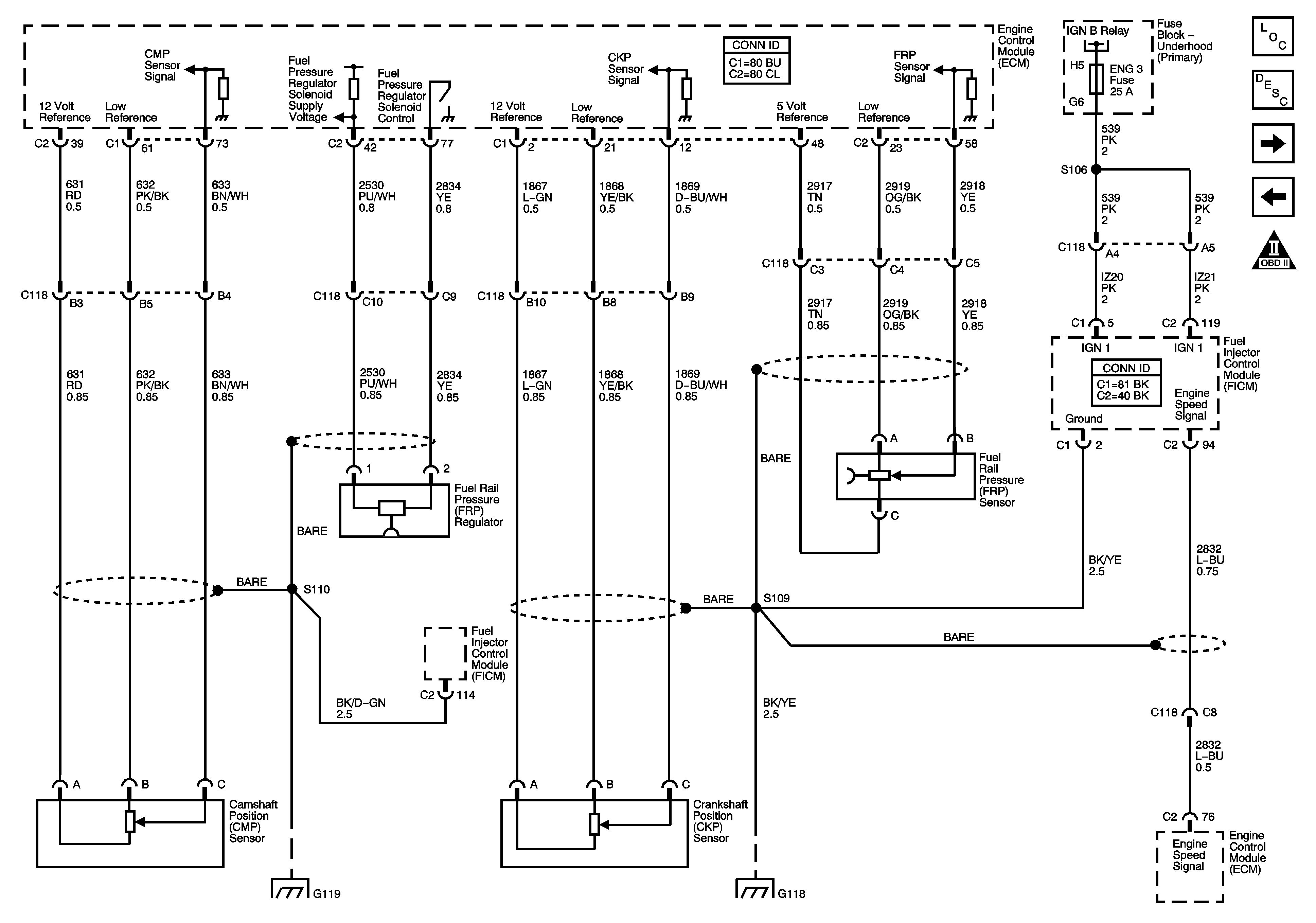
Figure 3:

Engine Data Sensors - 5-Volt and Low Reference


Object Number: 808275  Size: FS
Master Electrical Component List
Accelerator Pedal Position System Description
Engine Data Sensors - Pressure and Temperature
Fuse Block - Underhood Ignition A and B Relays
Engine Controls Schematic Icons
Figure 4:

Engine Data Sensors - Pressure and Temperature


Object Number: 808290  Size: FS
Master Electrical Component List
Accelerator Pedal Position System Description
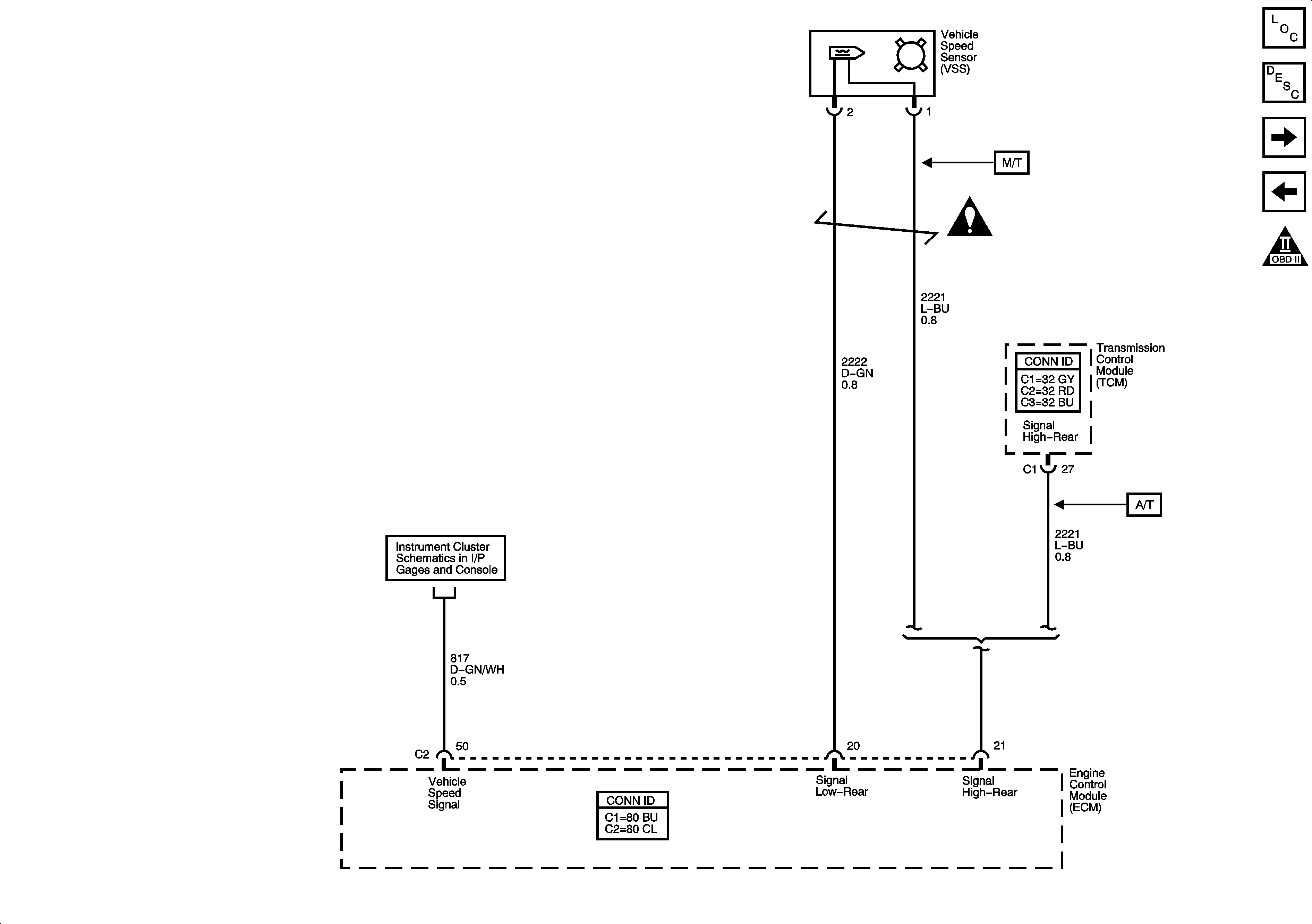
Engine Data Sensors - VSS
Engine Data Sensors - 5 volt and Low Reference
Engine Controls Schematic Icons
Fuse Block - Underhood Ignition A and B Relays
ENG 1 and ENG 4 Fuses (L18/LB7)
Figure 5:

Engine Data Sensors - VSS


Object Number: 830964  Size: FS
Master Electrical Component List
Fuel System Description
Engine Data Sensors - Injection Timing Controls
Engine Data Sensors - Pressure and Temperature
Engine Controls Schematic Icons
Engine Controls Schematic Icons
Ground and Gages
Figure 6:

Engine Data Sensors - Injection Timing Controls


Object Number: 808283  Size: FS
Master Electrical Component List
Fuel System Description
Engine Data Sensors - Glow Plug Controls
Engine Data Sensors - VSS
Engine Controls Schematic Icons
Fuse Block - Underhood Ignition A and B Relays
G118, G119, and G120
G118, G119, and G120
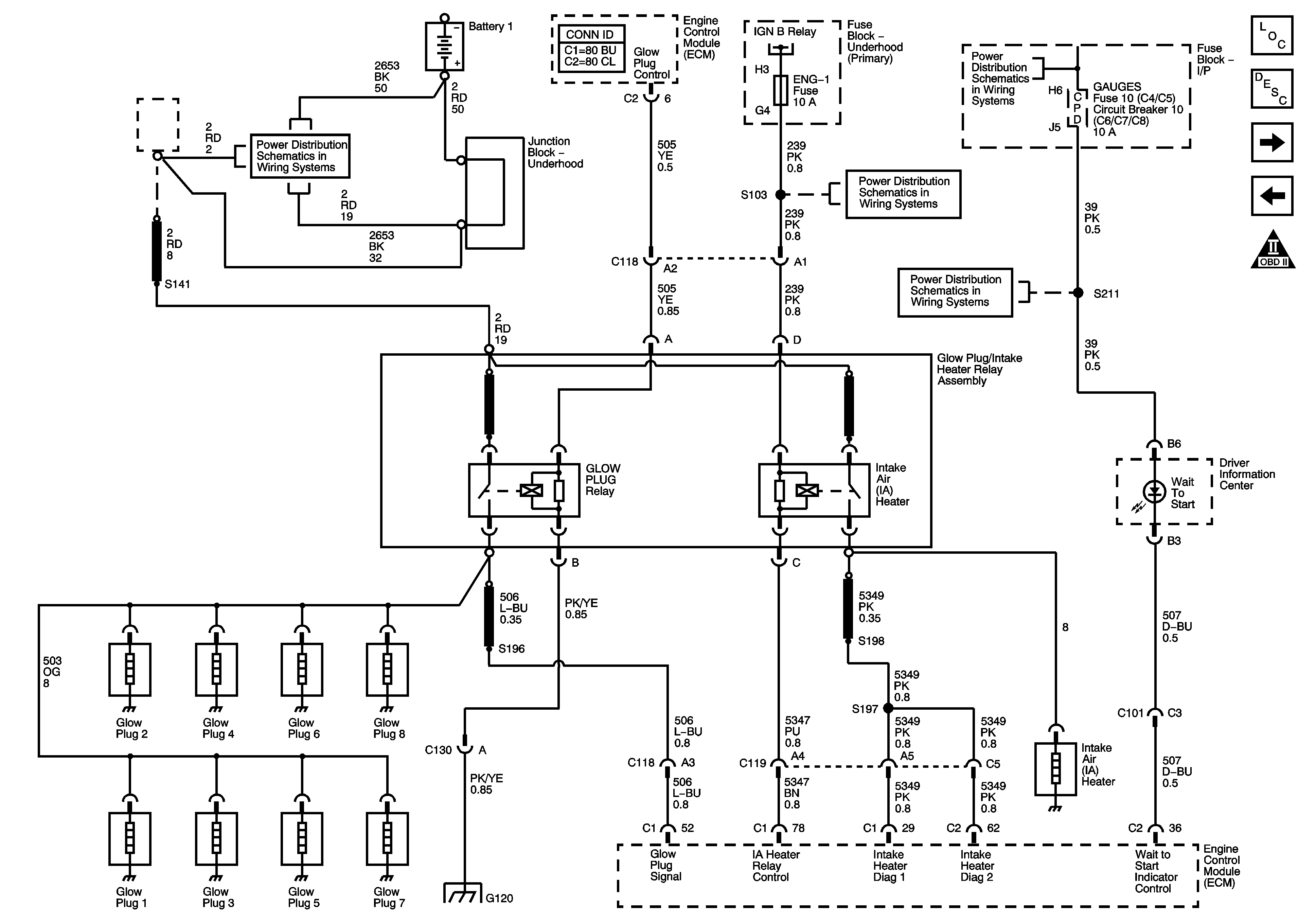
Figure 7:

Engine Data Sensors - Glow Plug Controls


Object Number: 808280  Size: FS
Master Electrical Component List
Fuel System Description
Fuel Controls - Fuel Pump Controls
Engine Data Sensors - Injection Timing Controls
Engine Controls Schematic Icons
B+ Bus Bar
Fuse Block - Underhood Ignition A and B Relays
Ignition Switch - OFF/RUN/START, RUN/START and START Bus Bars
ENG 1 and ENG 4 Fuses (L18/LB7)
GAUGES, L-RR TRUCK, R-RR TRUCK, and SIR Fuses/Circuit Breakers
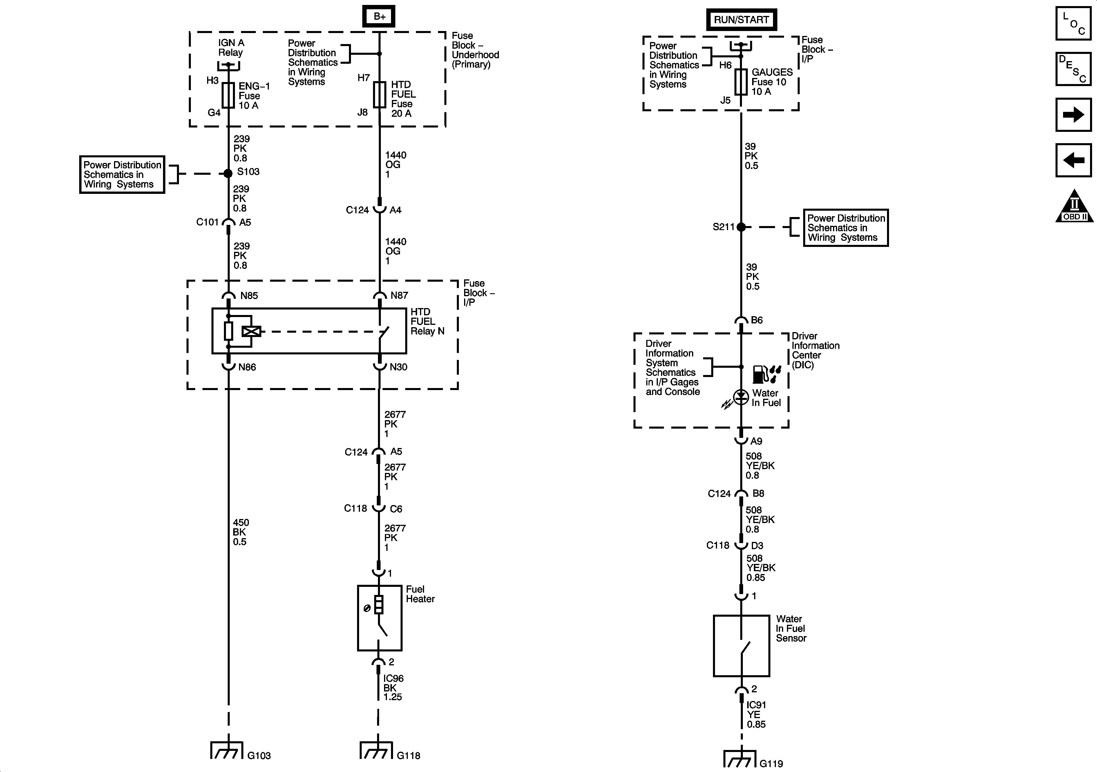
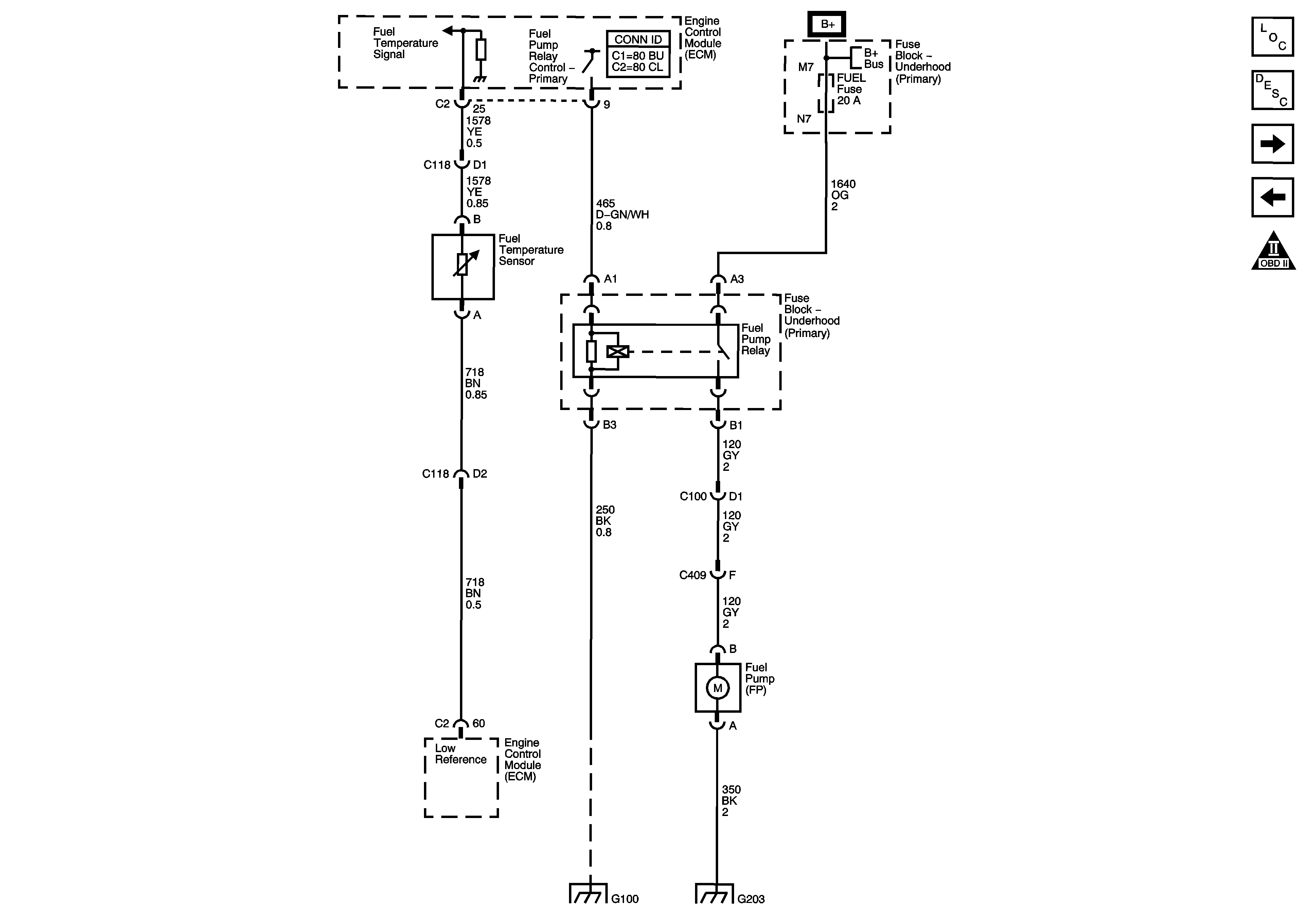
Figure 8:

Fuel Controls - Fuel Pump Controls


Object Number: 808282  Size: FS
Master Electrical Component List
Fuel System Description
Fuel Controls - Water in Fuel/Temperature Sensors
Engine Data Sensors - Glow Plug Controls
Engine Controls Schematic Icons
B+ Bus Bar
G100 (LB7)
G100 (LB7)
Figure 9:

Fuel Controls - Water In Fuel/Temperature Sensors


Object Number: 832831  Size: FS
Master Electrical Component List
Fuel System Description
Fuel Controls - Fuel Injectors
Fuel Controls - Fuel Pump Controls
Engine Controls Schematic Icons
Fuse Block - Underhood Ignition A and B Relays
B+ Bus Bar
Ignition Switch - OFF/RUN/START, RUN/START and START Bus Bars
ENG 1 and ENG 4 Fuses (L18/LB7)
GAUGES, L-RR TRUCK, R-RR TRUCK, and SIR Fuses/Circuit Breakers
Driver Information Center (DIC)
G103 - 1 of 2, G105, and G106
G118, G119, and G120
G118, G119, and G120
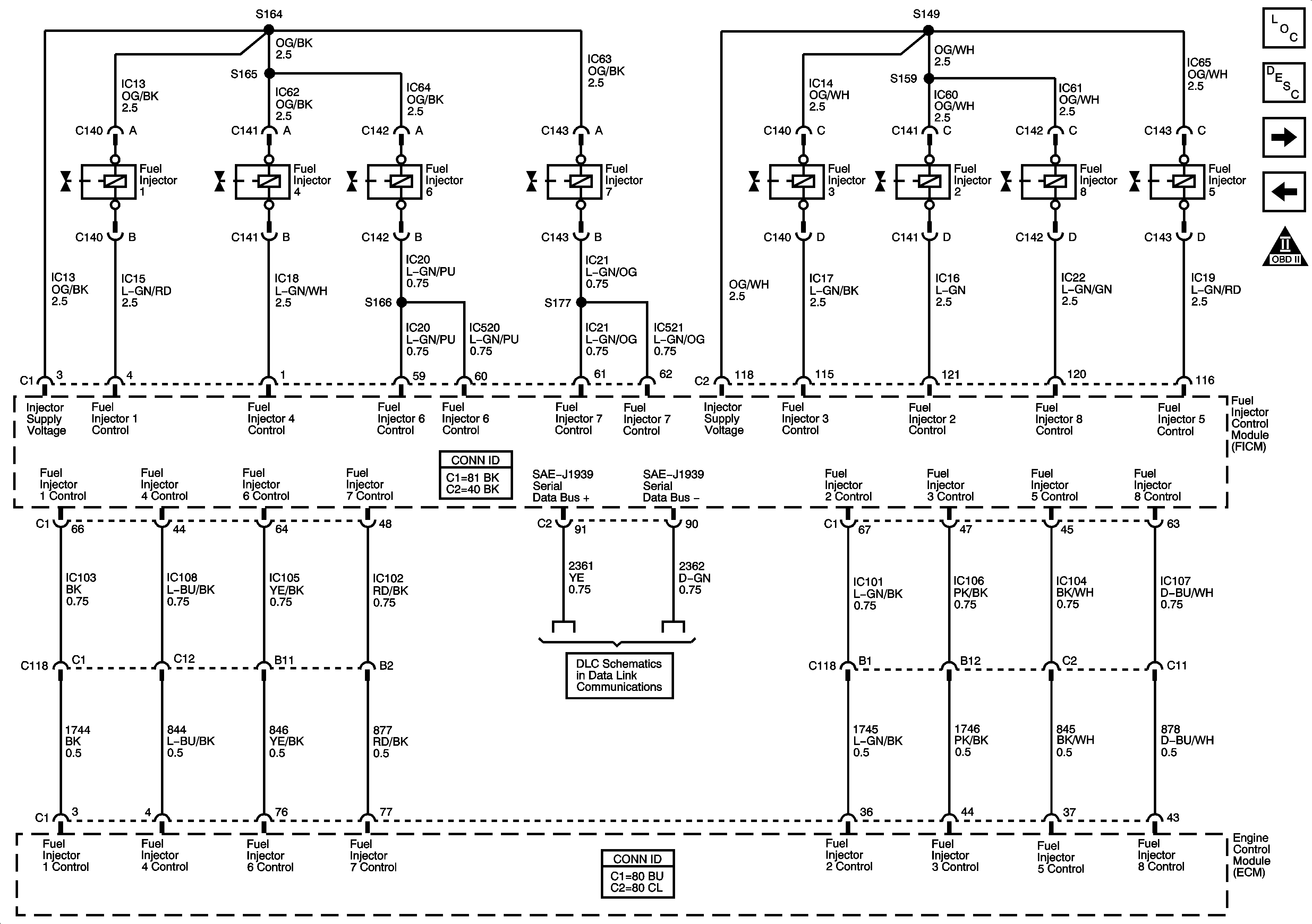
Figure 10:

Fuel Controls - Fuel Injectors


Object Number: 808286  Size: FS
Master Electrical Component List
Fuel System Description
Controlled/Monitored Subsystem References
Fuel Controls - Water in Fuel/Temperature Sensors
Engine Controls Schematic Icons
Engine Controls Schematic Icons
Engine Controls Schematic Icons
Engine Controls Schematic Icons
Engine Controls Schematic Icons
J1939 Serial Data (L65/L18/LG4/LC8) - 2 of 2
Figure 11:

Controlled/Monitored Subsystem References


Object Number: 808293  Size: FS
Master Electrical Component List
Engine Control Module Description
Fuel Controls - Fuel Injectors
Engine Controls Schematic Icons
A/C Compressor Controls (C60)
Engine Exhaust System
Starter Control (LG4/LG5)
L18/LB7/LG4/LLY
Backup Lamps
Power Take-Off (LG4/L18/LB7) - 1 of 2
Electronic Fan Controls, Coolant Level Switch
PNP Switch and Trans Opt Connector
Ground and Gages