GM Service Manual Online
For 1990-2009 cars only
Makes
🢒
Chevrolet
🢒
2006
🢒
Kodiak C-Series (Conventional) C4/C5
🢒
Vehicle Control Systems
🢒
Computer/Integrating Systems
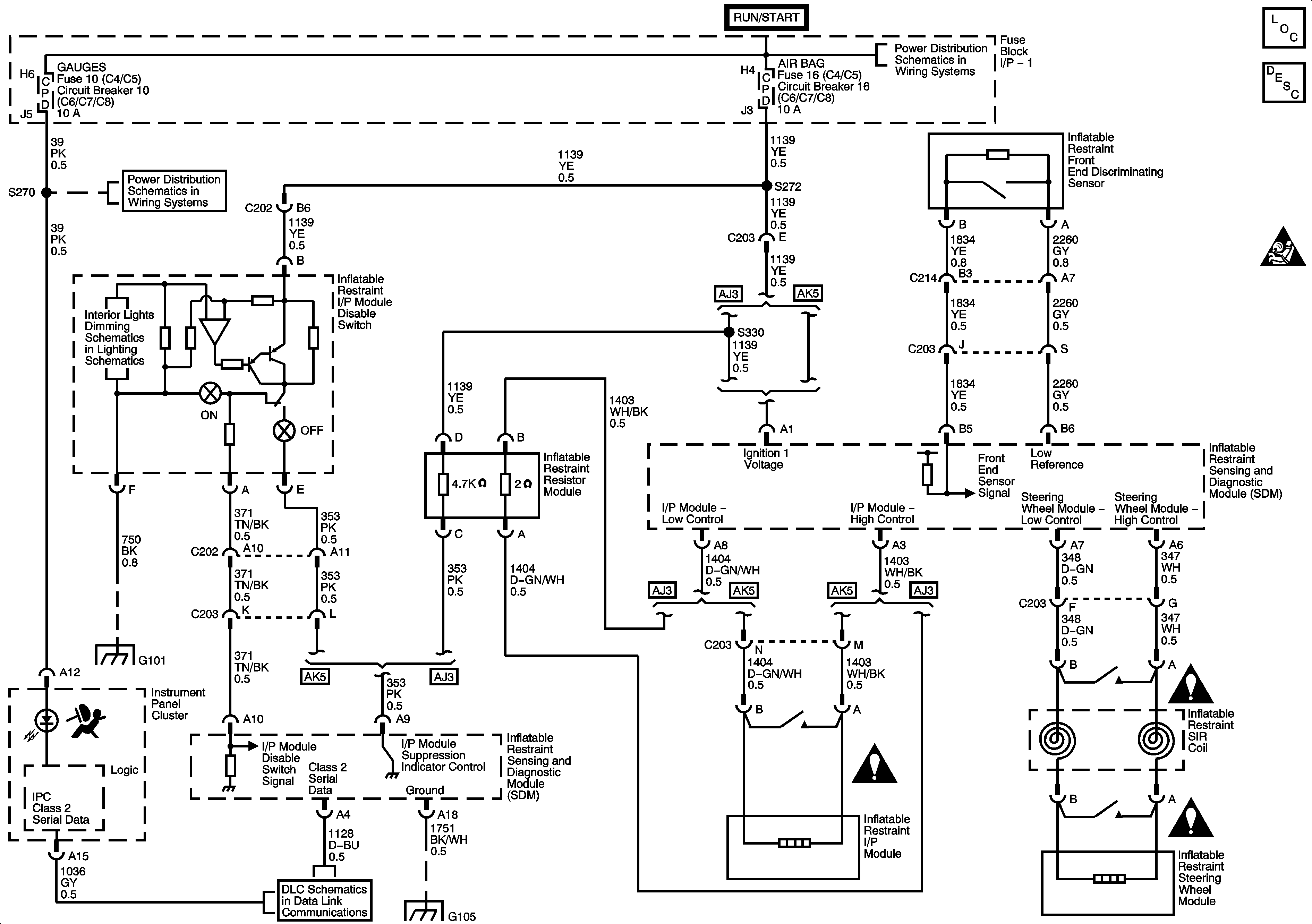
🢒 SIR Schematics
Master Electrical Component List
SIR System Description and Operation
SIR Schematic Icons
Ignition Switch - OFF/RUN/START, RUN/START, and START Bus Bars
AIRBAG, GAUGES, LT REAR TURN/STOP, and RT REAR TURN/STOP Fuses/Circuit Breakers
G101 - 2 of 2
Splice Pack SP203
G103, G105, and G106
SIR Schematic Icons
SIR Schematic Icons
SIR Schematic Icons