GM Service Manual Online
For 1990-2009 cars only
Makes
🢒
Chevrolet
🢒
2006
🢒
Kodiak C-Series (Conventional) C4/C5
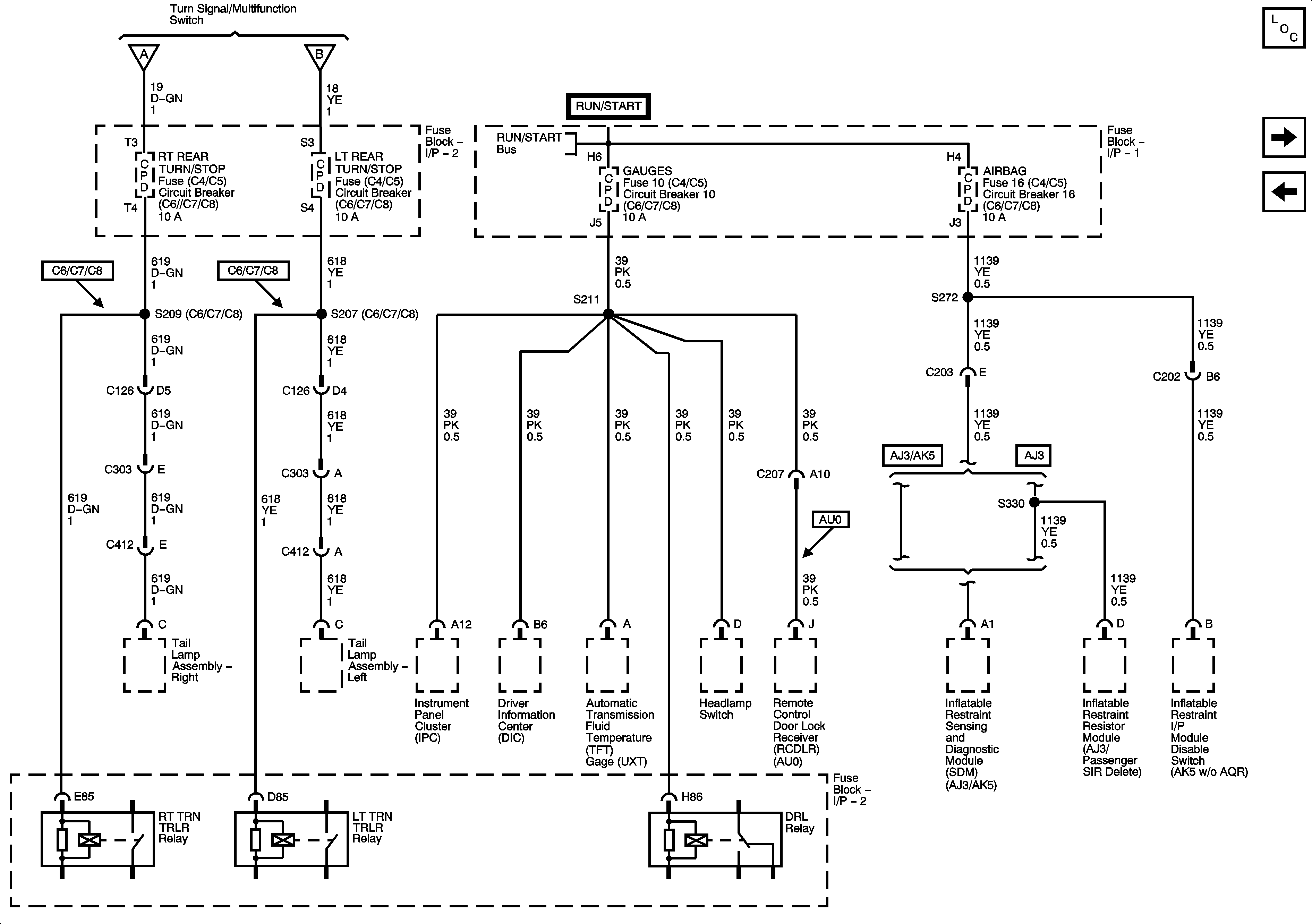
🢒 AIRBAG, GAUGES, LT REAR TURN/STOP, and RT REAR TURN/STOP Fuses/Circuit Breakers
AIRBAG, GAUGES, LT REAR TURN/STOP, and RT REAR TURN/STOP Fuses/Circuit Breakers
AIRBAG, GAUGES, LT REAR TURN/STOP, and RT REAR TURN/STOP Fuses/Circuit Breakers
Master Electrical Component List
ENGINE and PCM-1 Fuses/Circuit Breakers
TRN/BCK/UP Fuse/Circuit Breaker
TRN/BCK/UP Fuse/Circuit Breaker
TRN/BCK/UP Fuse/Circuit Breaker
Ignition Switch - OFF/RUN/START, RUN/START, and START Bus Bars