GM Service Manual Online
For 1990-2009 cars only
Makes
🢒
Chevrolet
🢒
2006
🢒
Kodiak C-Series (Conventional) C4/C5
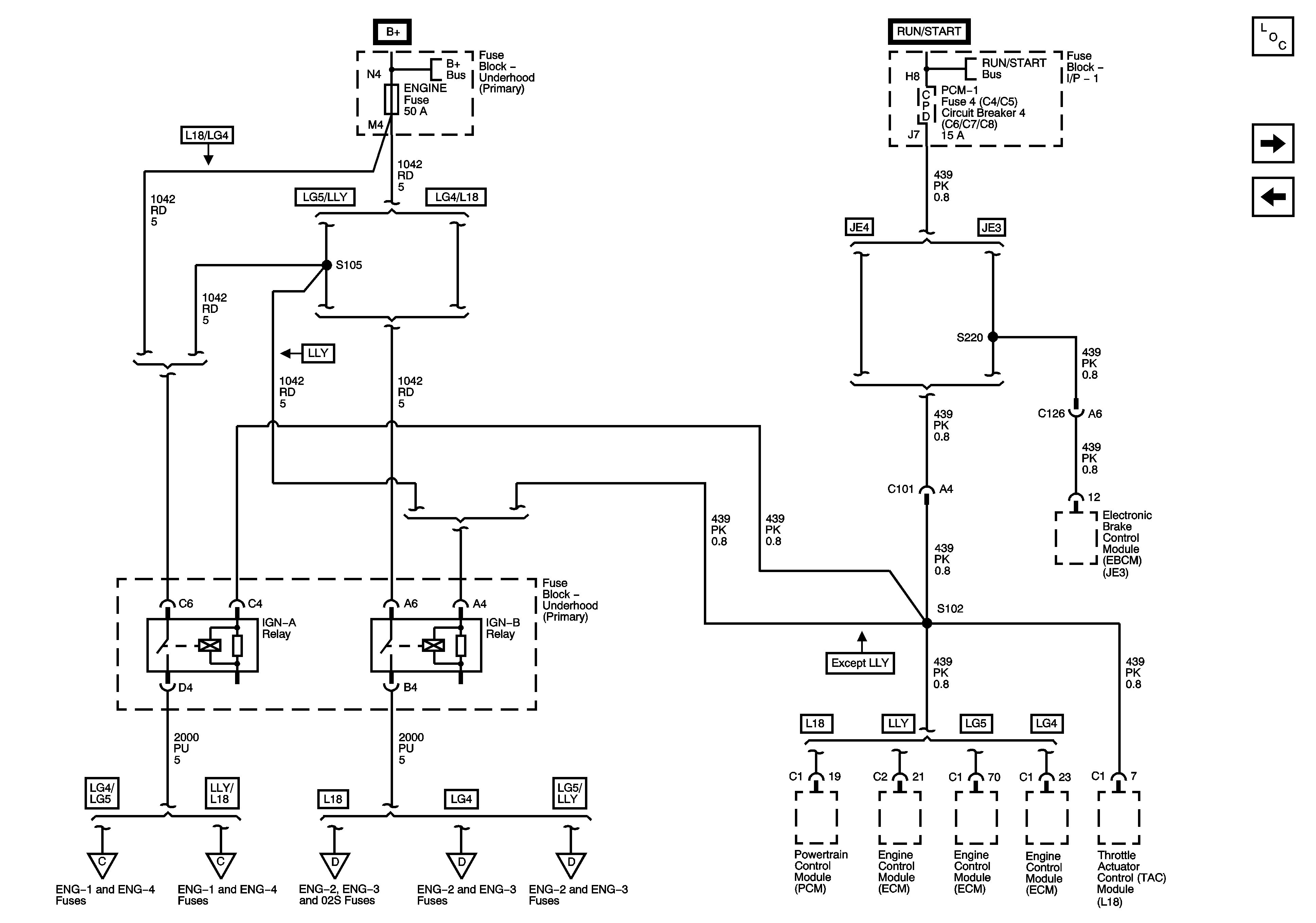
🢒 ENGINE and PCM-1 Fuses/Circuit Breakers
ENGINE and PCM-1 Fuses/Circuit Breakers
ENGINE and PCM-1 Fuses/Circuit Breakers
Master Electrical Component List
ENG-2, ENG-3, and O2S Fuses - L18
AIRBAG, GAUGES, LT REAR TURN/STOP, and RT REAR TURN/STOP Fuses/Circuit Breakers
Batteries - LG4/LG5 and B+ Bus
Ignition Switch - OFF/RUN/START, RUN/START, and START Bus Bars
ENG-1 and ENG-4 Fuses - LG4/LG5
ENG-1 and ENG-4 Fuses - L18/LLY
ENG-2, ENG-3, and O2S Fuses - L18
ENG-2, and ENG-3 Fuses - LG4
ENG-2 and ENG-3 Fuses - LG5/LLY