GM Service Manual Online
For 1990-2009 cars only
Makes
🢒
Chevrolet
🢒
2006
🢒
Kodiak C-Series (Conventional) C4/C5
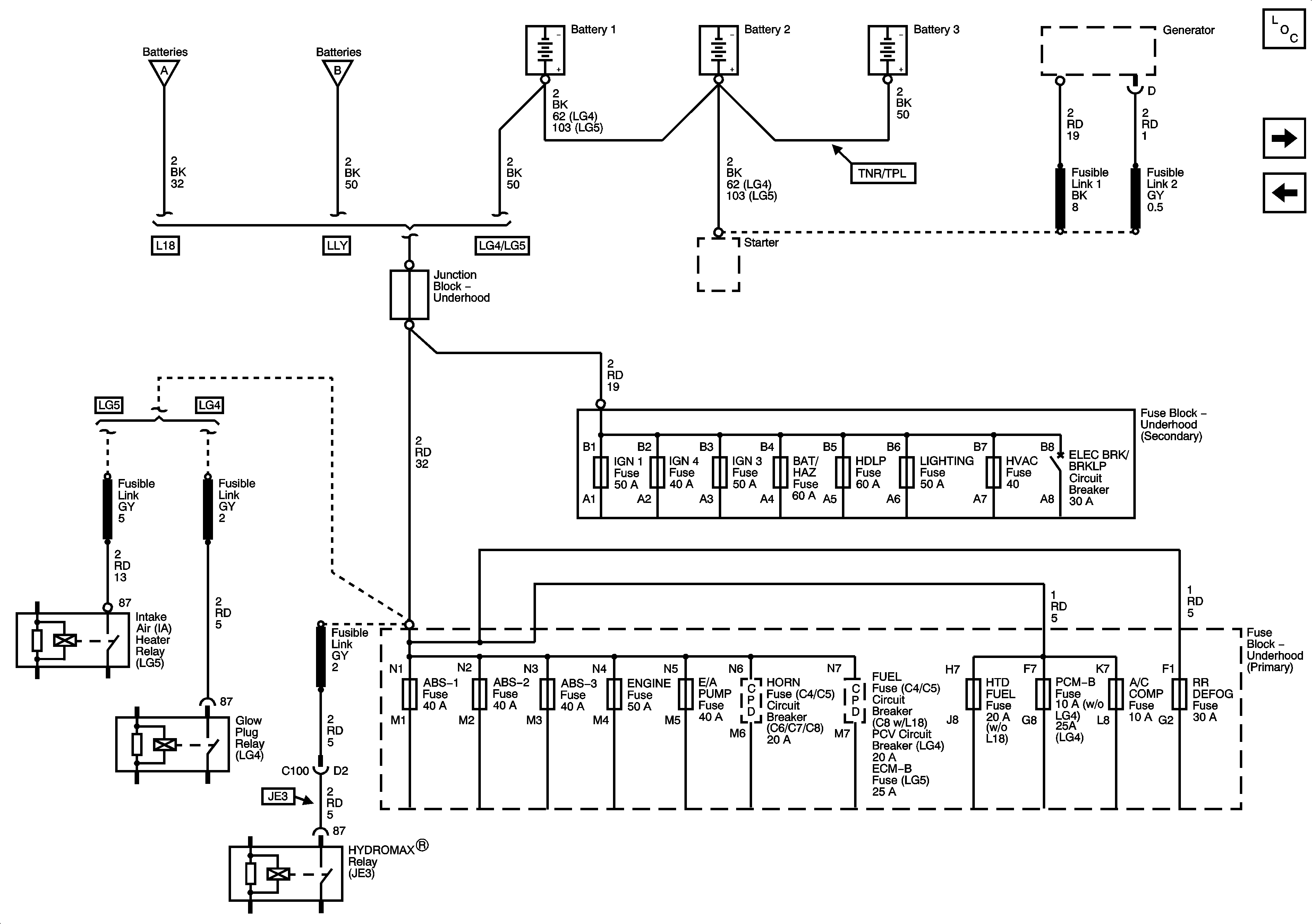
🢒 Batteries - LG4/LG5 and B+ Bus
Batteries - LG4/LG5 and B+ Bus
Batteries - LG4/LG5 and B+ Bus
Master Electrical Component List
Ignition Switch - OFF/RUN/START, RUN/START, and START Bus Bars
Batteries - LLY
Batteries - L18
Batteries - LLY