GM Service Manual Online
For 1990-2009 cars only
Makes
🢒
Chevrolet
🢒
2006
🢒
Kodiak C-Series (Conventional) C4/C5
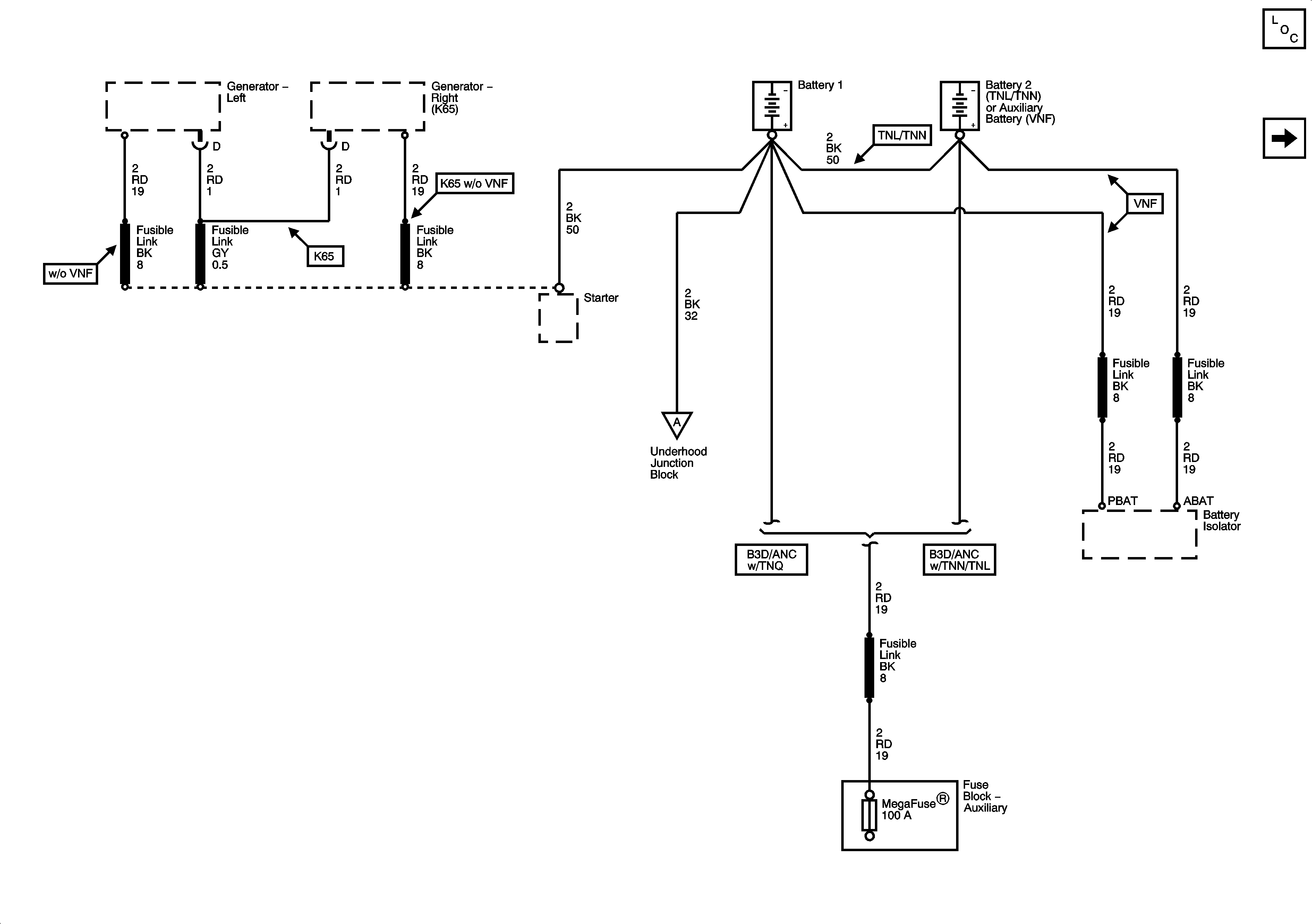
🢒 Batteries - L18
Batteries - L18
Batteries - L18
Master Electrical Component List
Batteries - LLY
Batteries - LG4/LG5 and B+ Bus