GM Service Manual Online
For 1990-2009 cars only
Makes
🢒
Chevrolet
🢒
2006
🢒
Kodiak C-Series (Conventional) C4/C5
🢒
Driveline/Axle
🢒
Rear Drive Axle
🢒 Two-Speed Rear Axle Schematics
Figure
1:
HP1/HP2
Master Electrical Component List
Two Speed Rear Axle Shift System Description and Operation (Air Operated)
Control Module References
HPZ with Manual Transmission
Power Take-Off - 1 of 2
G100 - LG4
Figure
2:
HPZ with Manual Transmission
Master Electrical Component List
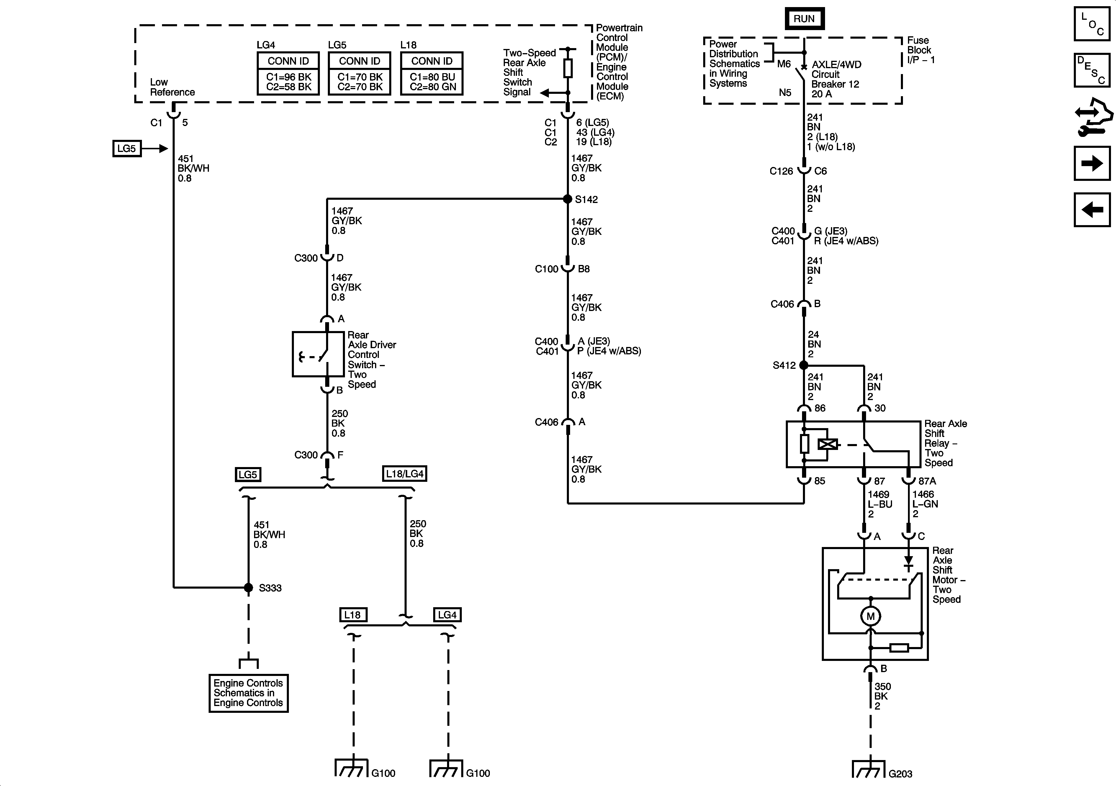
Two Speed Rear Axle Shift System Description and Operation (Electric Operated)
Control Module References
HPZ with Automatic Transmission
HP1/HP2
Ignition Switch - RUN and ACC/RUN Bus Bars and IGN 3 Fuse
Power Take-Off - 1 of 2
G100 - L18
G100 - LG4
G203 - 1 of 4
Figure
3:
HPZ with Automatic Transmission
Master Electrical Component List
Two Speed Rear Axle Shift System Description and Operation (Electric Operated)
Control Module References
HPZ with Manual Transmission
ENGINE and PCM-1 Fuses/Circuit Breakers
Ignition Switch - RUN and ACC/RUN Bus Bars and IGN 3 Fuse
ENG-1 and ENG-4 Fuses - L18/LLY
Power Take-Off - 1 of 2
G101 - 1 of 2
G203 - 1 of 4