GM Service Manual Online
For 1990-2009 cars only
Makes
🢒
Chevrolet
🢒
2006
🢒
Kodiak C-Series (Conventional) C4/C5
🢒
Accessories
🢒
Air Compressor - Auxiliary
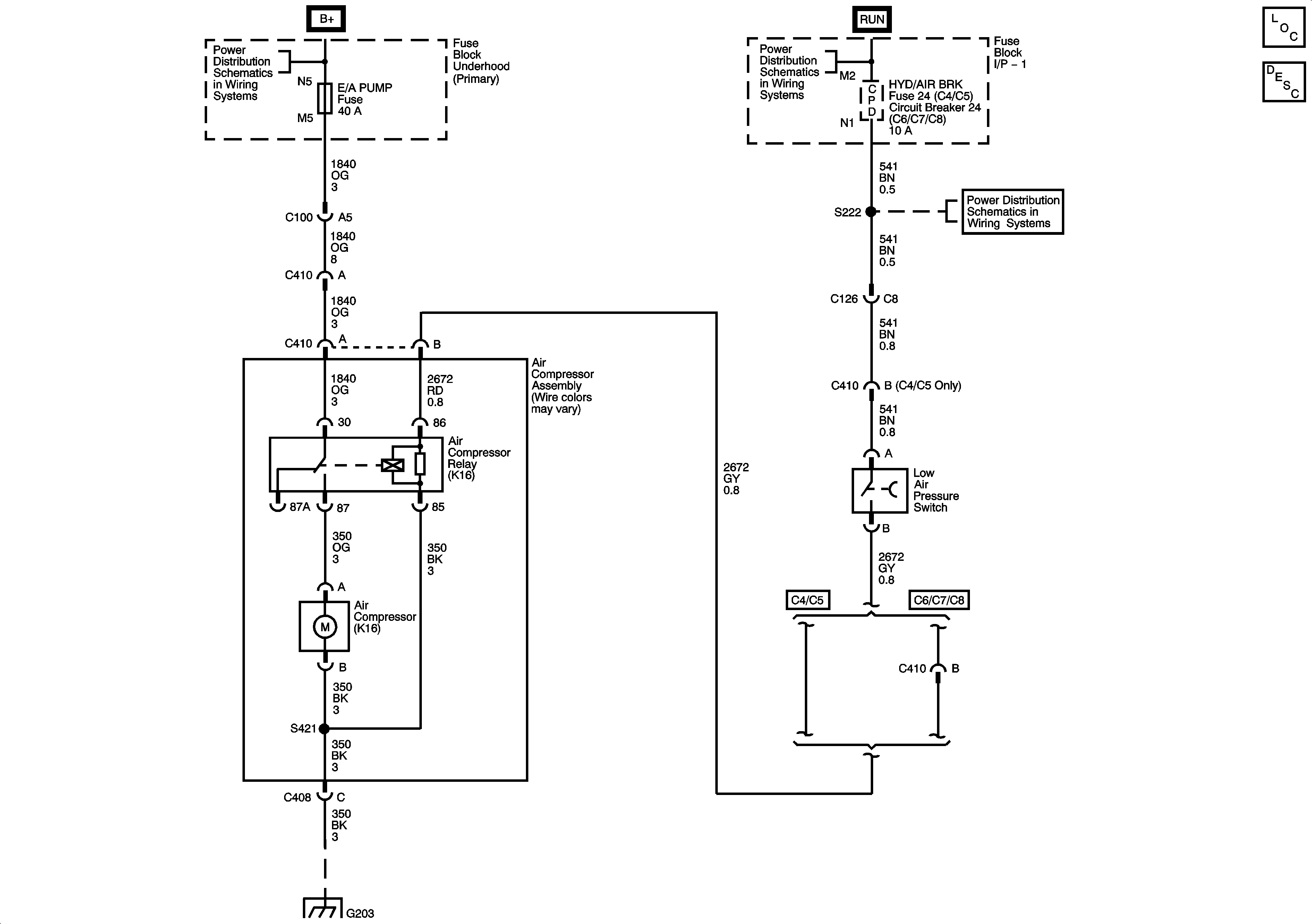
🢒 Auxiliary Air Compressor Schematics
Master Electrical Component List
Auxiliary Air Compressor Description and Operation
Batteries - LG4/LG5 and B+ Bus
AXL/4WD, BRK, HTR/AC, and HYD/AIR BRK Fuses/Circuit Breakers
AXL/4WD, BRK, HTR/AC, and HYD/AIR BRK Fuses/Circuit Breakers
G102 - 1 of 2