GM Service Manual Online
For 1990-2009 cars only
Makes
🢒
Chevrolet
🢒
2006
🢒
Kodiak C-Series (Conventional) C4/C5
🢒
Brakes
🢒
Air Brakes
🢒 Air Brake System Schematics
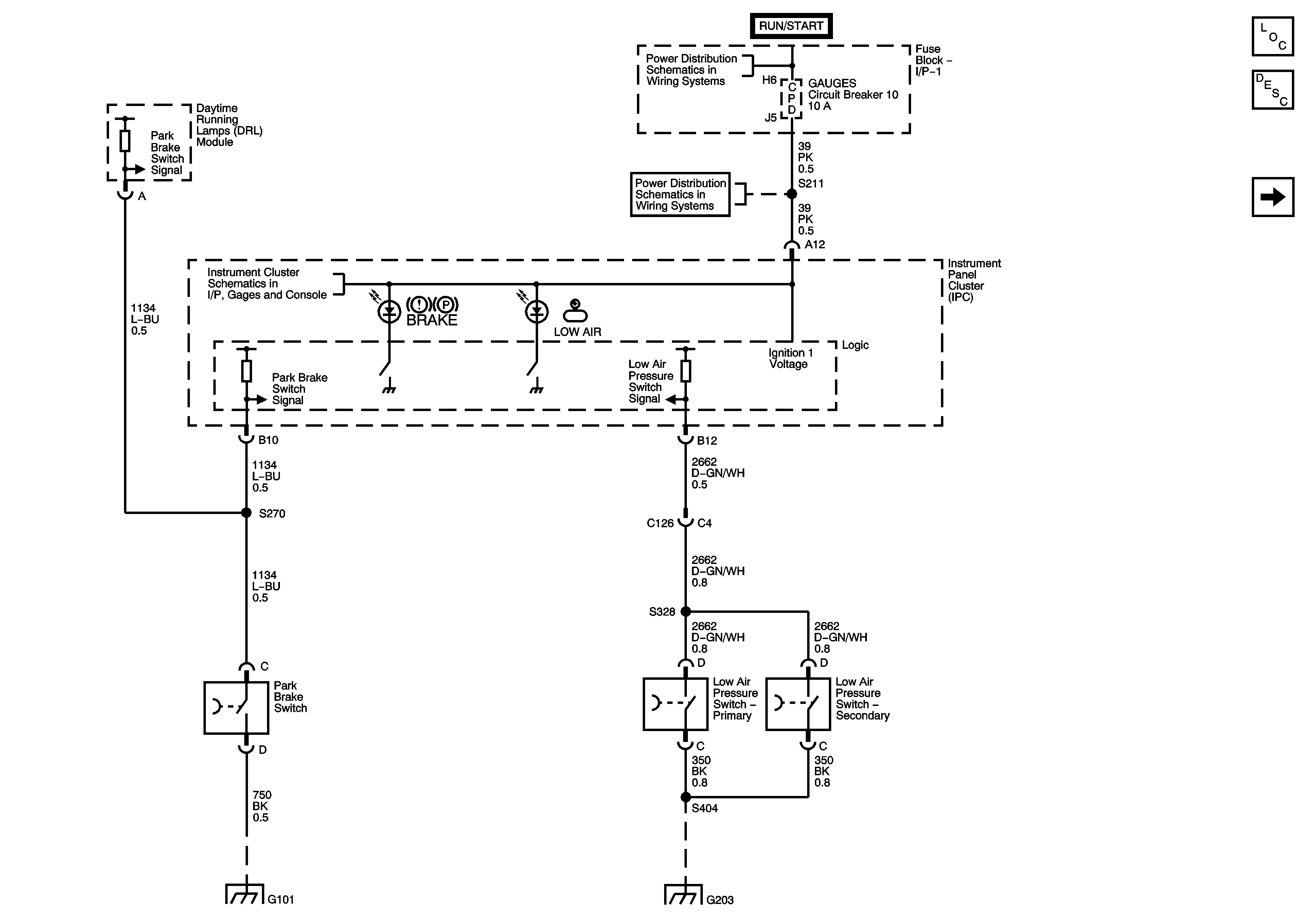
Figure
1:
Brake Warning Indicators
Master Electrical Component List
Brake Warning System Description and Operation
Air Brake System
Ignition Switch - OFF/RUN/START, RUN/START, and START Bus Bars
AIRBAG, GAUGES, LT REAR TURN/STOP, and RT REAR TURN/STOP Fuses/Circuit Breakers
G101 - 1 of 2
G112, G113, G203 - 4 of 4, G204, G205, and G400
Figure
2:
Air Brake Dryer
Master Electrical Component List
Air Dryer Description and Operation
Air Brake Warning System
Ignition Switch - RUN and ACC/RUN Bus Bars and IGN 3 Fuse
AXL/4WD, BRK, HTR/AC, and HYD/AIR BRK Fuses/Circuit Breakers
G112, G113, G203 - 4 of 4, G204, G205, and G400