GM Service Manual Online
For 1990-2009 cars only
Makes
🢒
Chevrolet
🢒
2006
🢒
Kodiak C-Series (Conventional) C4/C5
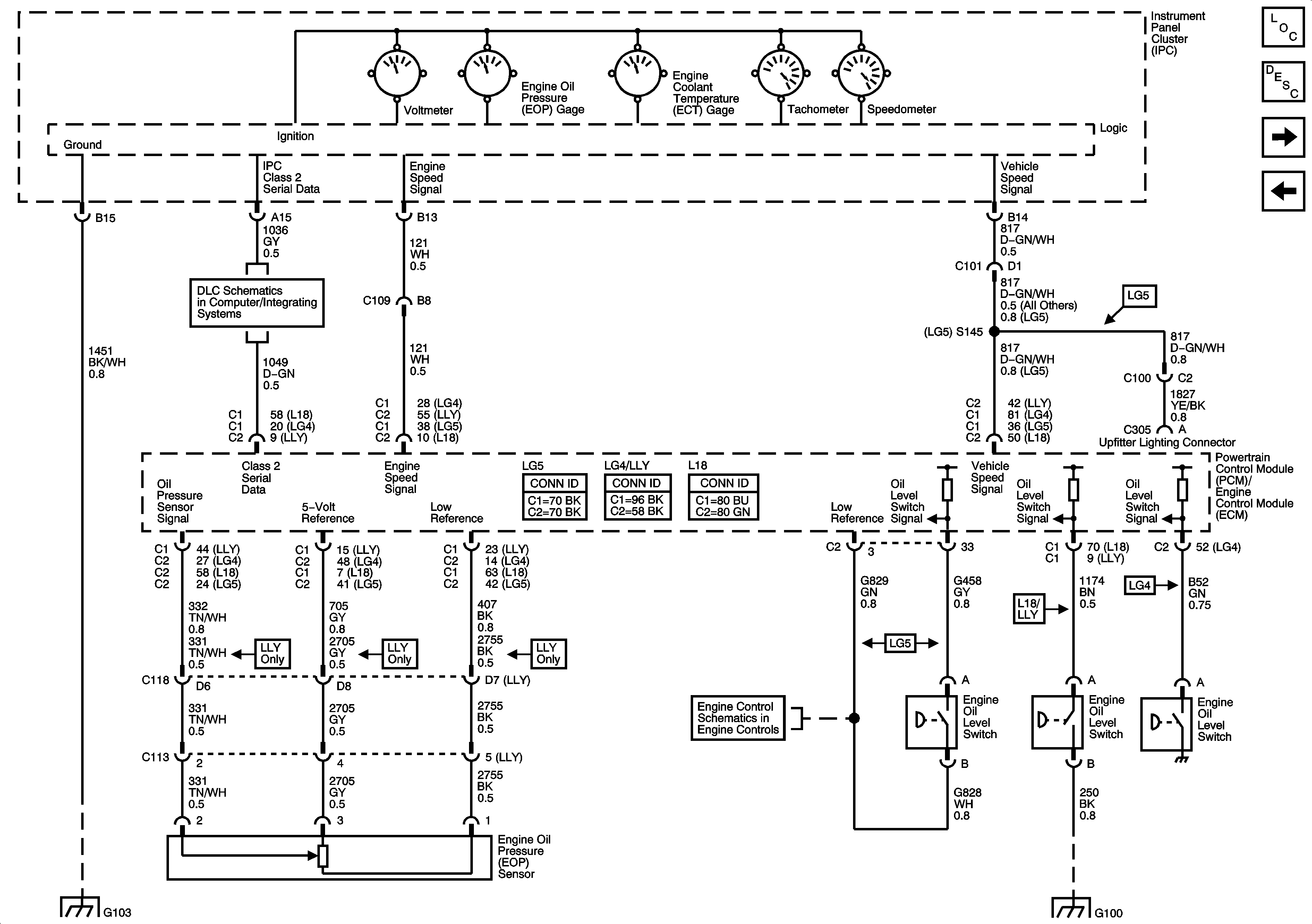
🢒 Instrument Panel Cluster - 2 of 2
Instrument Panel Cluster - 2 of 2
Instrument Panel Cluster 2 of 2
Master Electrical Component List
Instrument Cluster Description and Operation
Fuel Gage
Instrument Panel Cluster - 1 of 2
Splice Pack SP203
Controlled/Monitored Subsystem Reference
G119 and G120
G100 - L18