GM Service Manual Online
For 1990-2009 cars only
Makes
🢒
Chevrolet
🢒
2006
🢒
Kodiak C-Series (Conventional) C4/C5
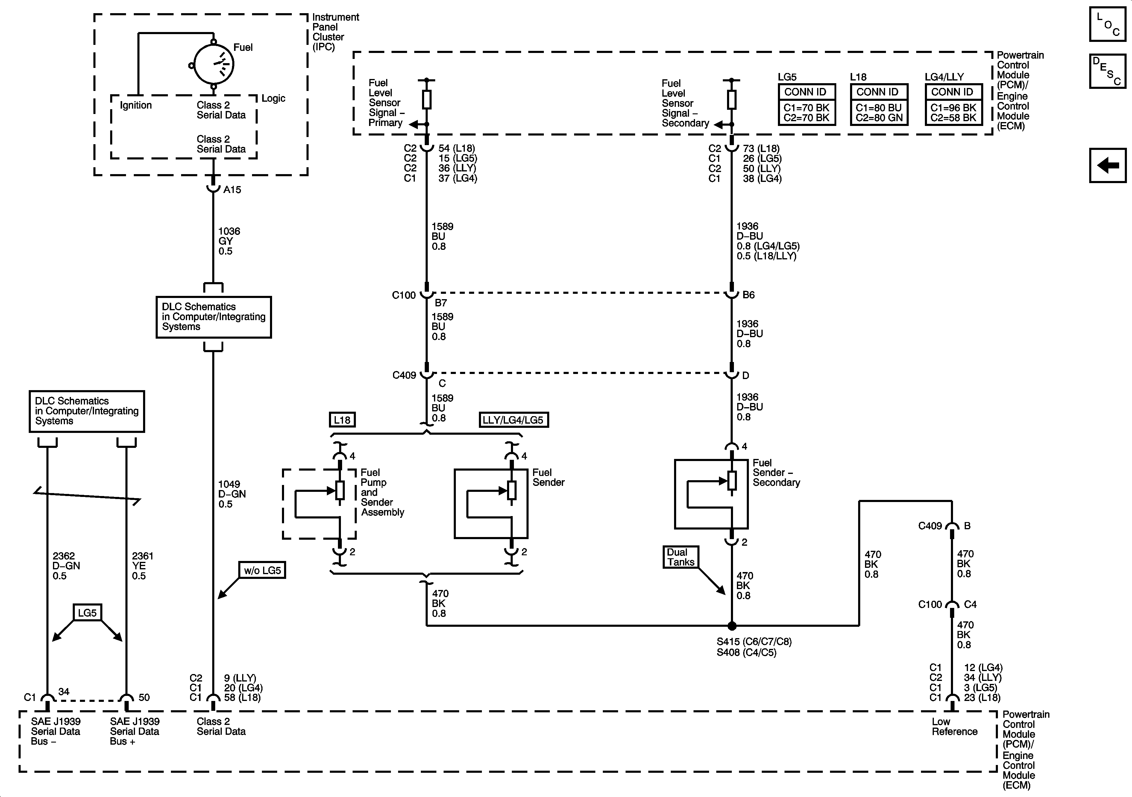
🢒 Fuel Gage
Fuel Gage
Fuel Gage
Master Electrical Component List
Instrument Cluster Description and Operation
Instrument Panel Cluster - 2 of 2
J1939 Serial Data, 2 of 2 - L18 w/JE4, LG4, LG5
Splice Pack SP203