GM Service Manual Online
For 1990-2009 cars only
Makes
🢒
Chevrolet
🢒
2006
🢒
Kodiak C-Series (Conventional) C4/C5
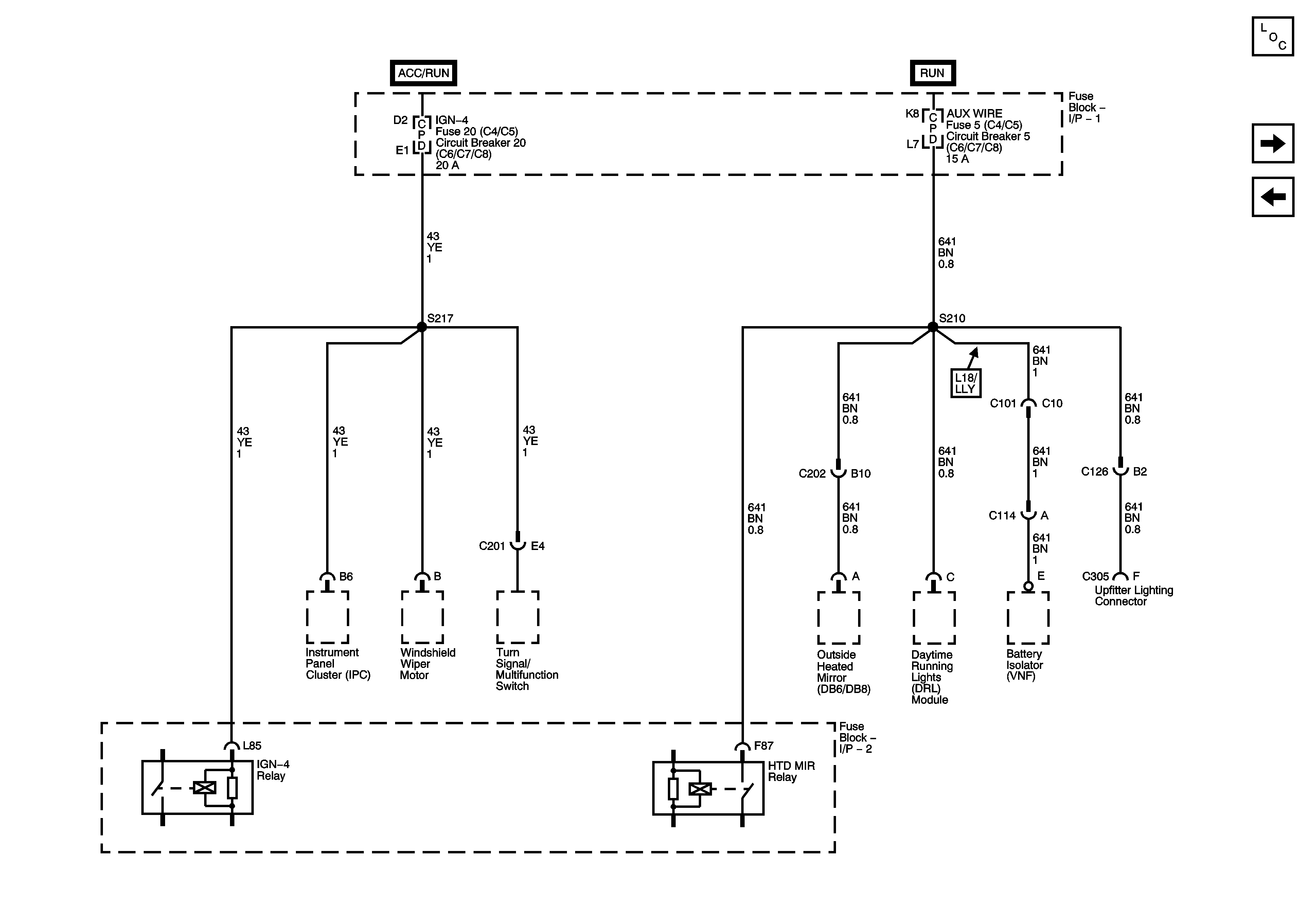
🢒 AUX WIRE and IGN-4 (I/P Fuse Block -1) Fuses/Circuit Breakers
AUX WIRE and IGN-4 (I/P Fuse Block -1) Fuses/Circuit Breakers
AUX WIRE and IGN-4 (I/P Fuse Block - 1) Fuses/Circuit Breakers
Master Electrical Component List
DRL, ELEC BRK/BRKLP, HDLP, IGN-4 (Underhood Fuse Block), MKR LTS, PWR WNDW, and RADIO Fuses/Circuit Breakers
AXL/4WD, BRK, HTR/AC, and HYD/AIR BRK Fuses/Circuit Breakers