GM Service Manual Online
For 1990-2009 cars only
Makes
🢒
Chevrolet
🢒
2006
🢒
Kodiak C-Series (Conventional) C4/C5
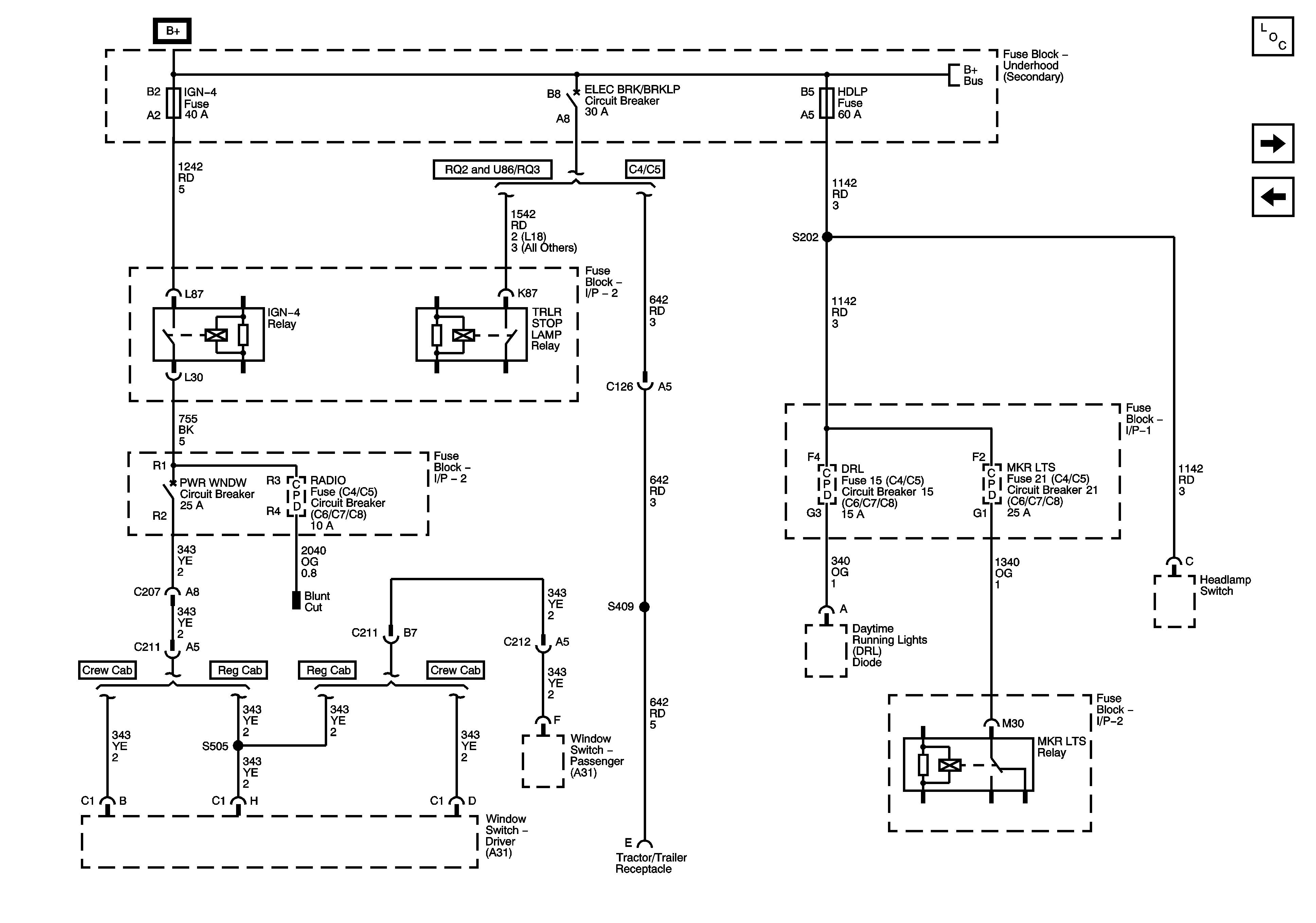
🢒 DRL, ELEC BRK/BRKLP, HDLP,IGN-4 (Underhood Fuse Block), MKR LTS, PWR WNDW, and RADIO Fuses/Circuit Breakers
DRL, ELEC BRK/BRKLP, HDLP,IGN-4 (Underhood Fuse Block), MKR LTS, PWR WNDW, and RADIO Fuses/Circuit Breakers
DRL, ELEC BRK/BRKLP, HDLP, IGN-4 (Underhood Fuse Block), MKR LTS, PWR WNDW, and RADIO Fuses/Circuit Breakers
Master Electrical Component List
CTSY LAMPS, HVAC, ILLUM, LIGHTING, LT PARK, PRK LAMPS, and RT PARK Fuses/Circuit Breakers - 1 of 2
AUX WIRE and IGN-4 (I/P Fuse Block -1) Fuses/Circuit Breakers
Batteries - LG4/LG5 and B+ Bus