GM Service Manual Online
For 1990-2009 cars only
Makes
🢒
Chevrolet
🢒
2006
🢒
Kodiak C-Series (Conventional) C4/C5
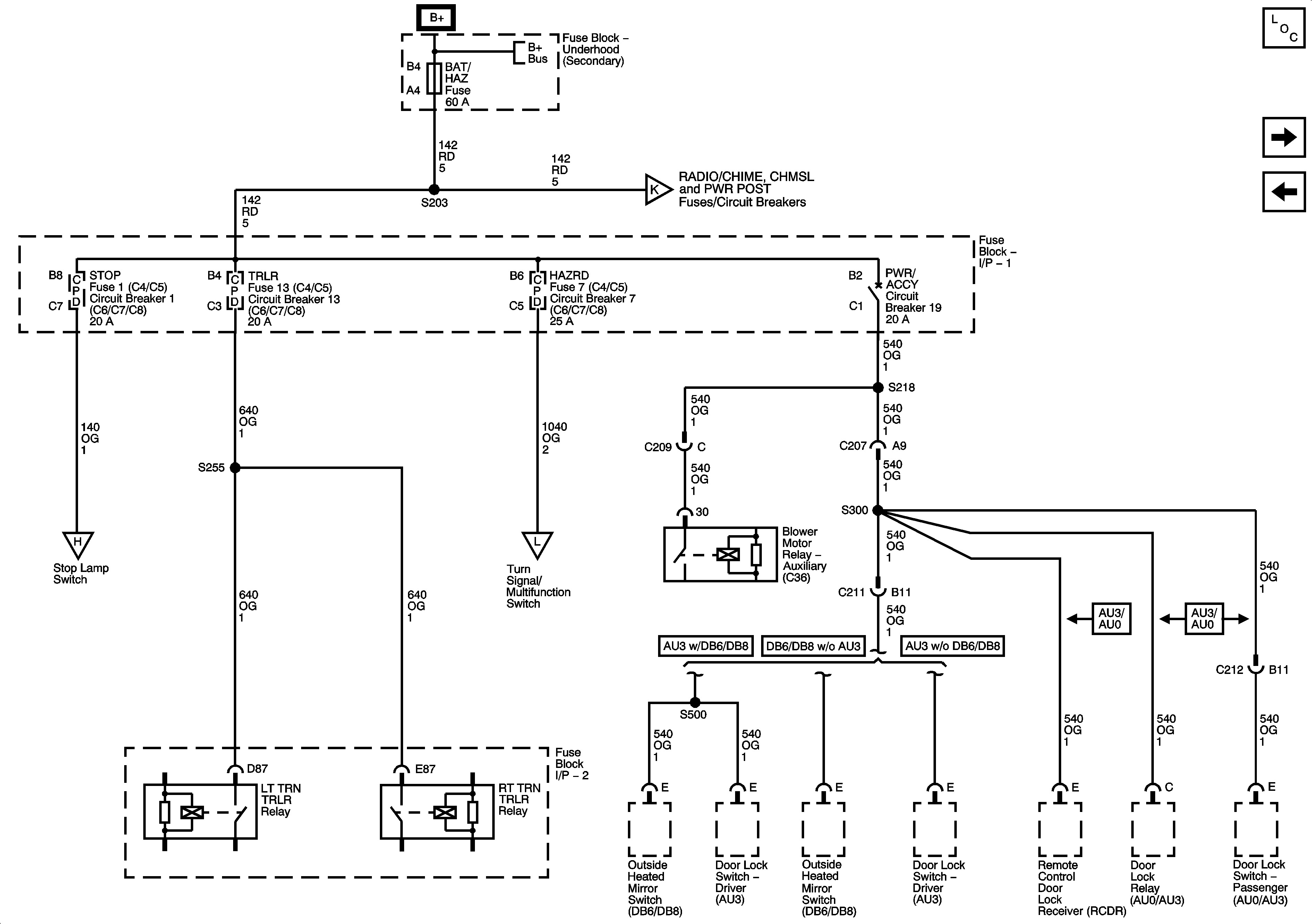
🢒 BAT/HAZ, HAZRD, PWR/ACCY, STOP, and TRLR Fuses/Circuit Breakers
BAT/HAZ, HAZRD, PWR/ACCY, STOP, and TRLR Fuses/Circuit Breakers
BAT/HAZ, HAZRD, PWR/ACCY, STOP, and TRLR Fuses/Circuit Breakers
Master Electrical Component List
BRK Fuse/Circuit Breaker
CTSY LAMPS and LT PARK Fuses/Circuit Breakers - 2 of 2
Batteries - LG4/LG5 and B+ Bus
CHMSL, PWR POST, and RDO/CHIME Fuses/Circuit Breakers
BRK Fuse/Circuit Breaker
TRN/BCK/UP Fuse/Circuit Breaker