GM Service Manual Online
For 1990-2009 cars only
Makes
🢒
Chevrolet
🢒
2006
🢒
Kodiak C-Series (Conventional) C4/C5
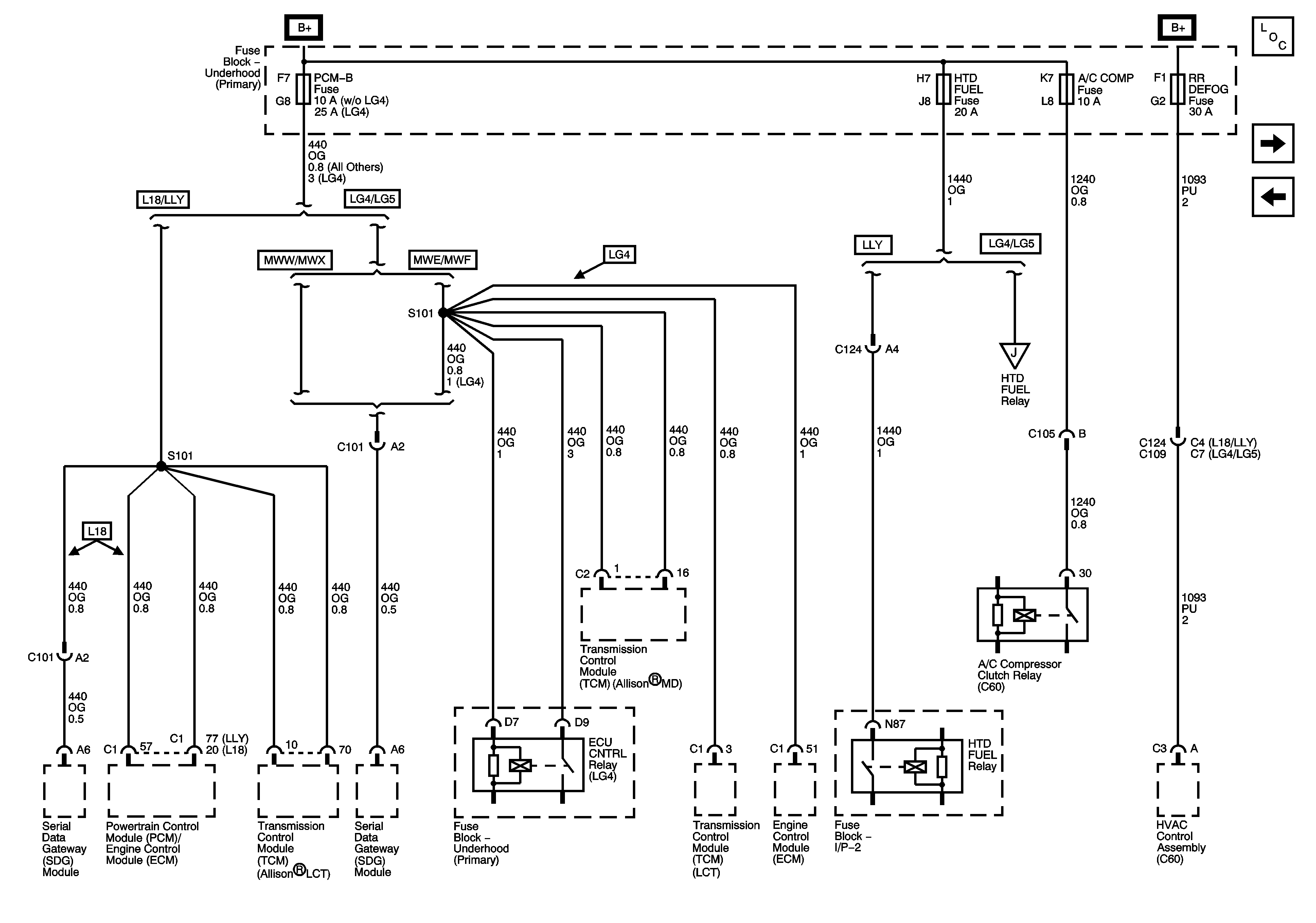
🢒 A/C COMP, HTD FUEL, PCM-B, and RR DEFOG Fuses
A/C COMP, HTD FUEL, PCM-B, and RR DEFOG Fuses
A/C COMP, HTD FUEL, PCM-B, and RR DEFOG Fuses
Master Electrical Component List
ECM-B Circuit Breaker - C6/C7 and FUEL Fuse/Circuit Breaker - C4/C5/C8
ABS-1, ABS-2, ABS-3, E/A PUMP, and HORN Fuses/Circuit Breakers
ECM-B Circuit Breaker - C6/C7 and FUEL Fuse/Circuit Breaker - C4/C5/C8