GM Service Manual Online
For 1990-2009 cars only
Makes
🢒
Chevrolet
🢒
2006
🢒
Kodiak C-Series (Conventional) C4/C5
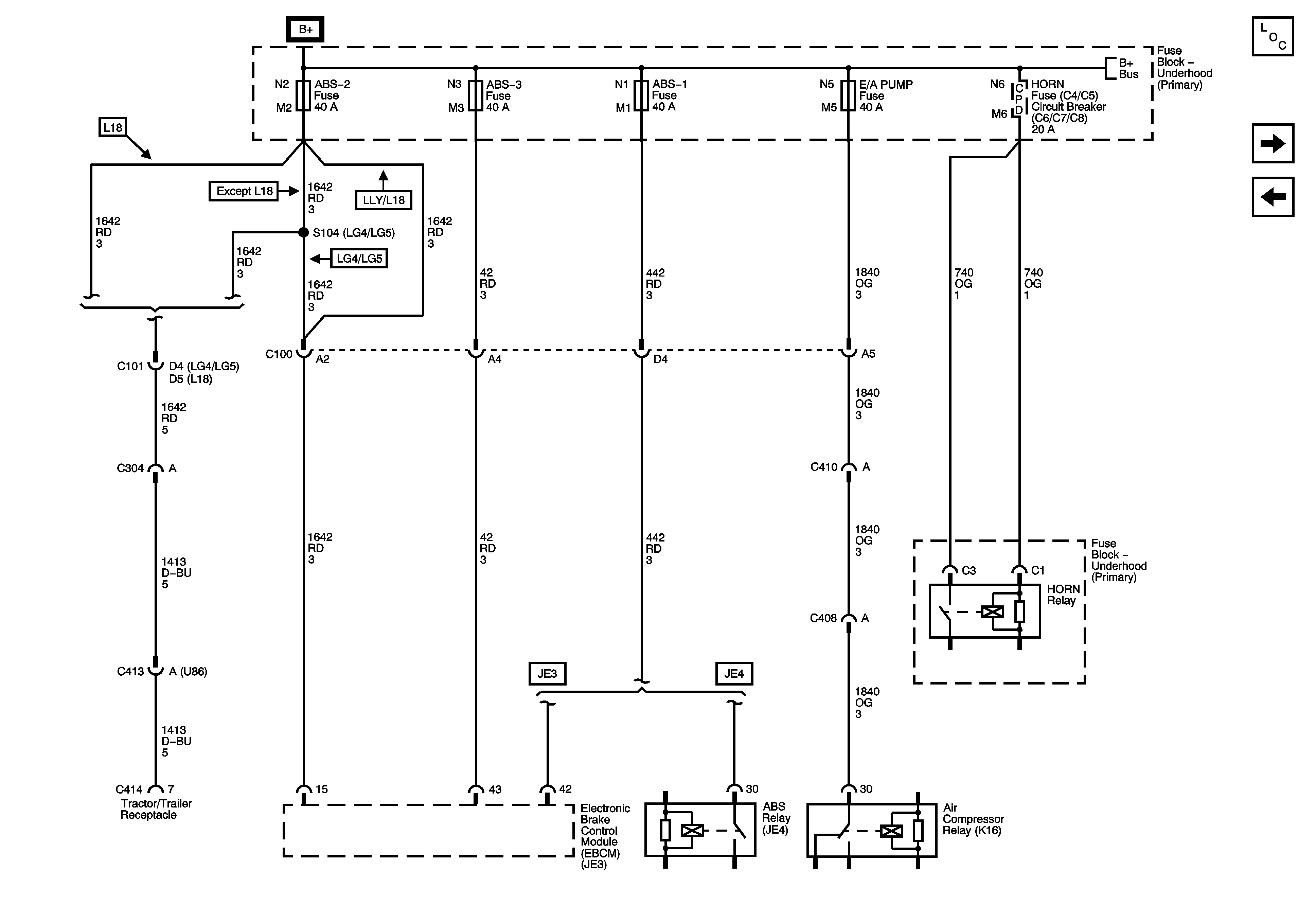
🢒 ABS-1, ABS-2, ABS-3, E/A PUMP, and HORN Fuses/Circuit Breakers
ABS-1, ABS-2, ABS-3, E/A PUMP, and HORN Fuses/Circuit Breakers
ABS-1, ABS-2, ABS-3, E/A PUMP, and HORN Fuses/Circuit Breakers
Master Electrical Component List
A/C COMP, HTD FUEL, PCM-B, and RR DEFOG Fuses
BRK Fuse/Circuit Breaker
Batteries - LG4/LG5 and B+ Bus