GM Service Manual Online
For 1990-2009 cars only
Makes
🢒
Chevrolet
🢒
2006
🢒
Kodiak C-Series (Conventional) C4/C5
🢒 1 of 2
1 of 2
1 of 2
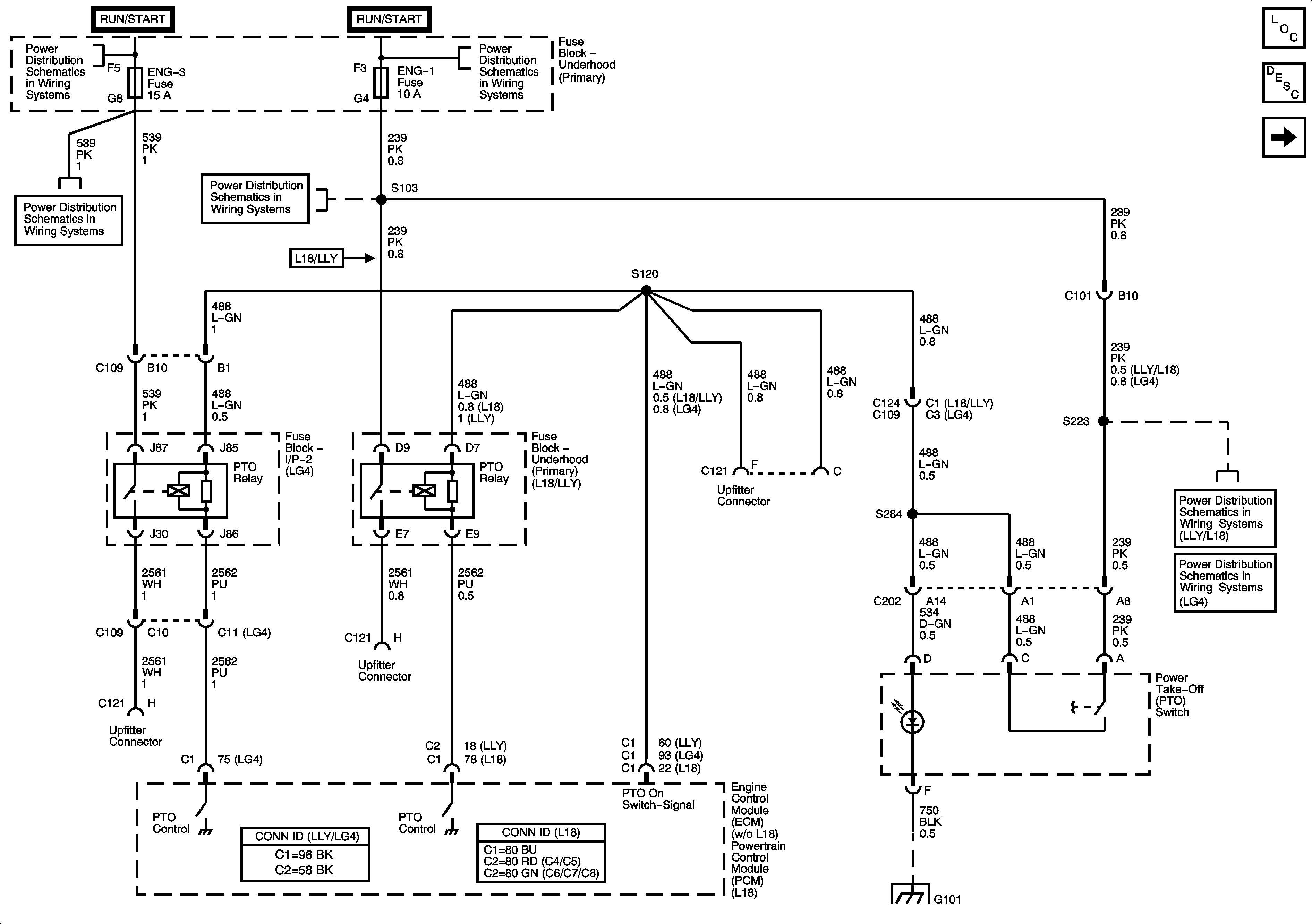
Master Electrical Component List
Power Take-Off (PTO) Description and Operation
2 of 2
ENG-2, and ENG-3 Fuses - LG4
ENG-1 and ENG-4 Fuses - L18/LLY
ENG-2, and ENG-3 Fuses - LG4
ENG-1 and ENG-4 Fuses - L18/LLY
ENG-1 and ENG-4 Fuses - L18/LLY
ENG-1 and ENG-4 Fuses - LG4/LG5
G101 - 1 of 2