GM Service Manual Online
For 1990-2009 cars only
Makes
🢒
Chevrolet
🢒
2006
🢒
Kodiak C-Series (Conventional) C4/C5
🢒 2 of 2
2 of 2
2 of 2
Master Electrical Component List
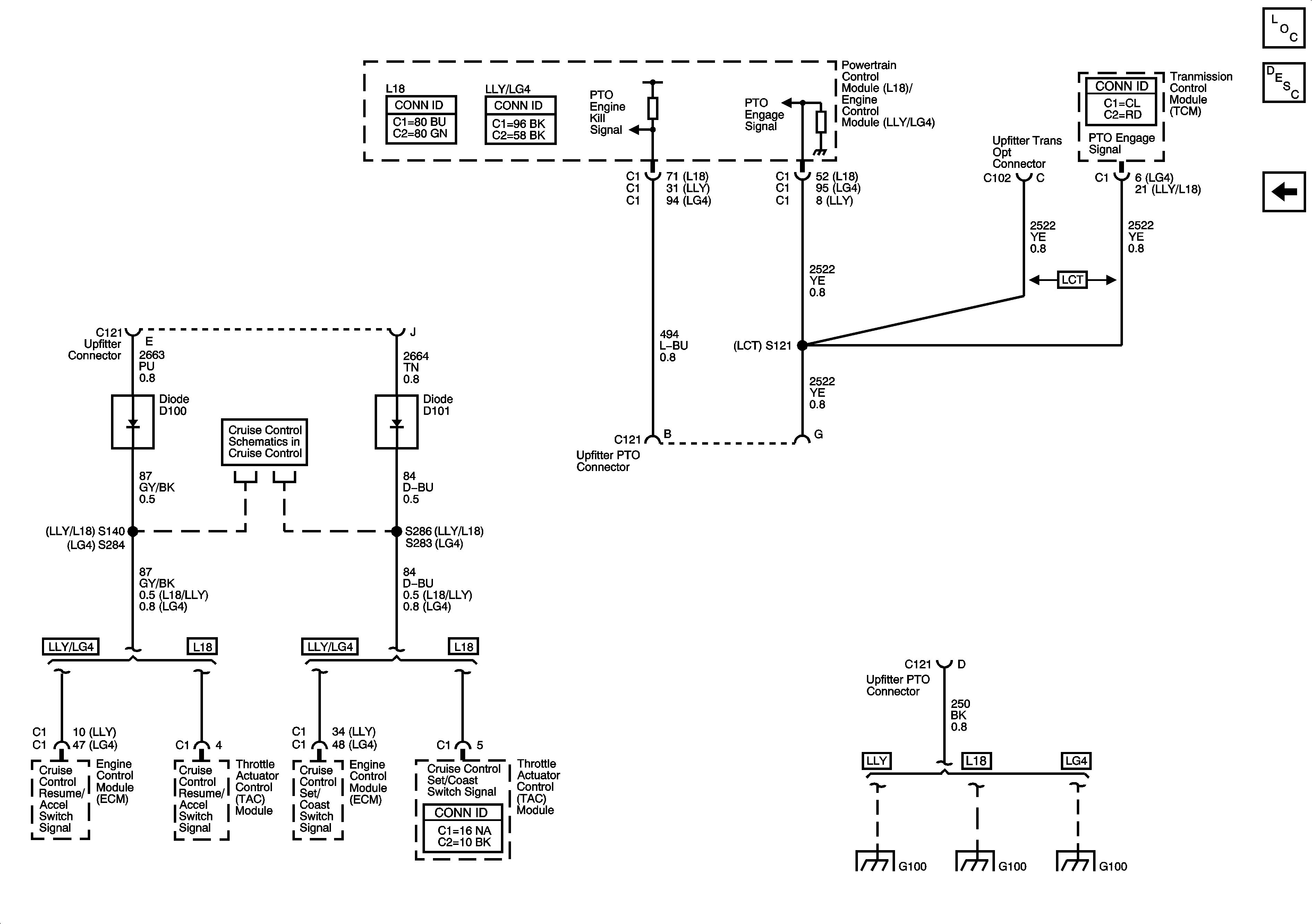
Power Take-Off (PTO) Description and Operation
1 of 2
G100 - LLY
G100 - L18
G100 - LG4