GM Service Manual Online
For 1990-2009 cars only
Makes
🢒
Chevrolet
🢒
2007
🢒
Kodiak C-Series (Conventional) C4/C5
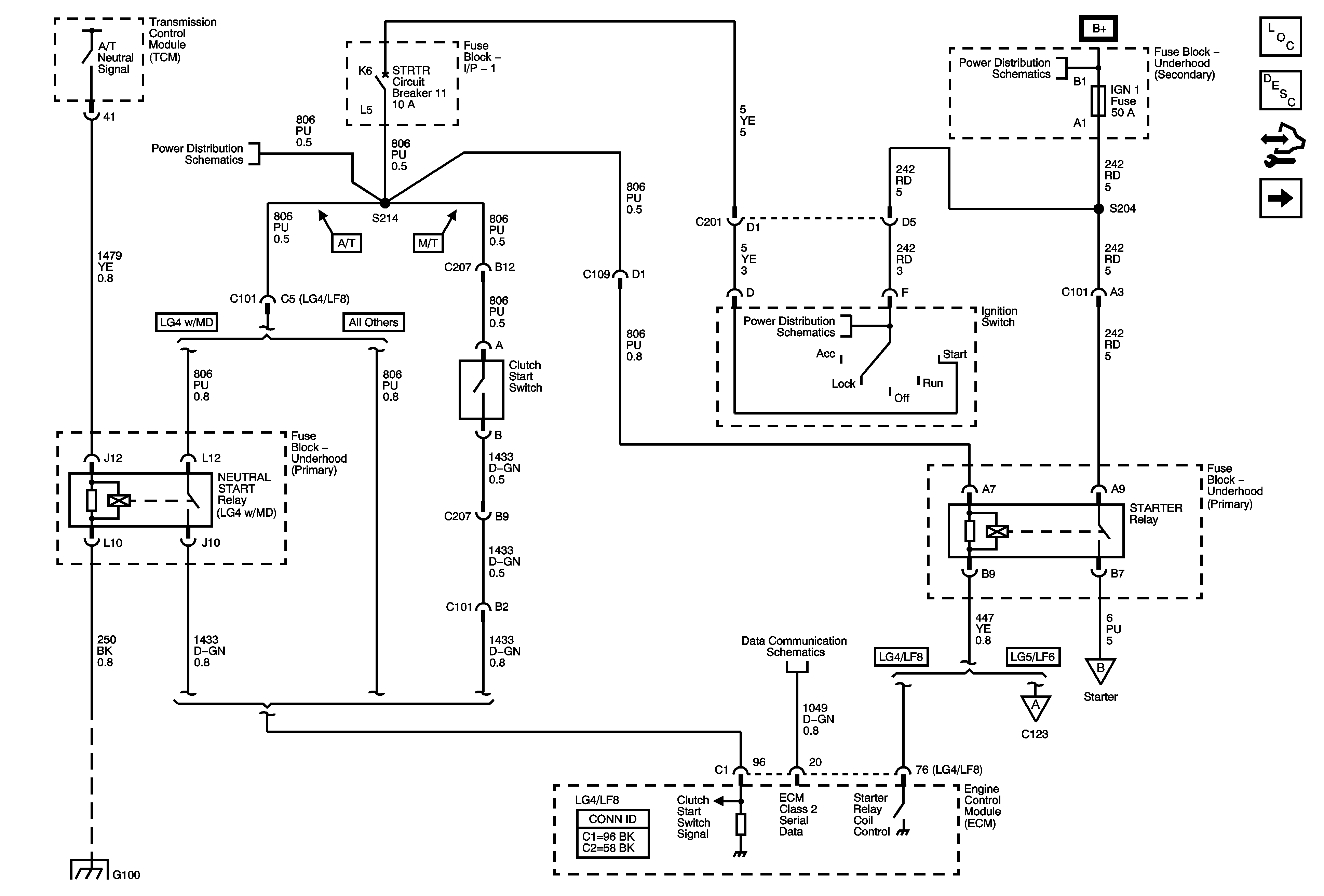
🢒 Starting System - LG4/LG5
Starting System - LG4/LG5
Starting System - LF6/LF8/LG4/LG5
Master Electrical Component List
Starting System Description and Operation
Control Module References
2007 MD Charging System - LG4/LG5
STRTR Fuse/Circuit Breaker
G100 - LG4
Batteries - LG4/LG5 and B+ Bus
Splice Pack SP203
2007 MD Charging System - LG4/LG5
2007 MD Charging System - LG4/LG5