GM Service Manual Online
For 1990-2009 cars only
Makes
🢒
Chevrolet
🢒
2007
🢒
Kodiak C-Series (Conventional) C4/C5
🢒 2007 MD Charging System - LG4/LG5
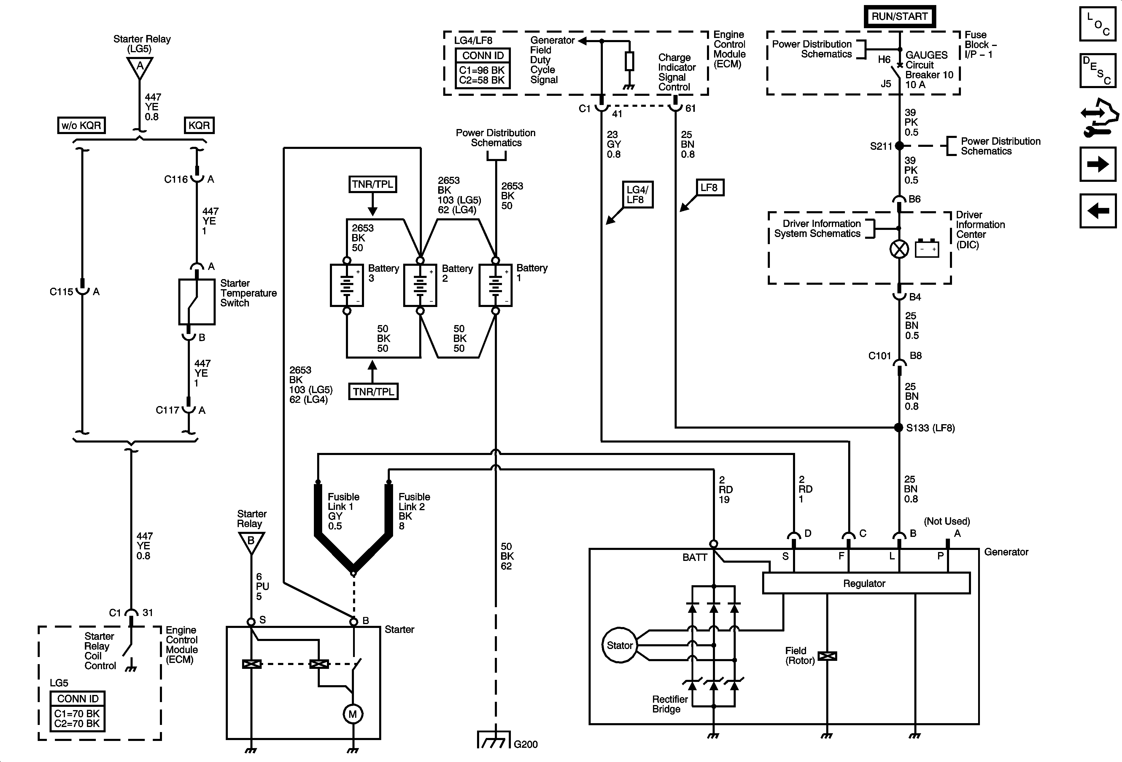
2007 MD Charging System - LG4/LG5
Charging System LG4/LG5
Master Electrical Component List
Charging System Description and Operation
Control Module References
Starting System L18/LLY/LMM
Starting System - LG4/LG5
Starting System - LG4/LG5
Starting System - LG4/LG5
Batteries - LG4/LG5 and B+ Bus
G103 - 2 of 2
Ignition Switch - OFF/RUN/START, RUN/START, and START Busses
AIRBAG, GAUGES, LT REAR TURN/STOP, and RT REAR TURN/STOP Fuses/Circuit Breakers
2007 MD-560C Driver Information System Schematics - DIC