GM Service Manual Online
For 1990-2009 cars only
Makes
🢒
Chevrolet
🢒
2007
🢒
Kodiak C-Series (Conventional) C4/C5
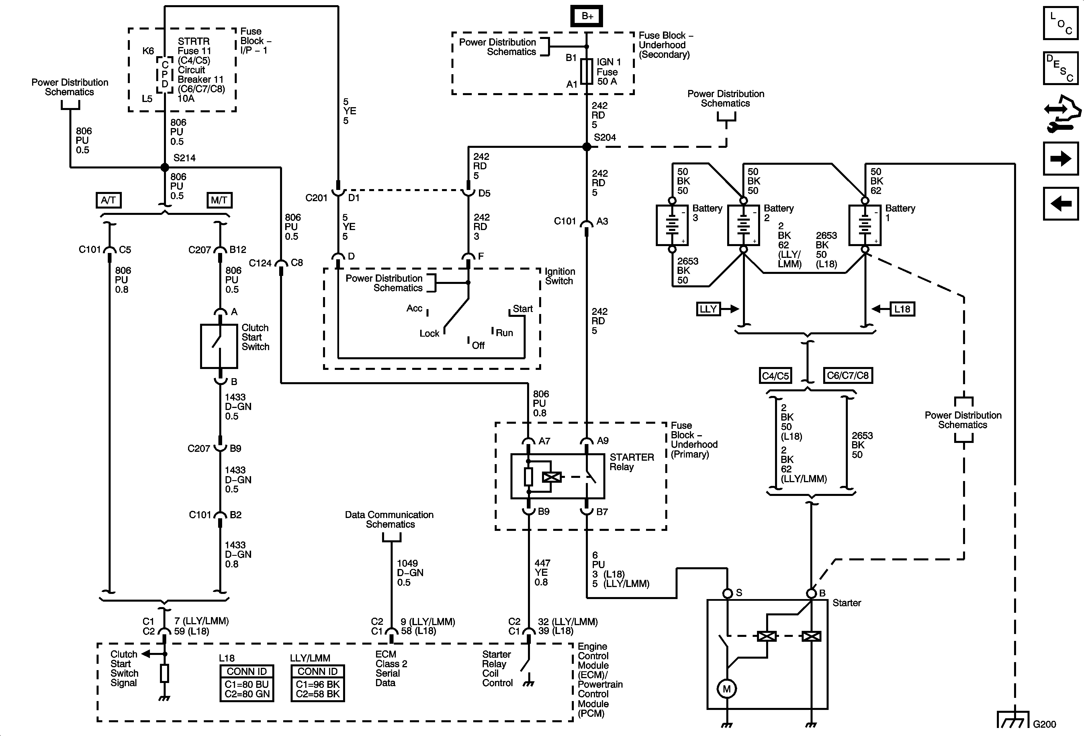
🢒 Starting System L18/LLY/LMM
Starting System L18/LLY/LMM
Starting System L18/LLY/LMM
Master Electrical Component List
Starting System Description and Operation
Control Module References
Charging System L18/LLY/LMM
2007 MD Charging System - LG4/LG5
STRTR Fuse/Circuit Breaker
Ignition Switch - OFF/RUN/START, RUN/START, and START Busses
Splice Pack SP203
Batteries - LG4/LG5 and B+ Bus
Ignition Switch - OFF/RUN/START, RUN/START, and START Busses
Batteries - L18
Batteries - LLY
G103 - 2 of 2