GM Service Manual Online
For 1990-2009 cars only
Makes
🢒
Chevrolet
🢒
2008
🢒
Kodiak C-Series (Conventional) C4/C5
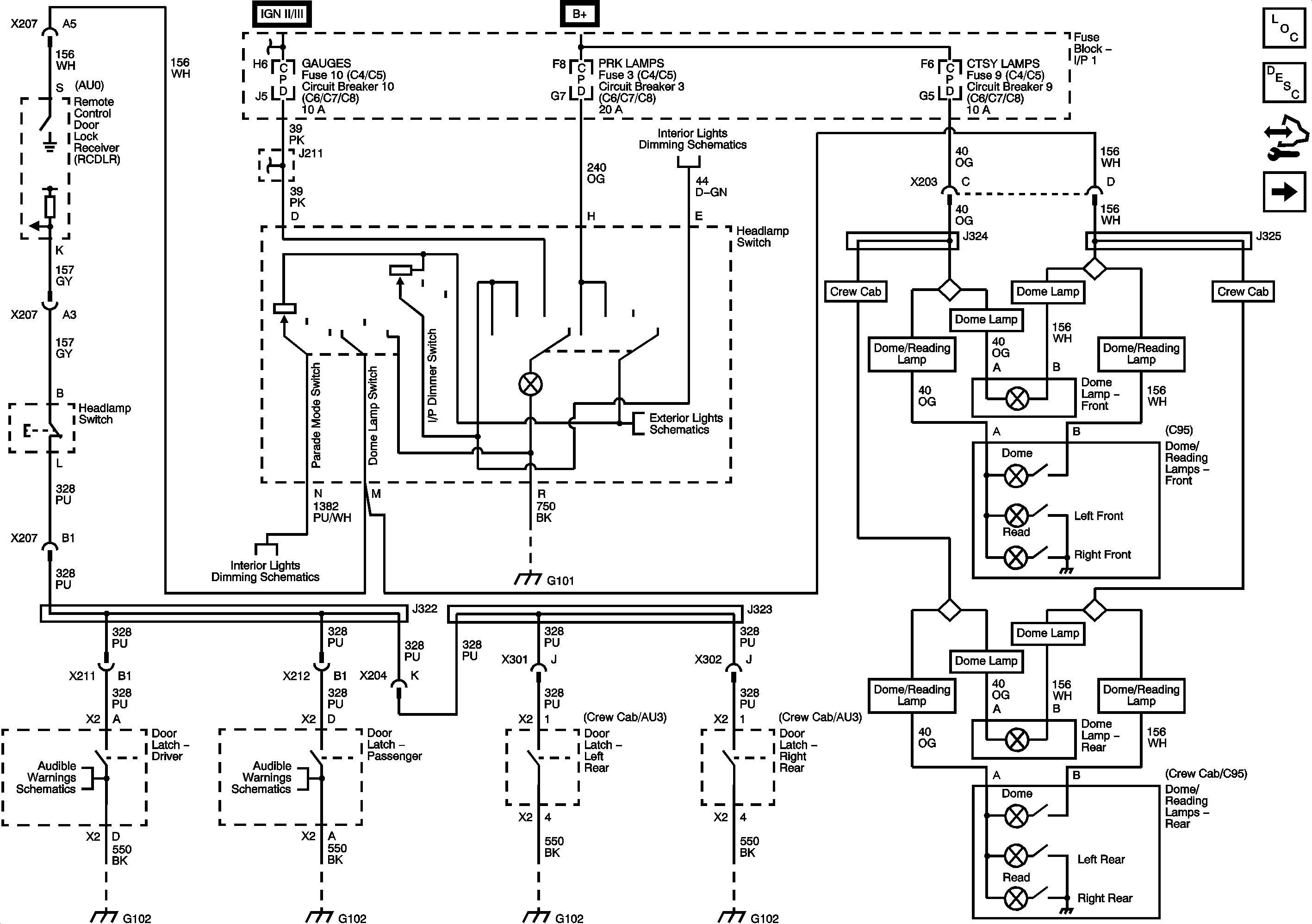
🢒 Dome/Reading Lamps
Dome/Reading Lamps
Dome/Reading Lamps
Master Electrical Component List
Interior Lighting Systems Description and Operation
Control Module References
LT PARK Fuse/Circuit Breaker - 1 of 2
Audible Warnings Schematics
G102 - 1 of 2
Audible Warnings Schematics
G102 - 1 of 2
Interior Lights Dimming Schematics
AIRBAG, GAGES, LT REAR TURN/STOP, and RT REAR TURN/STOP Fuses/Circuit Breakers
AIRBAG, GAGES, LT REAR TURN/STOP, and RT REAR TURN/STOP Fuses/Circuit Breakers
IGN-4, ELEC BRK/BRKLP, HDLP, MKR LTS, PWR WNDW, DRL, and RADIO Fuses/Circuit Breakers
G101 - 1 of 2
G102 - 2 of 2
Headlights/Daytime Running Lights (DRL) Schematics
Interior Lights Dimming Schematics
G102 - 2 of 2