GM Service Manual Online
For 1990-2009 cars only
Makes
🢒
Chevrolet
🢒
2008
🢒
Kodiak C-Series (Conventional) C4/C5
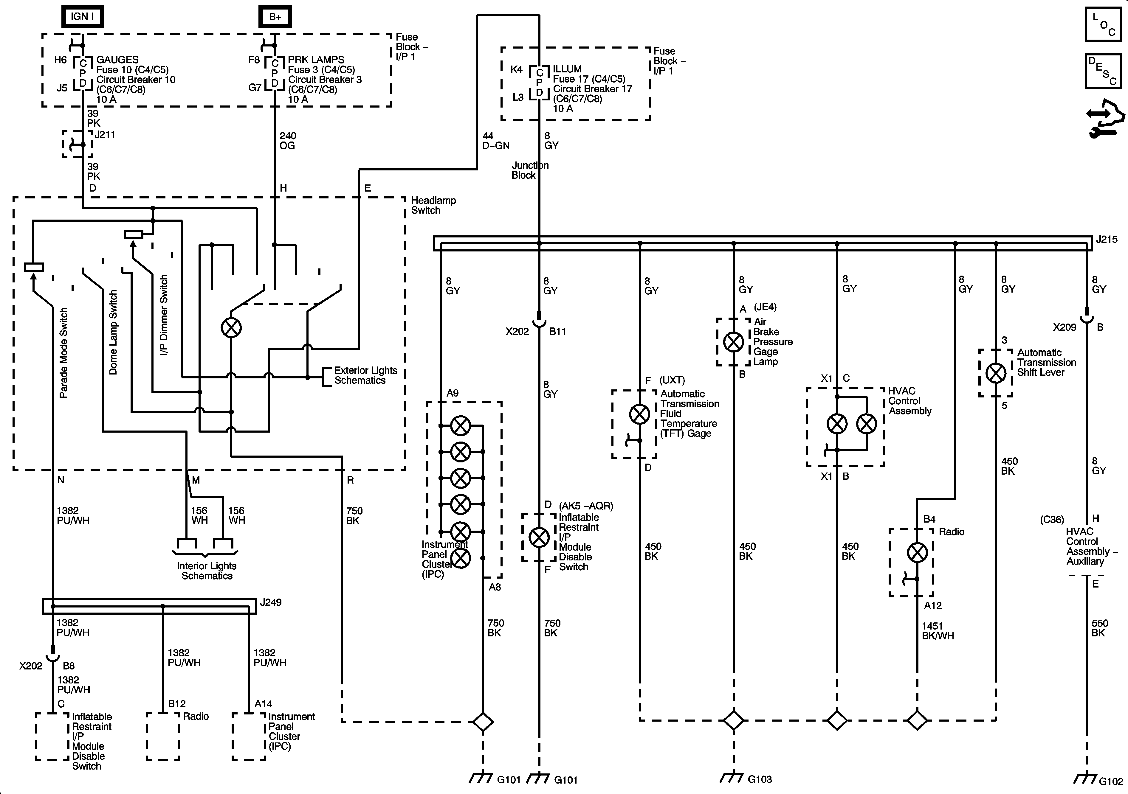
🢒 Interior Lights Dimming Schematics
Interior Lights Dimming Schematics
Master Electrical Component List
Interior Lighting Systems Description and Operation
Control Module References
AIRBAG, GAGES, LT REAR TURN/STOP, and RT REAR TURN/STOP Fuses/Circuit Breakers
AIRBAG, GAGES, LT REAR TURN/STOP, and RT REAR TURN/STOP Fuses/Circuit Breakers
IGN-4, ELEC BRK/BRKLP, HDLP, MKR LTS, PWR WNDW, DRL, and RADIO Fuses/Circuit Breakers
Dome/Reading Lamps
Headlights/Daytime Running Lights (DRL) Schematics
G101 - 1 of 2
G101 - 2 of 2
Gage Center
G103 - 1 of 2, G105, and G106
Blower Controls
Radio
G102 - 2 of 2