GM Service Manual Online
For 1990-2009 cars only
Makes
🢒
Chevrolet
🢒
2005
🢒
Kodiak C-Series (Conventional) C6/C7/C8
🢒
Body
🢒
Doors
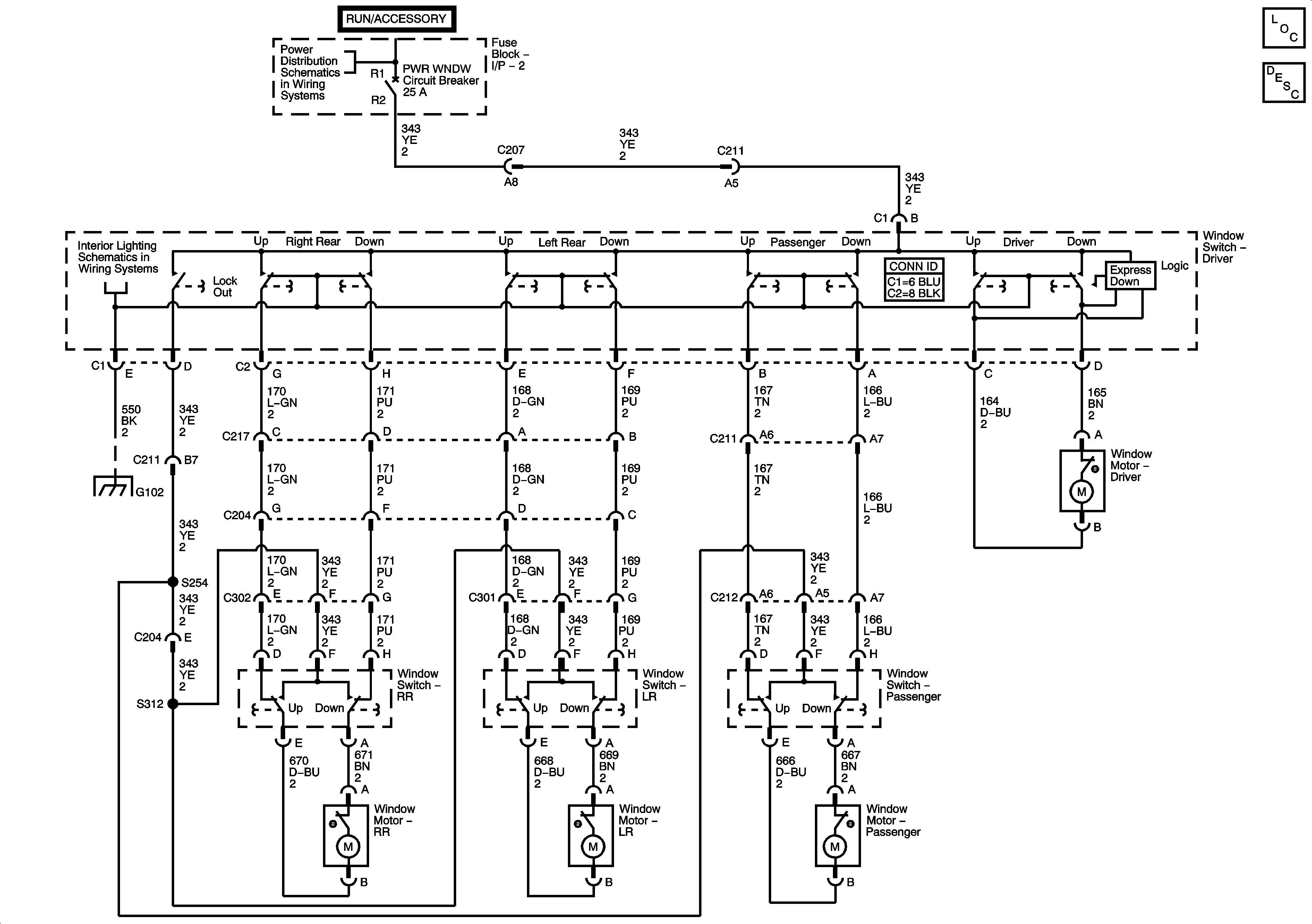
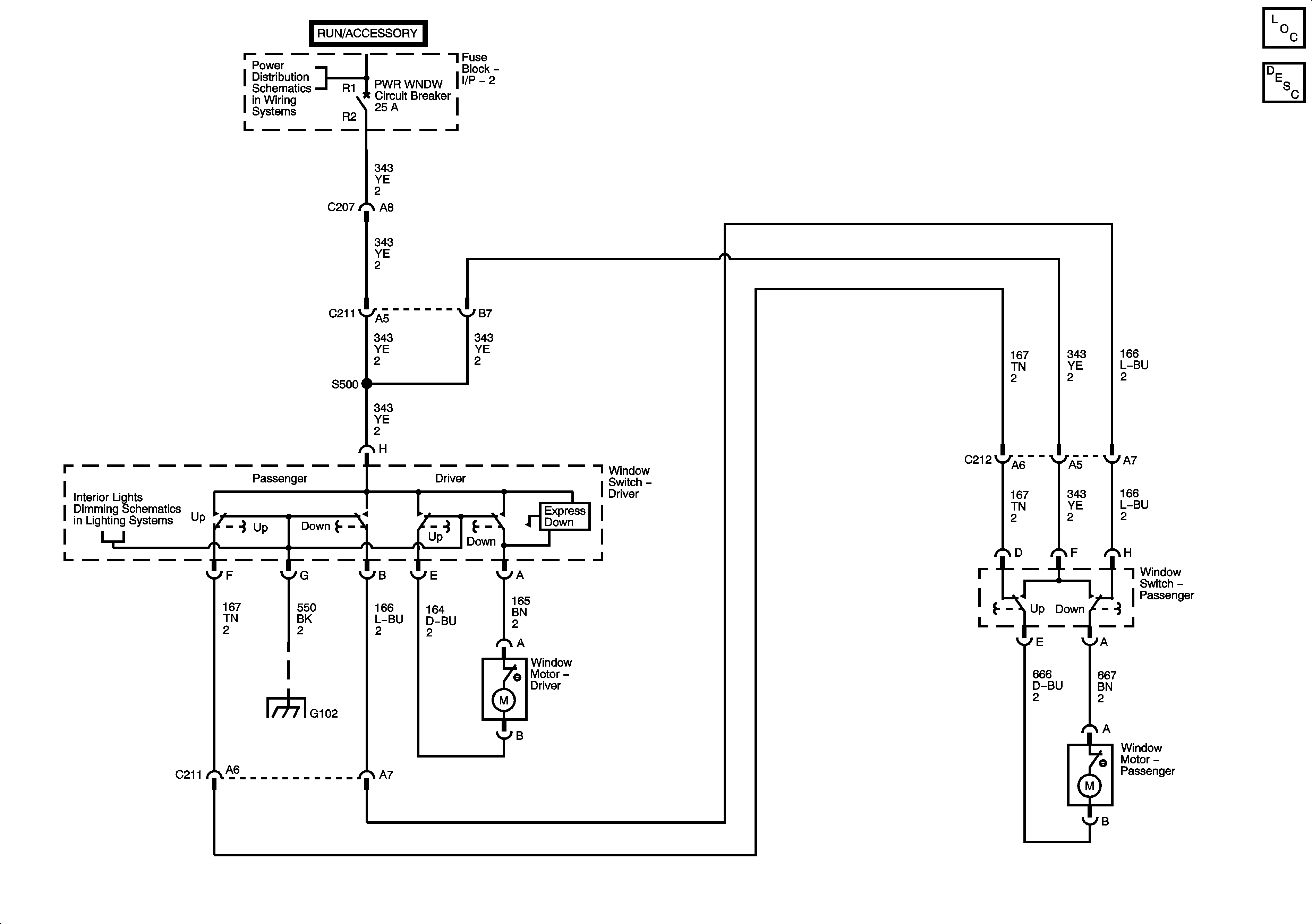
🢒 Power Window Schematics
Power Window Schematics w/o Crew Cab
Master Electrical Component List
Power Windows Description and Operation
Power Window Switches and Motor - Crew Cab
IGN 4 and HDLP Fuses, ELECTRIC BRAKE (C4/C5), BRAKE LAMP (C6/C7/C8), AND PWR WINDOW Circuit Breakers, RADIO, DRL, and MARKER Fuses/Circuit Breakers
Panel, Door Switches
G102 - 1 of 2
Power Window Schematics Crew Cab
Master Electrical Component List
Power Windows Description and Operation
Power Window Switches and Motor - Reg Cab
IGN 4 and HDLP Fuses, ELECTRIC BRAKE (C4/C5), BRAKE LAMP (C6/C7/C8), AND PWR WINDOW Circuit Breakers, RADIO, DRL, and MARKER Fuses/Circuit Breakers
Panel, Door Switches
G102 - 1 of 2