GM Service Manual Online
For 1990-2009 cars only
Makes
🢒
Chevrolet
🢒
2005
🢒
Kodiak C-Series (Conventional) C6/C7/C8
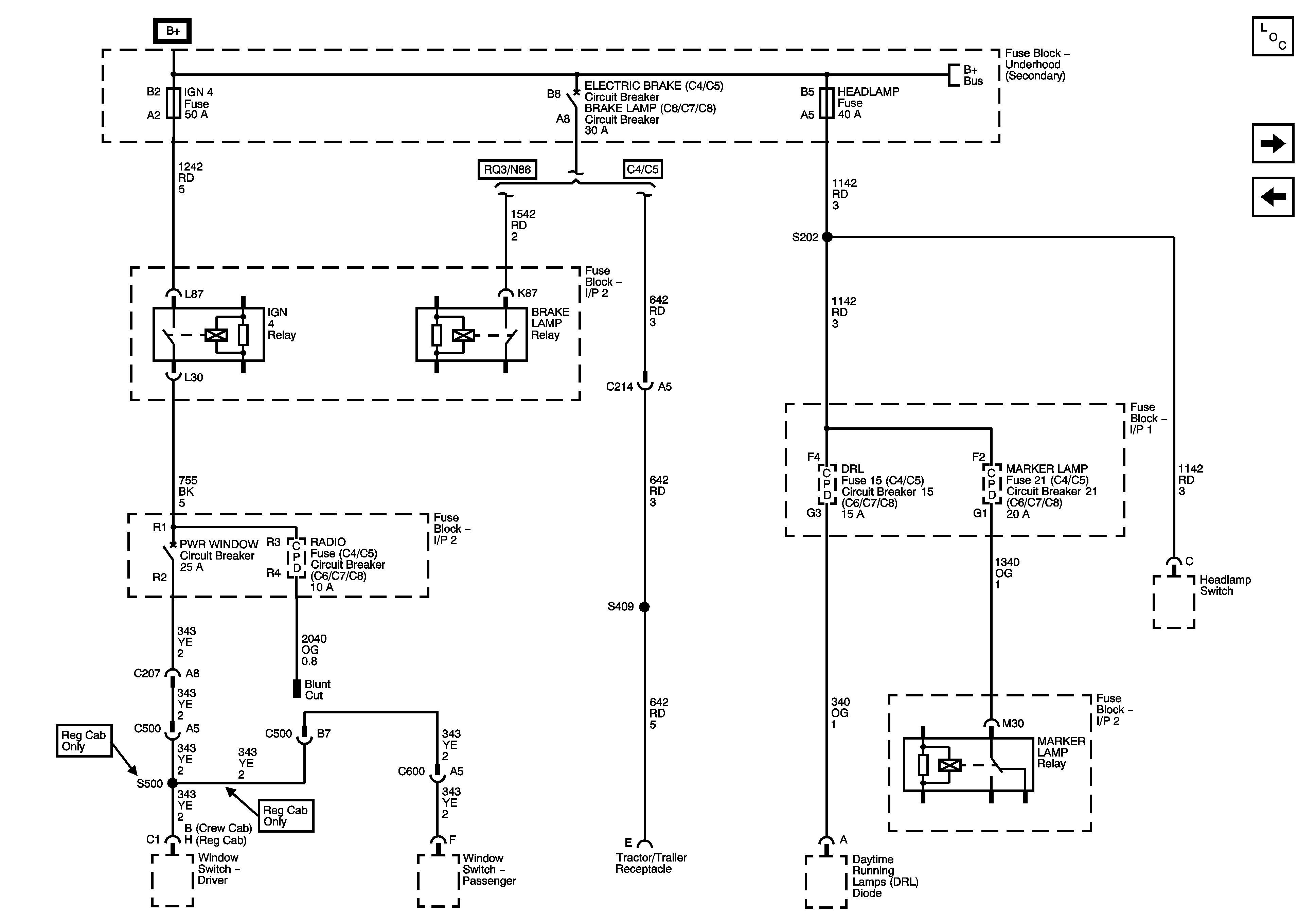
🢒 IGN 4 and HDLP Fuses, ELECTRIC BRAKE (C4/C5), BRAKE LAMP (C6/C7/C8), AND PWR WINDOW Circuit Breakers, RADIO, DRL, and MARKER Fuses/Circuit Breakers
IGN 4 and HDLP Fuses, ELECTRIC BRAKE (C4/C5), BRAKE LAMP (C6/C7/C8), AND PWR WINDOW Circuit Breakers, RADIO, DRL, and MARKER Fuses/Circuit Breakers
IGN 4, and HDLP Fuses, ELECTRIC BRAKE (C4/C5), BRAKE LAMP (C6/C7/C8), and PWR WINDOW Circuit Breakers, RADIO, DRL, and MARKER Fuses/Circuit Breakers
Master Electrical Component List
Underhood Fuse Block, LIGHTING and HVAC Fuses, I/P Fuse Block, and COURTESY, PARK, ILLUM, RH PARK LP, and LH PARK LP Fuses/Circuit Breakers
I/P Fuse Block, IGN 4, and AUX RLY Fuses/Circuit Breakers
B+ Bus Bar