GM Service Manual Online
For 1990-2009 cars only
Makes
🢒
Chevrolet
🢒
2005
🢒
Kodiak C-Series (Conventional) C6/C7/C8
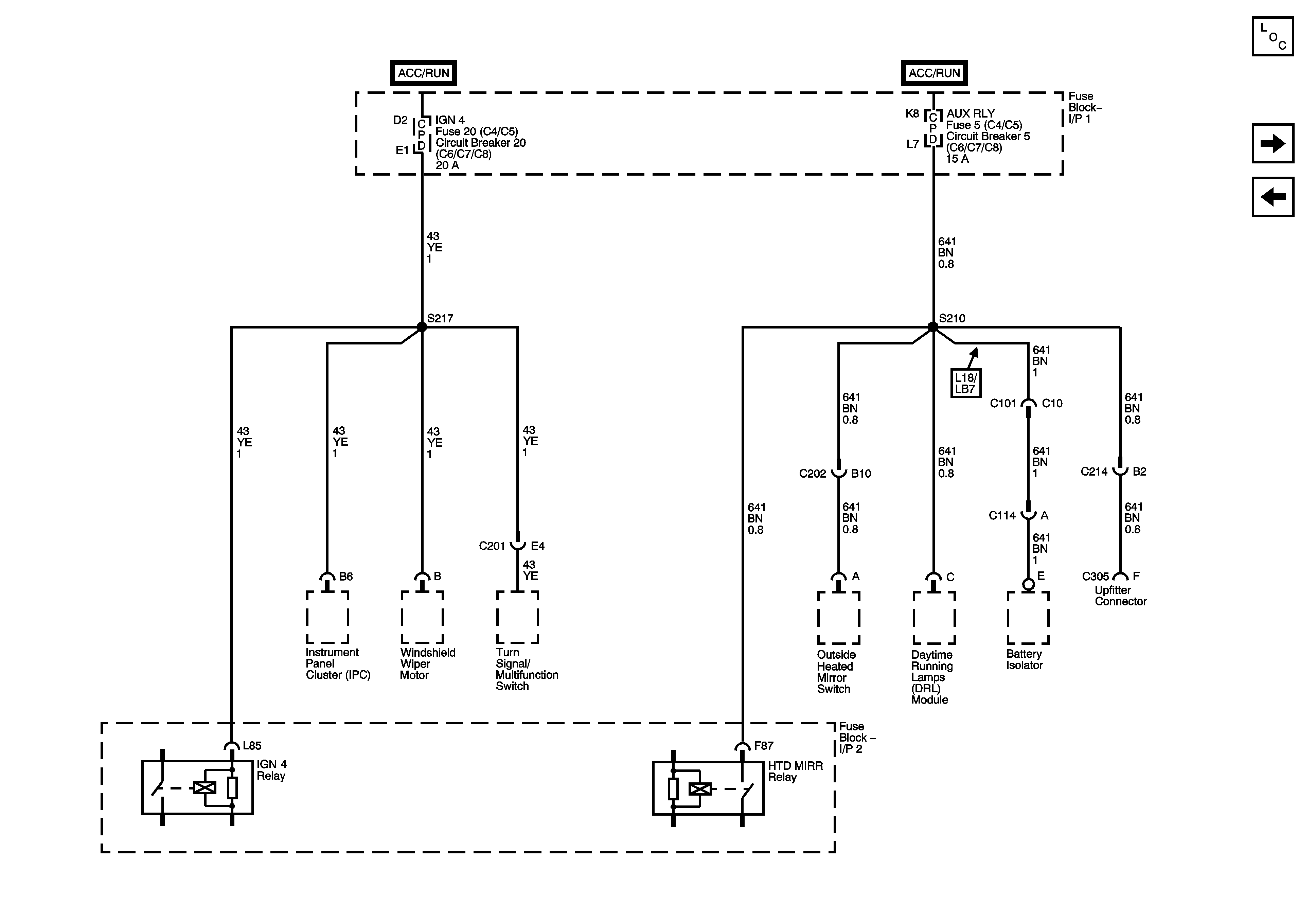
🢒 I/P Fuse Block, IGN 4, and AUX RLY Fuses/Circuit Breakers
I/P Fuse Block, IGN 4, and AUX RLY Fuses/Circuit Breakers
I/P Fuse Block, IGN 4 and AUX RLY Fuses/Circuit Breakers
Master Electrical Component List
IGN 4 and HDLP Fuses, ELECTRIC BRAKE (C4/C5), BRAKE LAMP (C6/C7/C8), AND PWR WINDOW Circuit Breakers, RADIO, DRL, and MARKER Fuses/Circuit Breakers
BRAKE, CHASSIS, HTR/AC, and AXLE/4WD Fuses/Circuit Breakers