GM Service Manual Online
For 1990-2009 cars only
Makes
🢒
Chevrolet
🢒
2005
🢒
Kodiak C-Series (Conventional) C6/C7/C8
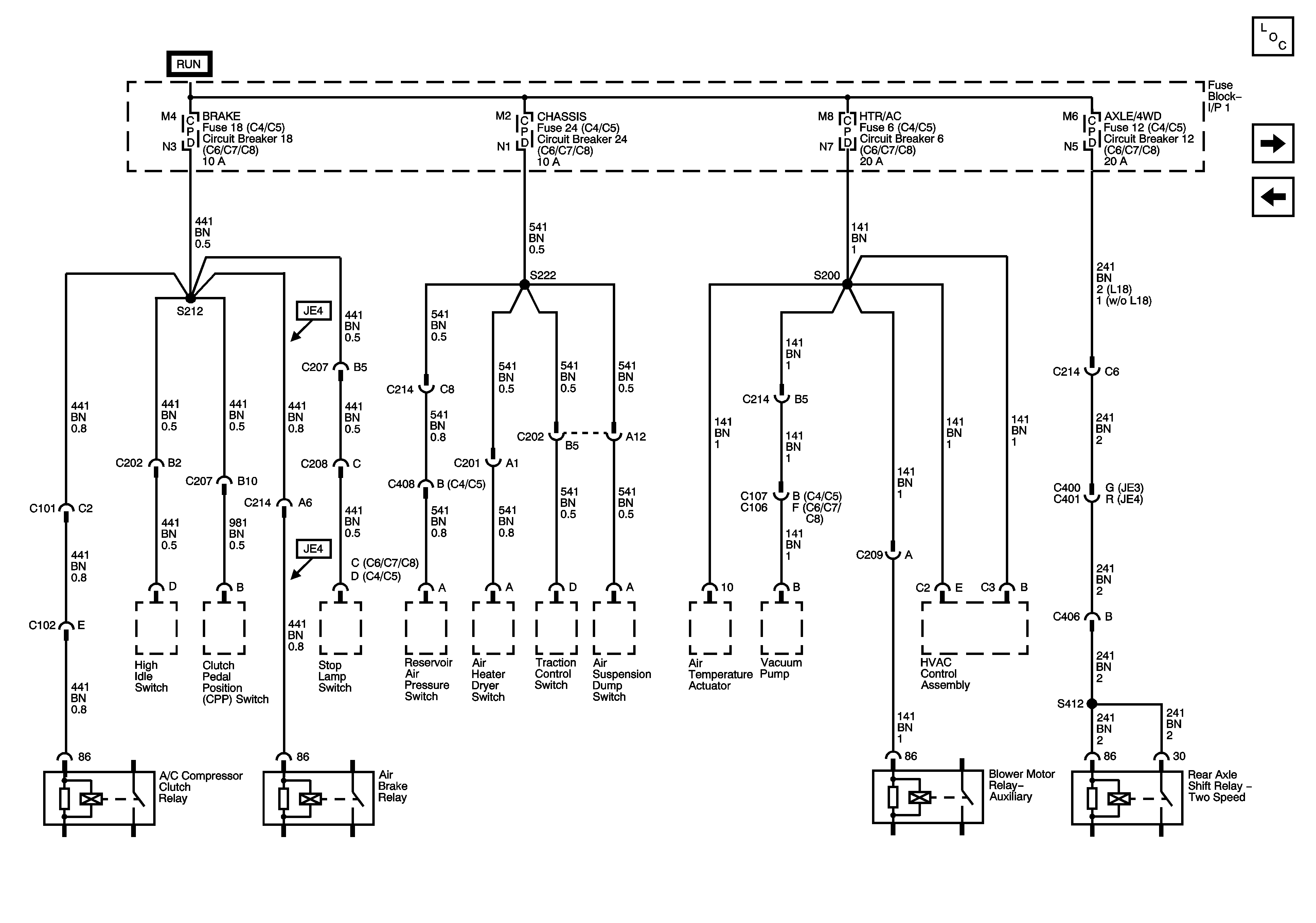
🢒 BRAKE, CHASSIS, HTR/AC, and AXLE/4WD Fuses/Circuit Breakers
BRAKE, CHASSIS, HTR/AC, and AXLE/4WD Fuses/Circuit Breakers
BRAKE, CHASSIS, HTR/AC, and AXLE/4WD Fuses/Circuit Breakers
Master Electrical Component List
I/P Fuse Block, IGN 4, and AUX RLY Fuses/Circuit Breakers
Underhood Fuse Block, ENG 4 and ENG 1 Fuses (L18/LB7)