GM Service Manual Online
For 1990-2009 cars only
Makes
🢒
Chevrolet
🢒
2005
🢒
Kodiak C-Series (Conventional) C6/C7/C8
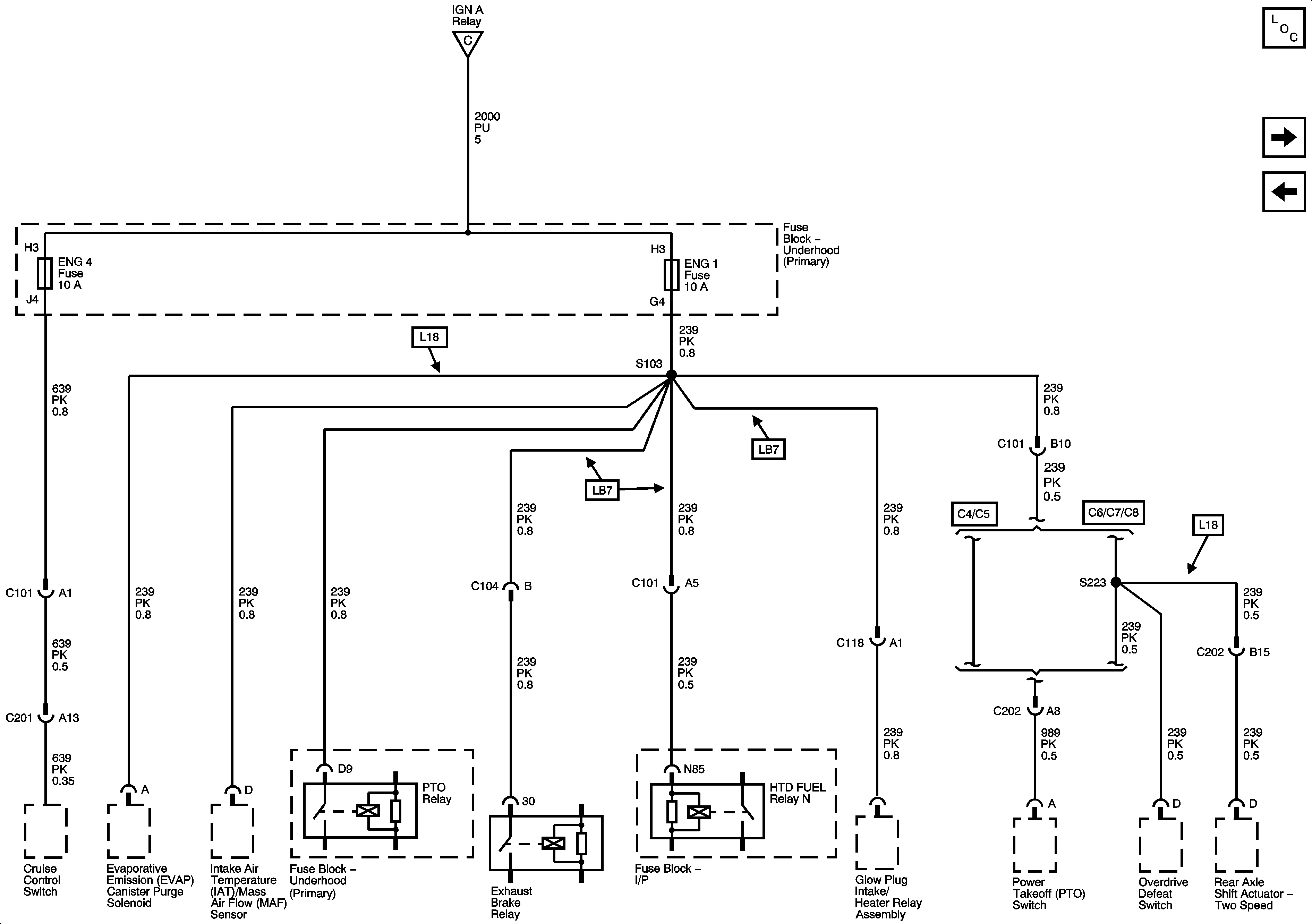
🢒 Underhood Fuse Block, ENG 4 and ENG 1 Fuses (L18/LB7)
Underhood Fuse Block, ENG 4 and ENG 1 Fuses (L18/LB7)
Underhood Fuse Block, ENG 4 and ENG 1 Fuses - L18/LB7
Master Electrical Component List
BRAKE, CHASSIS, HTR/AC, and AXLE/4WD Fuses/Circuit Breakers
Underhood Fuse Block, ENG4 and ENG1 Fuses (LG4/LG5)
Underhood Fuse Block, ENGINE Fuse and I/P Fuse Block, PCM-I Fuse/Circuit Breaker